Here you will find all available parts and drawings of the 'Metabo 0102900000-10 ( UK290 )'. From here you can order all desired parts directly. Many parts must be ordered from the manufacturer, depending on the brand, this takes one to four weeks. All the information we have is on our website, we cannot advise you on what you need, for that you will need to return the machine for repair. Please note the following when ordering:
Technical drawing of model Metabo 0102900000-10 ( UK290 )
Spare parts list of model Metabo 0102900000-10 ( UK290 )
| Pos. | Description | Price excl. VAT | Price incl. VAT | |
| Prices shown include VAT | ||||
| Wheel guard compl. | ||||
| 1 | 316052430 | 12.23 | 14.80 | |
| Cover clamp box motor AM21 | ||||
| 2 | 1331700076 | 1.68 | 2.03 | |
| Clamp box motor AM21 | ||||
| 3 | 1331700068 | 3.71 | 4.49 | |
| SHEET METAL SCREW WITH HEX SOCKET | ||||
| 4 | 6123612815 | 1.56 | 1.89 | |
| SCREW | ||||
| 5 | 1485221570 | 3.71 | 4.49 | |
| STEEL BALL RD 7,938 | ||||
| 6 | 7123148635 | 1.55 | 1.88 | |
| HOLDER V.SPOUWMES UK290 | ||||
| 7 | 1380728555 | 18.80 | 22.75 | |
| Riving knife CS 50 EBG | ||||
| 8 | 1482221587 | 18.80 | 22.75 | |
| Plate for riving knife | ||||
| 9 | 1482221595 | 1.68 | 2.03 | |
| No information available, not orderable | ||||
| 10 | 8012728930 | |||
| Seal | ||||
| 11 | 1382725634 | 7.22 | 8.74 | |
| Countersunk Screw | ||||
| 12 | 6132175169 | 1.56 | 1.89 | |
| SAW BLADE FLANGE | ||||
| 13 | 1485221618 | 12.23 | 14.80 | |
| Counter-flange saw blade | ||||
| 14 | 1482221900 | 5.18 | 6.27 | |
| Cylinder head screw | ||||
| 15 | 6121000839 | 5.87 | 7.10 | |
| Flange nut | ||||
| 16 | 6209620098 | 1.56 | 1.89 | |
| SPRING BAND | ||||
| 17 | 7052222014 | 2.28 | 2.76 | |
| SHOCK ABSORBER | ||||
| 20 | 1010728530 | 32.27 | 39.05 | |
| Hexagon-Socket Key | ||||
| 21 | 9102689833 | 4.51 | 5.46 | |
| No information available, not orderable | ||||
| 22 | 9104727252 | |||
| SLEEVE | ||||
| 23 | 1485728542 | 2.28 | 2.76 | |
| Zeskantschroef | ||||
| 24 | 141113290 | 1.56 | 1.89 | |
| Disc spring | ||||
| 25 | 141155660 | 1.56 | 1.89 | |
| Rotation limit | ||||
| 26 | 1381726114 | 1.56 | 1.89 | |
| Hexagonal plate screw | ||||
| 27 | 141122680 | 1.56 | 1.89 | |
| Insert Buffer | ||||
| 29 | 2391203906 | 1.56 | 1.89 | |
| Hexagon safety nut | ||||
| 31 | 141130650 | 1.68 | 2.03 | |
| Spacers | ||||
| 32 | 6442059304 | 1.56 | 1.89 | |
| Dust Cover | ||||
| 33 | 1382729397 | 7.22 | 8.74 | |
| No longer available, no replacement | ||||
| 34 | 141110270 | |||
| COVER UK290 | ||||
| 35 | 1381726777 | 2.28 | 2.76 | |
| Slotted bolt with square insert | ||||
| 36 | 6110000608 | 1.56 | 1.89 | |
| Washer | ||||
| 37 | 141150140 | 1.56 | 1.89 | |
| Fillister head screw | ||||
| 38 | 6123002014 | 1.56 | 1.89 | |
| Chip Guiding Plate | ||||
| 39 | 1382729540 | 12.23 | 14.80 | |
| No information available, not orderable | ||||
| 40 | 1482701368 | |||
| Fillister head screw | ||||
| 41 | 6123666494 | 1.56 | 1.89 | |
| Flange nut | ||||
| 42 | 6209114230 | 1.56 | 1.89 | |
| Retaining ring RD 8 VERZ. | ||||
| 43 | 6404091580 | 1.56 | 1.89 | |
| THREAD ROD | ||||
| 44 | 1485728429 | 21.64 | 26.18 | |
| Spring washer | ||||
| 45 | 6720008511 | 1.55 | 1.88 | |
| GLIDE SLEEVE | ||||
| 46 | 7637727561 | 5.87 | 7.10 | |
| No information available, not orderable | ||||
| 47 | 1381099233 | |||
| Hexagonal flat nut | ||||
| 48 | 6205726061 | 1.56 | 1.89 | |
| WASHER | ||||
| 49 | 6300686603 | 1.56 | 1.89 | |
| No information available, not orderable | ||||
| 50 | 1382725677 | |||
| TOMMY BAR | ||||
| 51 | 1485725683 | 18.80 | 22.75 | |
| Bevel Gear | ||||
| 52 | 1380613626 | 4.51 | 5.46 | |
| HANDWHEEL COMPLETE | ||||
| 53 | 1010701704 | 16.25 | 19.66 | |
| Tie rod DF 700 | ||||
| 54 | 1485725900 | 16.25 | 19.66 | |
| Pulling Spring | ||||
| 55 | 7051074232 | 1.67 | 2.02 | |
| Cylinder head screw with hex. | ||||
| 56 | 6143075247 | 1.68 | 2.03 | |
| GUIDE SLEEVE | ||||
| 57 | 1381726939 | 2.28 | 2.76 | |
| Flange nut | ||||
| 58 | 6209110995 | 1.56 | 1.89 | |
| LOCKING PLATE | ||||
| 59 | 1482725925 | 10.38 | 12.56 | |
| PLASTIC HANDLE | ||||
| 60 | 1388698264 | 5.18 | 6.27 | |
| Tension Plate | ||||
| 61 | 1482725690 | 16.25 | 19.66 | |
| KNOB | ||||
| 62 | 7005658068 | 2.28 | 2.76 | |
| Cylinder head screw with inner hexagon | ||||
| 63 | 6127729555 | 2.28 | 2.76 | |
| Moer zeskant | ||||
| 65 | 141132030 | 1.56 | 1.89 | |
| Right Angle Gear | ||||
| 66 | 1381215330 | 3.71 | 4.49 | |
| PLASTIC LID ROTARY HANDLE | ||||
| 67 | 1381212846 | 1.56 | 1.89 | |
| FILTER BRUSH UK290 | ||||
| 68 | 9132726768 | 3.02 | 3.65 | |
| No information available, not orderable | ||||
| 69 | 1482725810 | |||
| No longer available, no replacement | ||||
| 70 | 7100726097 | |||
| Cylinder head screw with inner hexagon | ||||
| 71 | 6127059193 | 1.56 | 1.89 | |
| Hexagonal screw | ||||
| 72 | 6143124744 | 1.56 | 1.89 | |
| ROTARY VALVE | ||||
| 73 | 1381726106 | 3.71 | 4.49 | |
| Zeskantschroef | ||||
| 74 | 141110280 | 1.56 | 1.89 | |
| BALL BEARING ROLL 30X13,5 | ||||
| 75 | 7102726078 | 16.25 | 19.66 | |
| Wiper | ||||
| 76 | 1381726084 | 11.74 | 14.21 | |
| Washer | ||||
| 78 | 141150130 | 1.56 | 1.89 | |
| Knurled Nut | ||||
| 80 | 6241125058 | 1.68 | 2.03 | |
| CABLE CLIP | ||||
| 81 | 7052078118 | 2.28 | 2.76 | |
| Hexagonal flat nut | ||||
| 83 | 6205028046 | 1.56 | 1.89 | |
| No information available, not orderable | ||||
| 84 | 6143706590 | |||
| COVER FOR SAW HOUSE | ||||
| 85 | 1382725839 | 10.38 | 12.56 | |
| SELF-TAPPING SCREW WITH CROSSHEAD | ||||
| 86 | 6174001900 | 1.56 | 1.89 | |
| WASHER | ||||
| 87 | 6305713714 | 1.56 | 1.89 | |
| Slotted bolt with square insert | ||||
| 88 | 6110000594 | 1.56 | 1.89 | |
| GUIDE | ||||
| 92 | 1385221491 | 13.48 | 16.31 | |
| Extraction piece UK333 | ||||
| 94 | 1381701324 | 7.22 | 8.74 | |
| HEIGHT ADJUSTMENT | ||||
| 95 | 1010729358 | 134.27 | 162.47 | |
| Back wall TURBO II | ||||
| 100 | 1382725898 | 67.33 | 81.47 | |
| Pan head screw m.flens | ||||
| 101 | 6143661561 | 1.56 | 1.89 | |
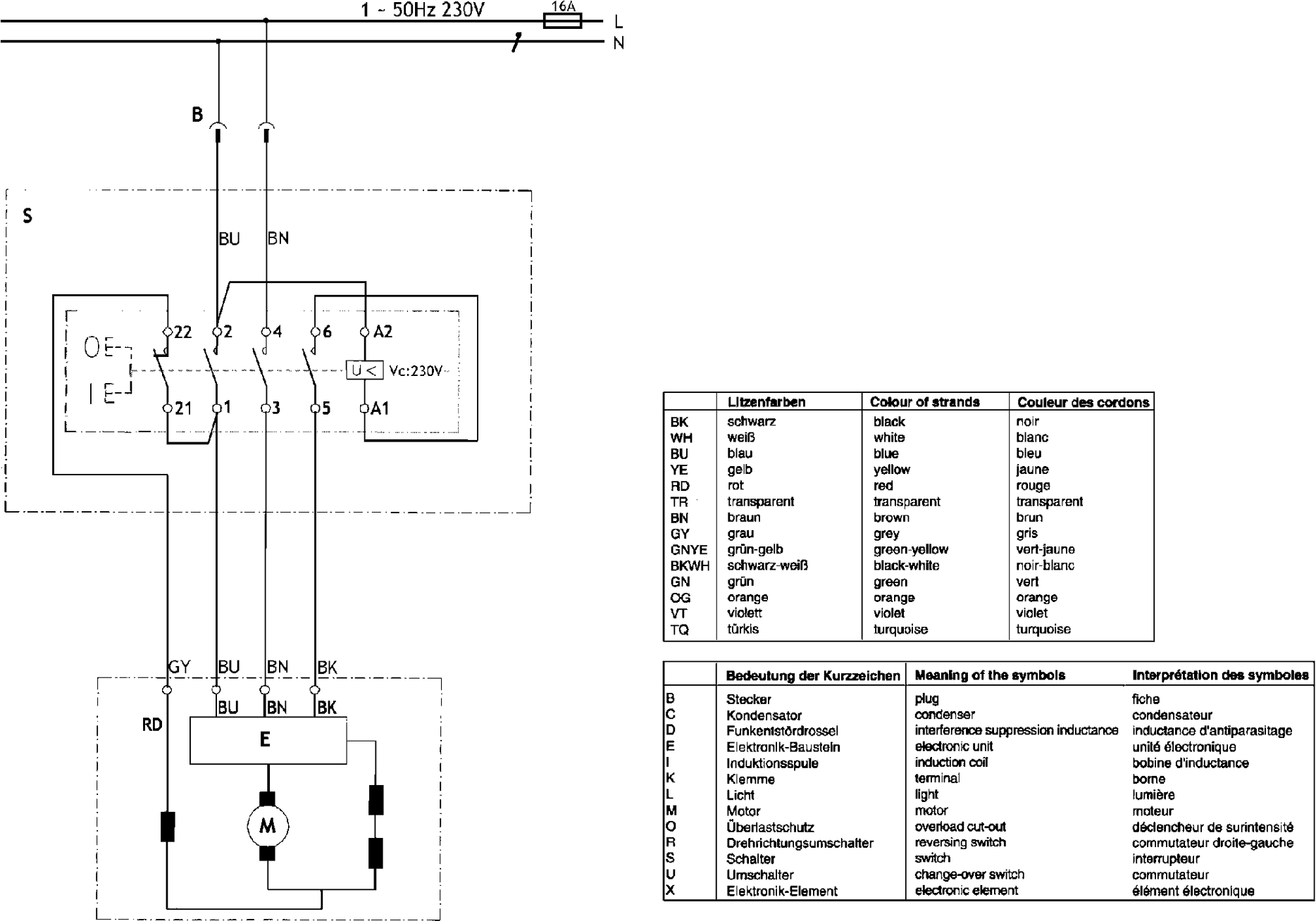
| COMPLETE SWITCH UC230V K570B/NKA9/KA | ||||
| 102 | 8133728920 | 100.74 | 121.90 | |
| CABLE HOLDER UK290/333 | ||||
| 103 | 1381706881 | 1.56 | 1.89 | |
| No information available, not orderable | ||||
| 104 | 1382728463 | |||
| Locking Plate UK290 | ||||
| 106 | 1382726185 | 5.87 | 7.10 | |
| STARLOCK Z.COVER | ||||
| 107 | 7016056183 | 1.55 | 1.88 | |
| Eye screw | ||||
| 108 | 6141701671 | 2.28 | 2.76 | |
| STAR KNOB NUT | ||||
| 109 | 7000017730 | 1.67 | 2.02 | |
| SLEEVE | ||||
| 110 | 1485700877 | 4.51 | 5.46 | |
| SLEEVE | ||||
| 111 | 1485700850 | 3.71 | 4.49 | |
| Bolt | ||||
| 112 | 6632123360 | 2.28 | 2.76 | |
| Flat head bolt | ||||
| 113 | 6110015990 | 1.56 | 1.89 | |
| TRAVERSE | ||||
| 114 | 1382726037 | 18.80 | 22.75 | |
| Leg CS 50 EBG | ||||
| 115 | 1383700848 | 32.27 | 39.05 | |
| FOOTSTAND | ||||
| 116 | 1381726173 | 3.02 | 3.65 | |
| Flange nut | ||||
| 118 | 6209110995 | 1.56 | 1.89 | |
| No longer available, no replacement | ||||
| 119 | 1383700821 | |||
| Pushrod | ||||
| 120 | 1394201630 | 7.22 | 8.74 | |
| Plate screw | ||||
| 121 | 6143726140 | 1.56 | 1.89 | |
| Side Plate | ||||
| 122 | 1382728455 | 37.65 | 45.56 | |
| Plate screw | ||||
| 124 | 6143726132 | 1.56 | 1.89 | |
| RUBBER FOOT 57,3X13,4X14 BLACK | ||||
| 125 | 7057706400 | 3.71 | 4.49 | |
| Countersunk screw m. lens head screw | ||||
| 126 | 6186602763 | 1.56 | 1.89 | |
| Plate screw | ||||
| 127 | 6143726159 | 2.28 | 2.76 | |
| No information available, not orderable | ||||
| 130 | 1382725863 | |||
| FOOTGROUP ADJUSTABLE | ||||
| 131 | 2010200787 | 16.25 | 19.66 | |
| Leg CS 50 EBG | ||||
| 132 | 1383700830 | 32.27 | 39.05 | |
| UNIVERSAL GUIDE | ||||
| 140 | 1010727355 | 242.14 | 292.99 | |
| GUIDANCE PROFILE | ||||
| 141 | 1010720490 | 21.64 | 26.18 | |
| Washer | ||||
| 142 | 141150020 | 1.56 | 1.89 | |
| Disc spring | ||||
| 143 | 141150540 | 1.56 | 1.89 | |
| No information available, not orderable | ||||
| 144 | 1382727343 | |||
| ANGLE MEASURE | ||||
| 145 | 1142216716 | 11.74 | 14.21 | |
| No longer available, no replacement | ||||
| 146 | 1482643350 | |||
| STEEL BALL RD 7,938 | ||||
| 147 | 7123148635 | 1.55 | 1.88 | |
| PRESSURE SPRING ANGLE GUIDE | ||||
| 148 | 7051148694 | 1.55 | 1.88 | |
| No longer available, no replacement | ||||
| 149 | 2391202772 | |||
| LOCKING PIN RIGHT ANGLE GUIDE | ||||
| 150 | 1485215979 | 3.71 | 4.49 | |
| CLAMPING PIECE UK333 | ||||
| 151 | 1381698285 | 1.68 | 2.03 | |
| Adjustment part | ||||
| 152 | 1380215981 | 7.22 | 8.74 | |
| STARLOCK | ||||
| 153 | 7016122305 | 1.55 | 1.88 | |
| PIN | ||||
| 154 | 1485727325 | 26.95 | 32.61 | |
| Flange bolt TSF 55 | ||||
| 155 | 1485209480 | 2.28 | 2.76 | |
| SCREW WITH THREAD A | ||||
| 156 | 6175174166 | 1.56 | 1.89 | |
| Washer | ||||
| 157 | 141150130 | 1.56 | 1.89 | |
| Taper Pin with Morse Taper | ||||
| 158 | 6161183502 | 1.56 | 1.89 | |
| Dovetail guide | ||||
| 159 | 1383221990 | 26.95 | 32.61 | |
| Clamping lever with internal thread | ||||
| 160 | 7006028653 | 7.22 | 8.74 | |
| Taper Pin with Morse Taper | ||||
| 161 | 6161029120 | 1.68 | 2.03 | |
| Clamping Hook | ||||
| 162 | 1380216031 | 8.89 | 10.76 | |
| Pointer right angle guide | ||||
| 163 | 1482216010 | 1.68 | 2.03 | |
| PIN TAP | ||||
| 164 | 6163198736 | 3.71 | 4.49 | |
| CLAMP BODY UK333 | ||||
| 165 | 1380701983 | 60.59 | 73.31 | |
| COUNTERSUNK SCREW W. INTERNAL | ||||
| 166 | 6131714953 | 1.56 | 1.89 | |
| No information available, not orderable | ||||
| 167 | 1383726049 | |||
| SLEEVE | ||||
| 168 | 1381728443 | 3.02 | 3.65 | |
| Countersunk screw | ||||
| 169 | 6172028215 | 1.56 | 1.89 | |
| Countersunk screw | ||||
| 170 | 6172091014 | 1.56 | 1.89 | |
| STICKER YELLOW/BLACK | ||||
| 171 | 1142725793 | 5.87 | 7.10 | |
| No information available, not orderable | ||||
| 172 | 1010710835 | |||
| CAGE NUT | ||||
| 174 | 6264714948 | 1.68 | 2.03 | |
| COMPLETE TABLE | ||||
| 175 | 1010725735 | 321.76 | 389.33 | |