Here you will find all available parts and drawings of the 'Metabo 0103001242-12 ( KGS301 )'. From here you can order all desired parts directly. Many parts must be ordered from the manufacturer, depending on the brand, this takes one to four weeks. All the information we have is on our website, we cannot advise you on what you need, for that you will need to return the machine for repair. Please note the following when ordering:
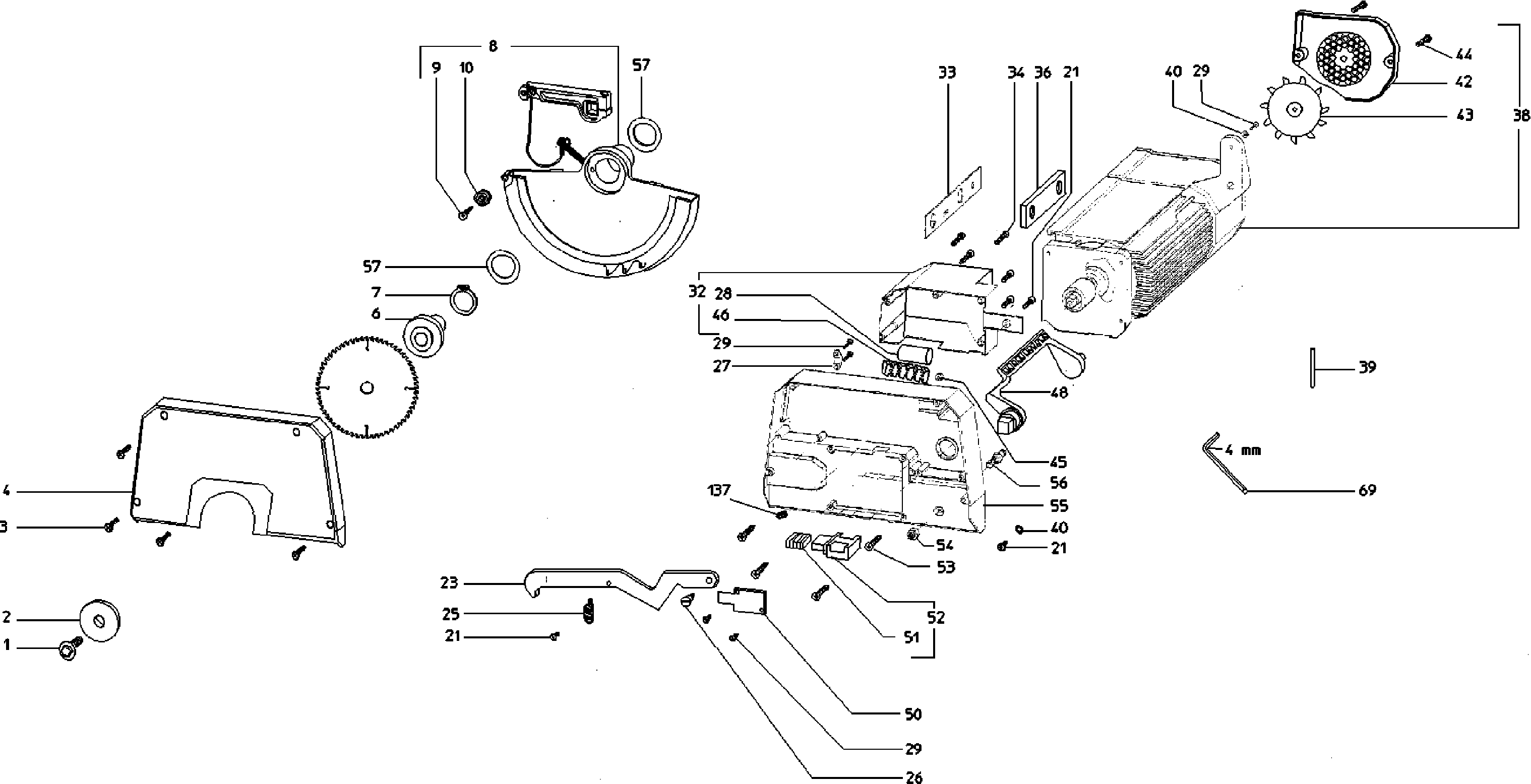
Technical drawing of model Metabo 0103001242-12 ( KGS301 )
Spare parts list of model Metabo 0103001242-12 ( KGS301 )
| Pos. | Description | Price excl. VAT | Price incl. VAT | |
| Prices shown include VAT | ||||
| No longer available, no replacement | ||||
| 1 | 1395207098 | |||
| PRESSURE FLANGE | ||||
| 2 | 1485212147 | 37.65 | 45.56 | |
| No information available, not orderable | ||||
| 3 | 141122530 | |||
| No information available, not orderable | ||||
| 4 | 2380213993 | |||
| Flange OS 400 EQ | ||||
| 6 | 1485212139 | 21.64 | 26.18 | |
| Retaining ring | ||||
| 7 | 141180170 | 1.56 | 1.89 | |
| No longer available, no replacement | ||||
| 8 | 1010656504 | |||
| No information available, not orderable | ||||
| 9 | 6176007417 | |||
| Ball bearing 6X19X6 626 -2Z | ||||
| 10 | 7100047262 | 3.71 | 4.49 | |
| Countersunk screw | ||||
| 21 | 6172028215 | 1.56 | 1.89 | |
| No longer available, no replacement | ||||
| 23 | 1492037601 | |||
| No information available, not orderable | ||||
| 25 | 7051202958 | |||
| Hexagon adjustment screw | ||||
| 26 | 6104220876 | 3.02 | 3.65 | |
| Trekontlasting | ||||
| 27 | 8242033664 | 1.55 | 1.88 | |
| CAPACITOR 20uF/400V 45X67 CABLE 160 AB | ||||
| 28 | 8050033539 | 16.25 | 19.66 | |
| SELF-DRILLING SCREW M.CROSSHEAD ST 3,5X16-C-H VE | ||||
| 29 | 6172032905 | 1.56 | 1.89 | |
| No longer available, no replacement | ||||
| 32 | 1010655575 | |||
| No information available, not orderable | ||||
| 33 | 1492037580 | |||
| No information available, not orderable | ||||
| 34 | 141122540 | |||
| No information available, not orderable | ||||
| 36 | 1392202729 | |||
| No information available, not orderable | ||||
| 38 | 1010657080 | |||
| No longer available, no replacement | ||||
| 39 | 9103202881 | |||
| Washer | ||||
| 40 | 141150010 | 1.56 | 1.89 | |
| Cilinderkopschroef | ||||
| 41 | 141113870 | 1.68 | 2.03 | |
| Fan housing | ||||
| 42 | 2391202551 | 2.28 | 2.76 | |
| No longer available, no replacement | ||||
| 43 | 2391203442 | |||
| No longer available, no replacement | ||||
| 44 | 6143036802 | |||
| Zeskante moer | ||||
| 45 | 141130100 | 1.56 | 1.89 | |
| No longer available, no replacement | ||||
| 46 | 8216656297 | |||
| No information available, not orderable | ||||
| 48 | 2390202787 | |||
| No longer available, no replacement | ||||
| 50 | 2391202853 | |||
| No longer available, no replacement | ||||
| 51 | 2391202926 | |||
| No longer available, no replacement | ||||
| 52 | 1010656300 | |||
| No information available, not orderable | ||||
| 53 | 6131070290 | |||
| Self-locking hexagon nut | ||||
| 54 | 6202002305 | 1.56 | 1.89 | |
| No information available, not orderable | ||||
| 55 | 2391202683 | |||
| No information available, not orderable | ||||
| 56 | 1485208581 | |||
| No information available, not orderable | ||||
| 57 | 6306028063 | |||
| Pointer RAL 3000-3003 | ||||
| 62 | 2391203523 | 1.56 | 1.89 | |
| Chuck lever OSC 18 | ||||
| 63 | 7006028220 | 13.48 | 16.31 | |
| No information available, not orderable | ||||
| 64 | 6127027992 | |||
| DISC SPRING 25,0X12,2X1,5 A25/GR2 | ||||
| 65 | 7053028238 | 1.67 | 2.02 | |
| No information available, not orderable | ||||
| 66 | 6205028038 | |||
| Washer | ||||
| 67 | 141156740 | 1.56 | 1.89 | |
| No information available, not orderable | ||||
| 68 | 141120030 | |||
| Hexagon-Socket Key | ||||
| 69 | 9102017894 | 1.55 | 1.88 | |
| No information available, not orderable | ||||
| 70 | 6300084859 | |||
| No information available, not orderable | ||||
| 75 | 1010019067 | |||
| Hexagonal Screw M 6X16 curved. Spot Coating | ||||
| 76 | 6103001356 | 1.56 | 1.89 | |
| No longer available, no replacement | ||||
| 77 | 2381715992 | |||
| Self-locking hexagon nut | ||||
| 79 | 6202128341 | 1.56 | 1.89 | |
| Insert Buffer | ||||
| 80 | 2391203906 | 1.56 | 1.89 | |
| No longer available, no replacement | ||||
| 81 | 7051210284 | |||
| STAR KNOB SCREW RD40/M6X23 (DIN 933) GALVANIZED | ||||
| 82 | 7001017769 | 1.67 | 2.02 | |
| No information available, not orderable | ||||
| 84 | 7051204314 | |||
| No information available, not orderable | ||||
| 85 | 1010141288 | |||
| Axis V. Cap | ||||
| 87 | 1385209408 | 32.27 | 39.05 | |
| No information available, not orderable | ||||
| 88 | 1485209421 | |||
| No information available, not orderable | ||||
| 89 | 6306110550 | |||
| No longer available, no replacement | ||||
| 90 | 1010128451 | |||
| Cilinderkopschroef | ||||
| 92 | 141113840 | 1.68 | 2.03 | |
| No information available, not orderable | ||||
| 93 | 1482212650 | |||
| No information available, not orderable | ||||
| 94 | 1395202606 | |||
| No information available, not orderable | ||||
| 96 | 1380656465 | |||
| No longer available, no replacement | ||||
| 102 | 141110270 | |||
| No longer available, no replacement | ||||
| 105 | 2391203540 | |||
| No information available, not orderable | ||||
| 106 | 6168029746 | |||
| No longer available, no replacement | ||||
| 107 | 1142214322 | |||
| Countersunk screw | ||||
| 108 | 6172091014 | 1.56 | 1.89 | |
| No longer available, no replacement | ||||
| 109 | 1380654098 | |||
| No longer available, no replacement | ||||
| 111 | 2391202640 | |||
| Toothed lock washer | ||||
| 113 | 141150410 | 1.68 | 2.03 | |
| No longer available, no replacement | ||||
| 115 | 1482210348 | |||
| Cylinder head screw | ||||
| 116 | 6121023081 | 1.56 | 1.89 | |
| No longer available, no replacement | ||||
| 119 | 2391202772 | |||
| No information available, not orderable | ||||
| 120 | 1380653997 | |||
| No information available, not orderable | ||||
| 121 | 1395202657 | |||
| No information available, not orderable | ||||
| 122 | 2393203156 | |||
| Cylinder head screw | ||||
| 123 | 6127059207 | 1.56 | 1.89 | |
| No longer available, no replacement | ||||
| 124 | 2390203040 | |||
| Hexagon safety nut | ||||
| 125 | 141130650 | 1.68 | 2.03 | |
| Washer | ||||
| 126 | 141151940 | 1.56 | 1.89 | |
| No longer available, no replacement | ||||
| 127 | 7001203104 | |||
| Compression Spring | ||||
| 130 | 7051202931 | 5.87 | 7.10 | |
| Disc spring | ||||
| 131 | 141155660 | 1.56 | 1.89 | |
| No information available, not orderable | ||||
| 132 | 1010013816 | |||
| No information available, not orderable | ||||
| 135 | 1141203068 | |||
| No information available, not orderable | ||||
| 136 | 1380675052 | |||
| No information available, not orderable | ||||
| 137 | 7056671069 | |||
| Self-locking hexagon nut | ||||
| 139 | 6202024139 | 1.56 | 1.89 | |
| Vibration buffer | ||||
| 141 | 7058028481 | 3.02 | 3.65 | |
| Countersunk screw | ||||
| 145 | 6172001821 | 1.56 | 1.89 | |
| No information available, not orderable | ||||
| 155 | 1482653592 | |||