Here you will find all available parts and drawings of the 'Metabo 0250400110-11 ( HWW4000-20G )'. From here you can order all desired parts directly. Many parts must be ordered from the manufacturer, depending on the brand, this takes one to four weeks. All the information we have is on our website, we cannot advise you on what you need, for that you will need to return the machine for repair. Please note the following when ordering:
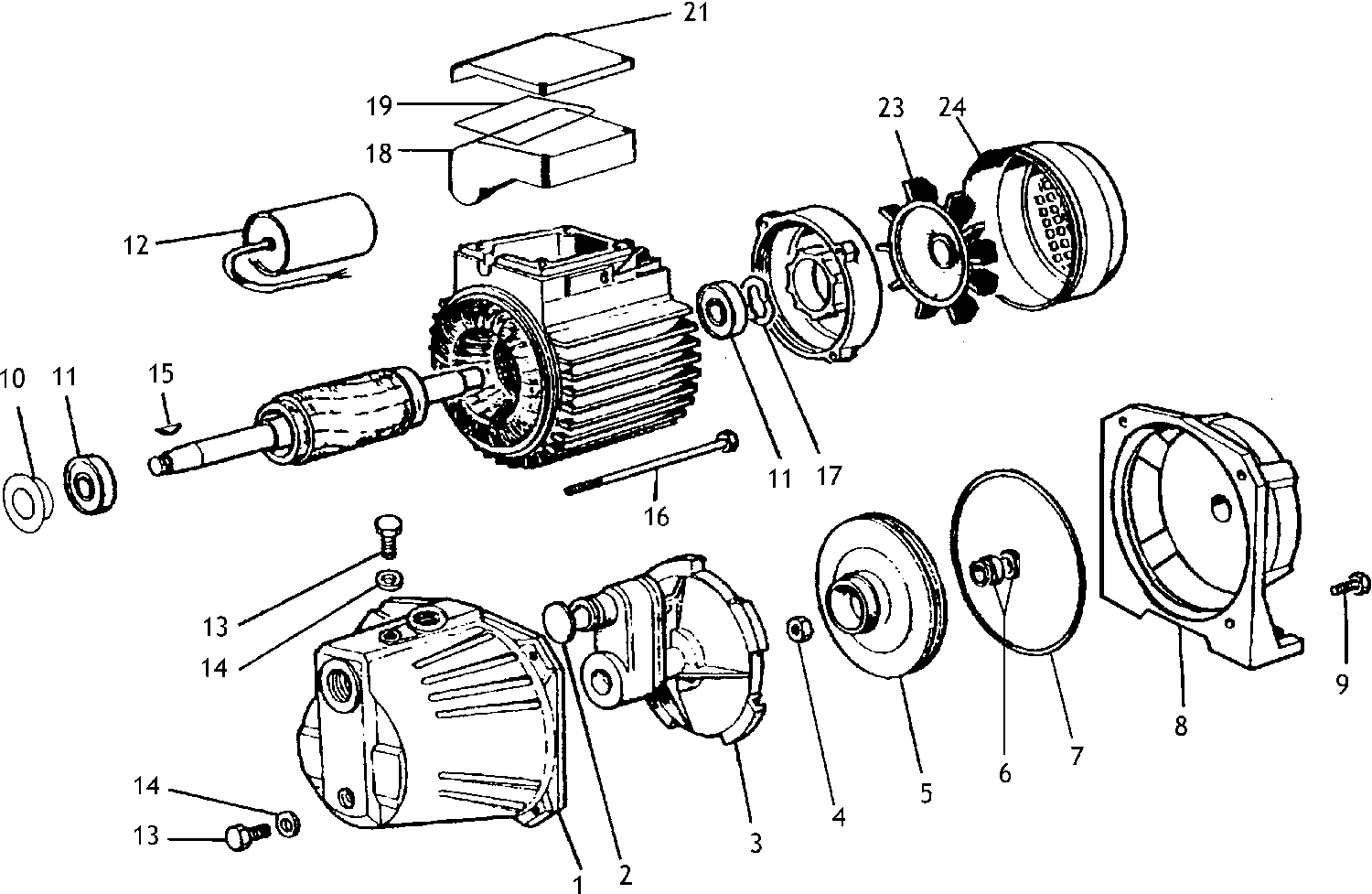
Technical drawing of model Metabo 0250400110-11 ( HWW4000-20G )
Spare parts list of model Metabo 0250400110-11 ( HWW4000-20G )
| Pos. | Description | Price excl. VAT | Price incl. VAT | |
| Prices shown include VAT | ||||
| P3000G pump housing | ||||
| 1 | 1340700119 | 43.15 | 52.21 | |
| No longer available, no replacement | ||||
| 2 | 7632700126 | |||
| VENTURI DIFFUSER P3000G | ||||
| 3 | 1349700138 | 21.64 | 26.18 | |
| No information available, not orderable | ||||
| 4 | 6202002313 | |||
| No longer available, no replacement | ||||
| 5 | 1349719254 | |||
| DRAG SEAL P3000G | ||||
| 6 | 1349700154 | 10.38 | 12.56 | |
| No information available, not orderable | ||||
| 7 | 7632149217 | |||
| Motor Base P3000G | ||||
| 8 | 1349700162 | 32.27 | 39.05 | |
| HEXAGONAL SCREW M 8X30 GALV. | ||||
| 9 | 6103031271 | 1.56 | 1.89 | |
| Oil Seal P3000G | ||||
| 10 | 1349700235 | 1.56 | 1.89 | |
| Ball bearing 15X35X11 6202-2RS1 | ||||
| 11 | 7100067433 | 8.89 | 10.76 | |
| No longer available, no replacement | ||||
| 12 | 8050718906 | |||
| No longer available, no replacement | ||||
| 13 | 6109700280 | |||
| No longer available, no replacement | ||||
| 14 | 7632700274 | |||
| INSERT KEY A 4X4X10 ET | ||||
| 15 | 6721152349 | 1.55 | 1.88 | |
| Motor Pull Rod M5X136 P3000G | ||||
| 16 | 1349700197 | 1.56 | 1.89 | |
| No longer available, no replacement | ||||
| 17 | 1349148893 | |||
| No information available, not orderable | ||||
| 18 | 1349700200 | |||
| O-RING 142.1X1.78 70 SHORE | ||||
| 19 | 7632619159 | 1.67 | 2.02 | |
| Clamp Box Cover P3000G | ||||
| 21 | 1349700219 | 2.28 | 2.76 | |
| No longer available, no replacement | ||||
| 23 | 1341700180 | |||
| No information available, not orderable | ||||
| 24 | 1342700175 | |||
| PRESSURE SWITCH 1/4"IG (1.8/3.8 BAR) PS-0 | ||||
| 30 | 1349718924 | 48.48 | 58.66 | |
| Distribution piece 5-way | ||||
| 31 | 7871712597 | 18.80 | 22.75 | |
| No information available, not orderable | ||||
| 32 | 7823712477 | |||
| No longer available, no replacement | ||||
| 33 | 7853712501 | |||
| Pressure vessel 1"/ middle ET | ||||
| 34 | 1349712519 | 107.70 | 130.32 | |
| Gasket 30X23X3 ET | ||||
| 35 | 7631131454 | 3.02 | 3.65 | |
| No longer available, no replacement | ||||
| 36 | 1349676827 | |||
| No longer available, no replacement | ||||
| 37 | 1349718797 | |||
| No longer available, no replacement | ||||
| 38 | 7830712539 | |||
| Cover RD=7.1mm ET | ||||
| 39 | 1349712802 | 4.51 | 5.46 | |