Here you will find all available parts and drawings of the 'Metabo 02419000 ( BSP12PLUS )'. From here you can order all desired parts directly. Many parts must be ordered from the manufacturer, depending on the brand, this takes one to four weeks. All the information we have is on our website, we cannot advise you on what you need, for that you will need to return the machine for repair. Please note the following when ordering:
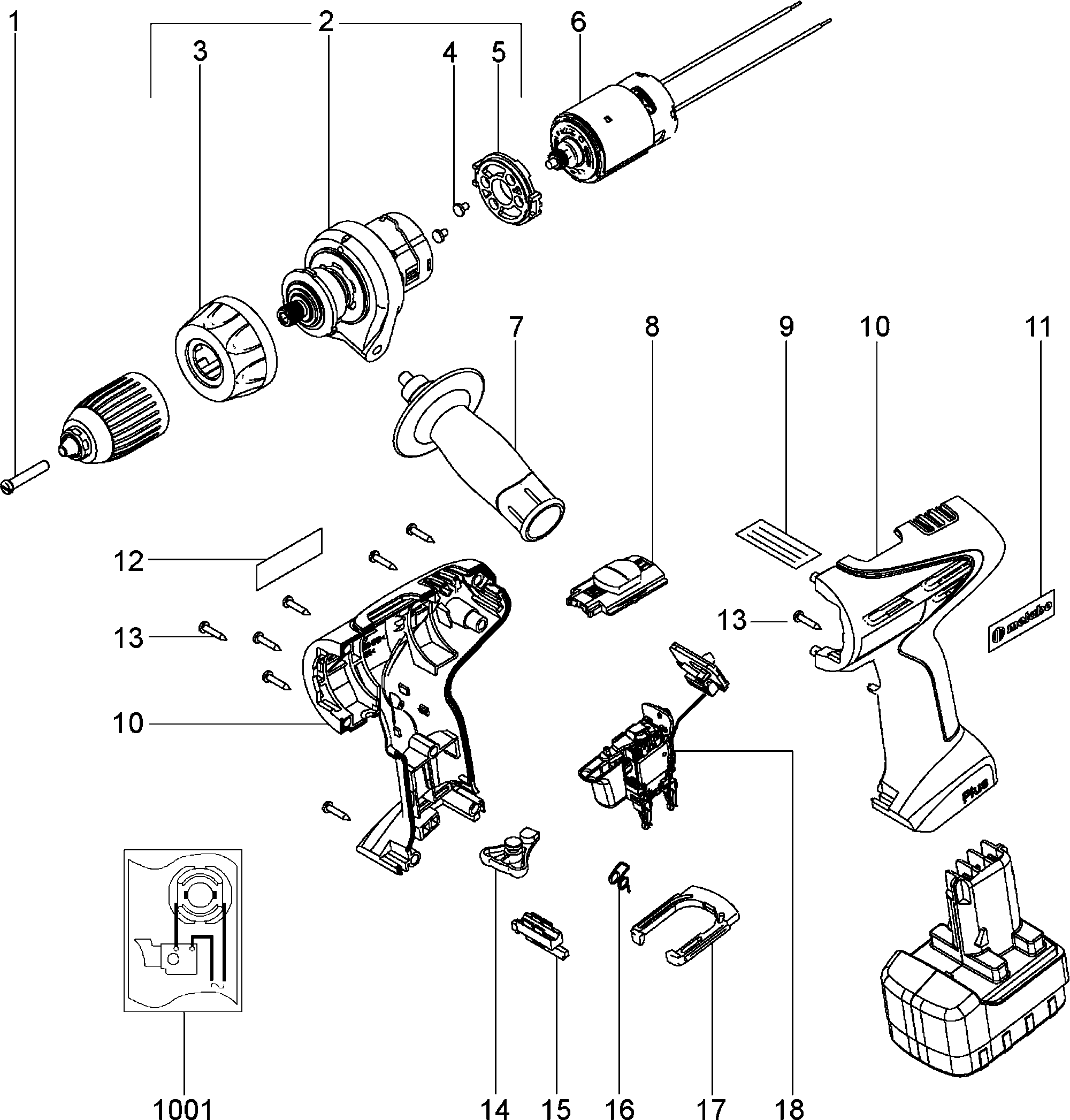
Technical drawing of model Metabo 02419000 ( BSP12PLUS )
Spare parts list of model Metabo 02419000 ( BSP12PLUS )
| Pos. | Description | Price excl. VAT | Price incl. VAT | |
| Prices shown include VAT | ||||
| Cilinderkopschroef | ||||
| 1 | 341701940 | 1.68 | 2.03 | |
| No information available, not orderable | ||||
| 2 | 316035260 | |||
| No information available, not orderable | ||||
| 3 | 315104250 | |||
| Fillister head screw | ||||
| 4 | 141119850 | 1.56 | 1.89 | |
| No information available, not orderable | ||||
| 5 | 343379430 | |||
| No information available, not orderable | ||||
| 6 | 317003080 | |||
| Handgreep compl. | ||||
| 7 | 314000540 | 11.74 | 14.21 | |
| No information available, not orderable | ||||
| 8 | 343379220 | |||
| No information available, not orderable | ||||
| 9 | 399999990 | |||
| No information available, not orderable | ||||
| 10 | 343379180 | |||
| Metabo-plaatje | ||||
| 11 | 338118370 | 1.56 | 1.89 | |
| No information available, not orderable | ||||
| 12 | 338044010 | |||
| Self-tap. fill. h. screw | ||||
| 13 | 141113180 | 1.56 | 1.89 | |
| No information available, not orderable | ||||
| 14 | 316035280 | |||
| No information available, not orderable | ||||
| 15 | 343374350 | |||
| Thrust Spring | ||||
| 16 | 342021670 | 1.56 | 1.89 | |
| No longer available, no replacement | ||||
| 17 | 343374940 | |||
| No information available, not orderable | ||||
| 18 | 343407450 | |||