Here you will find all available parts and drawings of the 'Hikoki WH14DY'. From here you can order all desired parts directly. Many parts must be ordered from the manufacturer, depending on the brand, this takes one to four weeks. All the information we have is on our website, we cannot advise you on what you need, for that you will need to return the machine for repair. Please note the following when ordering:
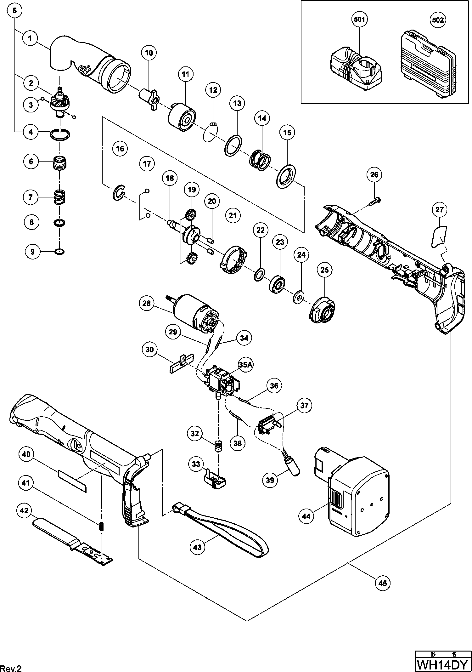
Technical drawing of model Hikoki WH14DY
Spare parts list of model Hikoki WH14DY
| Pos. | Description | Price excl. VAT | Price incl. VAT | |
| Prices shown include VAT | ||||
| Hammer Case | ||||
| 1 | 329672 | 20.90 | 25.29 | |
| Final Gear | ||||
| 2 | 330624 | 15.40 | 18.63 | |
| STEEL BALL D3,5 (10 pieces) | ||||
| 3 | 319535 | 1.65 | 2.00 | |
| Retaining Ring For D28 Hole (10 Pcs.) | ||||
| 4 | 939555 | 4.35 | 5.26 | |
| Hammer Case Set Includ.1,2,4 | ||||
| 5 | 330623 | 36.16 | 43.76 | |
| Guide Bush | ||||
| 6 | 322717 | 3.30 | 3.99 | |
| Guide Spring (c) | ||||
| 7 | 330617 | 1.05 | 1.27 | |
| Washer (d) | ||||
| 8 | 330618 | 1.05 | 1.27 | |
| Washer Spring | ||||
| 9 | 330619 | 1.05 | 1.27 | |
| No information available, not orderable | ||||
| 10 | 329660 | |||
| No information available, not orderable | ||||
| 11 | 329665 | |||
| Steel Ball D3.175 (10 Pcs.) | ||||
| 12 | 959148 | 1.05 | 1.27 | |
| Washer (j) | ||||
| 13 | 329617 | 1.05 | 1.27 | |
| Hammer Spring | ||||
| 14 | 329658 | 2.10 | 2.54 | |
| Washer (s) | ||||
| 15 | 329614 | 2.10 | 2.54 | |
| Stopper (b) | ||||
| 16 | 329613 | 1.05 | 1.27 | |
| Steel Ball D4.76 (10 pieces) | ||||
| 17 | 959149 | 1.04 | 1.26 | |
| No information available, not orderable | ||||
| 18 | 329659 | |||
| Idle Gear Set (2 Pcs.) | ||||
| 19 | 329611 | 11.40 | 13.79 | |
| Needle Roller | ||||
| 20 | 329612 | 1.05 | 1.27 | |
| Ring Gear | ||||
| 21 | 329610 | 3.15 | 3.81 | |
| Ring | ||||
| 22 | 319911 | 1.65 | 2.00 | |
| No information available, not orderable | ||||
| 23 | 6901VV | |||
| VILTRING | ||||
| 24 | 329518 | 1.50 | 1.82 | |
| No information available, not orderable | ||||
| 25 | 329657 | |||
| Tapping Screw (w/flange) D4x20 (black) | ||||
| 26 | 301653 | 1.04 | 1.26 | |
| No longer available, no replacement | ||||
| 28 | 329669 | |||
| Connector Cable (black) 57l | ||||
| 29 | 329671 | 1.80 | 2.18 | |
| Pushing Button | ||||
| 30 | 329656 | 1.05 | 1.27 | |
| Spring (s) | ||||
| 32 | 330621 | 1.05 | 1.27 | |
| No information available, not orderable | ||||
| 33 | 330622 | |||
| Connector Cable (red) 36l | ||||
| 34 | 329670 | 1.80 | 2.18 | |
| Switch | ||||
| 35A | 330853 | 22.83 | 27.62 | |
| Connector Cable (red) 26l | ||||
| 36 | 329679 | 1.05 | 1.27 | |
| No information available, not orderable | ||||
| 37 | 329678 | |||
| Internal Wire (black) 52l | ||||
| 38 | 329680 | 1.05 | 1.27 | |
| No information available, not orderable | ||||
| 39 | 329677 | |||
| Spring | ||||
| 41 | 329655 | 1.05 | 1.27 | |
| Switch Lever Wh14dcal | ||||
| 42 | 329654 | 11.85 | 14.34 | |
| Strap (black) | ||||
| 43 | 306952 | 4.05 | 4.90 | |
| No information available, not orderable | ||||
| 44 | 315130 | |||
| No longer available, no replacement | ||||
| 45 | 329676 | |||
| No information available, not orderable | ||||
| 502 | 329674 | |||
| No information available, not orderable | ||||
| 601 | 321823 | |||
| Grease (attolub Ms No.2) 500g | ||||
| 602 | 309922 | 73.01 | 88.35 | |
| No information available, not orderable | ||||
| 603 | 992671 | |||
| No information available, not orderable | ||||
| 604 | 992672 | |||
| No information available, not orderable | ||||
| 605 | 996177 | |||
| No longer available, no replacement | ||||
| 606 | 985329 | |||
| No information available, not orderable | ||||
| 607 | 996178 | |||
| No information available, not orderable | ||||
| 608 | 996179 | |||
| No information available, not orderable | ||||
| 609 | 996180 | |||
| No information available, not orderable | ||||
| 610 | 996185 | |||
| No information available, not orderable | ||||
| 611 | 996181 | |||
| No information available, not orderable | ||||
| 612 | 996182 | |||
| No information available, not orderable | ||||
| 613 | 996186 | |||
| No information available, not orderable | ||||
| 614 | 996197 | |||
| No information available, not orderable | ||||
| 615 | 996184 | |||
| No information available, not orderable | ||||
| 616 | 987575 | |||
| No information available, not orderable | ||||
| 617 | 930119 | |||
| No information available, not orderable | ||||
| 618 | 307543 | |||