Here you will find all available parts and drawings of the 'Hikoki WH14DSL'. From here you can order all desired parts directly. Many parts must be ordered from the manufacturer, depending on the brand, this takes one to four weeks. All the information we have is on our website, we cannot advise you on what you need, for that you will need to return the machine for repair. Please note the following when ordering:
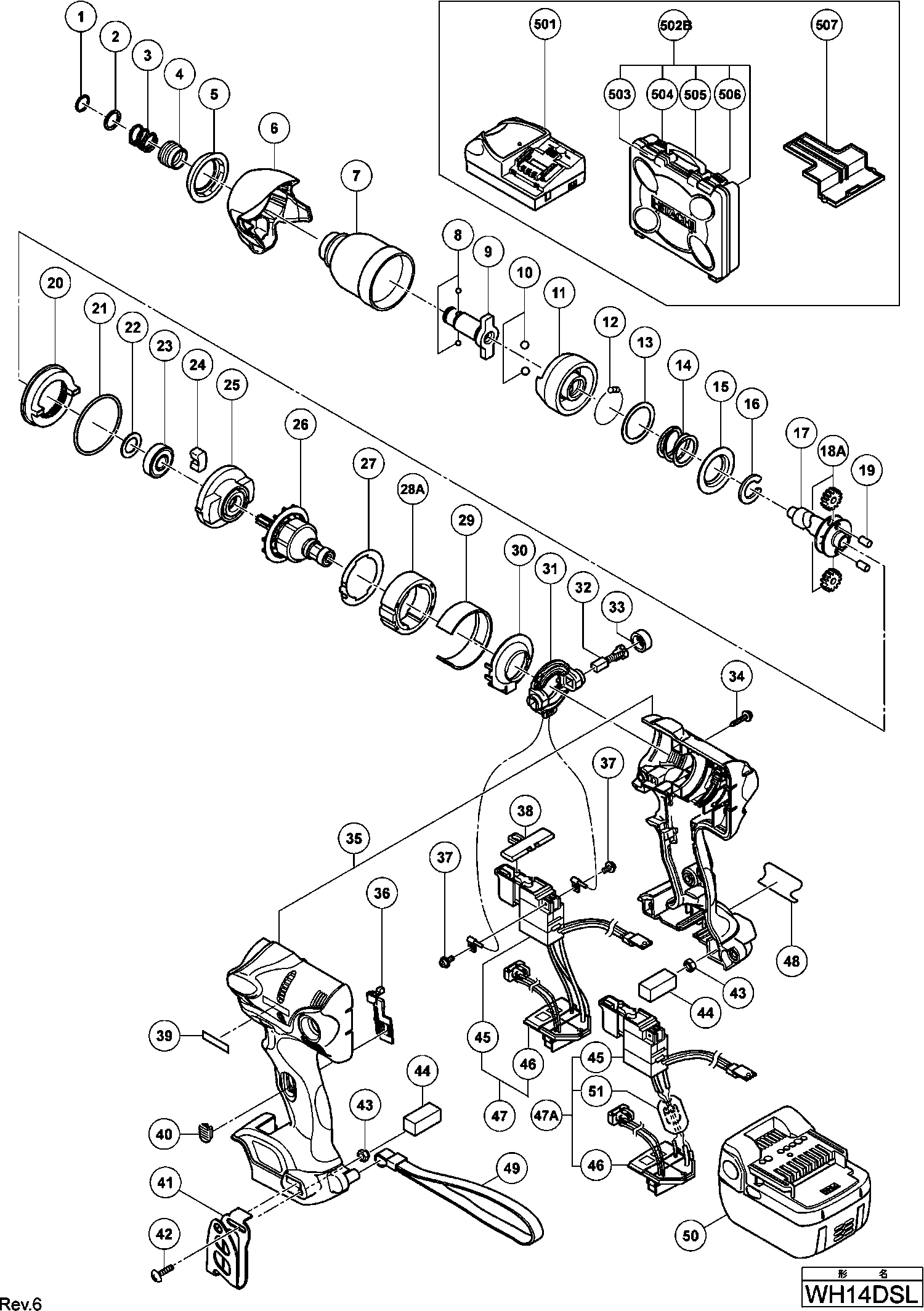
Technical drawing of model Hikoki WH14DSL
Spare parts list of model Hikoki WH14DSL
| Pos. | Description | Price excl. VAT | Price incl. VAT | |
| Prices shown include VAT | ||||
| Spring washer | ||||
| 1 | 315984 | 1.65 | 2.00 | |
| WASHER | ||||
| 2 | 315983 | 1.65 | 2.00 | |
| Guide Spring (OLD 322716) | ||||
| 3 | 321657 | 1.65 | 2.00 | |
| Guide Bush | ||||
| 4 | 322717 | 3.30 | 3.99 | |
| Front Cap | ||||
| 5 | 327766 | 1.80 | 2.18 | |
| Insulating Sleeve | ||||
| 6 | 327765 | 3.45 | 4.17 | |
| Front Case | ||||
| 7 | 327003 | 23.79 | 28.78 | |
| STEEL BALL D3,5 (10 pieces) | ||||
| 8 | 319535 | 1.65 | 2.00 | |
| Anvil (d) For Europe | ||||
| 9 | 329709 | 36.99 | 44.75 | |
| Steel Ball D5.556 (10 Pcs.) | ||||
| 10 | 959154 | 1.35 | 1.63 | |
| Hammer | ||||
| 11 | 326789 | 21.73 | 26.29 | |
| Steel Ball D3.175 (10 Pcs.) | ||||
| 12 | 959148 | 1.05 | 1.27 | |
| WASHER | ||||
| 13 | 315978 | 1.65 | 2.00 | |
| Hammer Spring | ||||
| 14 | 321660 | 3.30 | 3.99 | |
| Washer | ||||
| 15 | 316172 | 1.65 | 2.00 | |
| Stopper | ||||
| 16 | 316171 | 4.35 | 5.26 | |
| Spindle Ass'y | ||||
| 17 | 321666 | 32.18 | 38.93 | |
| Idle Gear Set (2 Pcs.) | ||||
| 18A | 326295 | 21.31 | 25.79 | |
| Needle Roller | ||||
| 19 | 319914 | 1.65 | 2.00 | |
| Ring Gear | ||||
| 20 | 326787 | 13.89 | 16.80 | |
| O-Ring (s-42) | ||||
| 21 | 983852 | 1.95 | 2.36 | |
| Ring | ||||
| 22 | 319911 | 1.65 | 2.00 | |
| Ball Bearing 6901vv-n | ||||
| 23 | 323118 | 6.75 | 8.17 | |
| Damper | ||||
| 24 | 319909 | 4.80 | 5.81 | |
| Inner Cover | ||||
| 25 | 326786 | 1.80 | 2.18 | |
| Armature Set Dc 14.4v | ||||
| 26 | 360752 | 64.76 | 78.36 | |
| Side Yoke (old 321659) | ||||
| 27 | 323327 | 1.65 | 2.00 | |
| Magnet (m) | ||||
| 28A | 334899 | 100.65 | 121.79 | |
| Clamp | ||||
| 29 | 324828 | 3.45 | 4.17 | |
| Dust Guard Fin (c) | ||||
| 30 | 324830 | 1.80 | 2.18 | |
| Brush Block | ||||
| 31 | 321662 | 10.95 | 13.25 | |
| Carbon Brush 5x6x11.5 (1 Pair) | ||||
| 32 | 999054 | 6.45 | 7.80 | |
| Brush Cap | ||||
| 33 | 319918 | 3.30 | 3.99 | |
| Tapping Screw (w/flange) D4x20 (black) | ||||
| 34 | 301653 | 1.04 | 1.26 | |
| Housing (a).(b)set (green) Includ.33,37 | ||||
| 35 | 329710 | 36.99 | 44.75 | |
| Housing (a).(b)set (white) Includ.33,37 | ||||
| 35 | 329827 | 36.99 | 44.75 | |
| Lever(c) | ||||
| 36 | 326782 | 1.80 | 2.18 | |
| Machine Screw (w/sp. Washer) M3x5 | ||||
| 37 | 994532 | 1.04 | 1.26 | |
| Pushing Button (a) | ||||
| 38 | 321661 | 1.65 | 2.00 | |
| No information available, not orderable | ||||
| 40 | 326783 | |||
| No longer available, no replacement | ||||
| 41 | 326790 | |||
| Truss Hd. Screw M4 (black) | ||||
| 42 | 327001 | 1.80 | 2.18 | |
| Lock Nut M4 (black) | ||||
| 43 | 327002 | 1.80 | 2.18 | |
| Gasket | ||||
| 44 | 327004 | 1.80 | 2.18 | |
| Switch | ||||
| 45 | 326784 | 73.98 | 89.51 | |
| No information available, not orderable | ||||
| 46 | 329708 | |||
| No information available, not orderable | ||||
| 47 | 329707 | |||
| Switch Ass'y Includ.42,43,48 Since 3.2012 For Eur | ||||
| 47A | 334874 | 88.41 | 106.98 | |
| Strap (black) | ||||
| 49 | 306952 | 4.05 | 4.90 | |
| No information available, not orderable | ||||
| 50 | 329083 | |||
| Ferrite Support Set Since 3.2012 For Europe | ||||
| 51 | 334873 | 4.20 | 5.08 | |
| No information available, not orderable | ||||
| 502B | 329440 | |||
| No information available, not orderable | ||||
| 503 | 324093 | |||
| No information available, not orderable | ||||
| 504 | 324096 | |||
| Lever | ||||
| 505 | 324090 | 3.45 | 4.17 | |
| No information available, not orderable | ||||
| 506 | 324099 | |||
| Battery Cover | ||||
| 507 | 329897 | 1.80 | 2.18 | |
| No information available, not orderable | ||||
| 601 | 321823 | |||
| Grease (attolub Ms No.2) 500g | ||||
| 602 | 309922 | 73.01 | 88.35 | |
| No information available, not orderable | ||||
| 603 | 992671 | |||
| No information available, not orderable | ||||
| 604 | 992672 | |||
| No information available, not orderable | ||||
| 605 | 996177 | |||
| No longer available, no replacement | ||||
| 606 | 985329 | |||
| No information available, not orderable | ||||
| 607 | 996178 | |||
| No information available, not orderable | ||||
| 608 | 996179 | |||
| No information available, not orderable | ||||
| 609 | 996180 | |||
| No information available, not orderable | ||||
| 610 | 996185 | |||
| No information available, not orderable | ||||
| 611 | 996181 | |||
| No information available, not orderable | ||||
| 612 | 996182 | |||
| No information available, not orderable | ||||
| 613 | 996186 | |||
| No information available, not orderable | ||||
| 614 | 996197 | |||
| No information available, not orderable | ||||
| 615 | 996184 | |||
| No information available, not orderable | ||||
| 616 | 987575 | |||
| No information available, not orderable | ||||
| 617 | 930119 | |||
| No information available, not orderable | ||||
| 618 | 307543 | |||
| No information available, not orderable | ||||
| 619 | 306927 | |||