Here you will find all available parts and drawings of the 'Hikoki SB8V2'. From here you can order all desired parts directly. Many parts must be ordered from the manufacturer, depending on the brand, this takes one to four weeks. All the information we have is on our website, we cannot advise you on what you need, for that you will need to return the machine for repair. Please note the following when ordering:
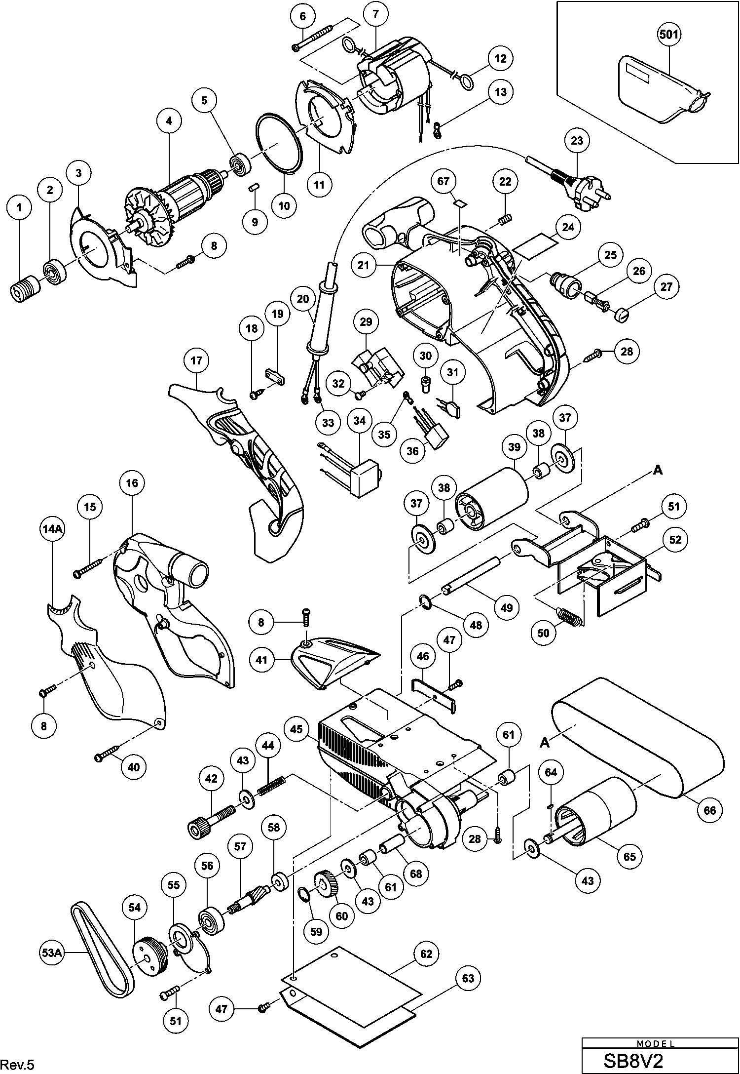
Technical drawing of model Hikoki SB8V2
Spare parts list of model Hikoki SB8V2
| Pos. | Description | Price excl. VAT | Price incl. VAT | |
| Prices shown include VAT | ||||
| connecting terminal | ||||
| *13 | 980063 | 1.04 | 1.26 | |
| Cord Armor D10.7 | ||||
| *20 | 940778 | 2.10 | 2.54 | |
| Cable gland D8.2 (old 958049z) | ||||
| *20 | 958049 | 1.04 | 1.26 | |
| SNOER 2.5M 2 X 1.0 H05VV-F W/PLUG 13A/250V (OLD 50 | ||||
| *23 | 500423Z | 12.87 | 15.57 | |
| Cord (cord Armor D8.8) For Pan | ||||
| *23 | 500447Z | 6.60 | 7.99 | |
| SNOER 10.7 (USE 714500=2X1 5M) | ||||
| *23 | 500247Z | 6.18 | 7.48 | |
| No information available, not orderable | ||||
| *34 | 327757 | |||
| Armature 230v | ||||
| *4 | 360797E | 57.89 | 70.04 | |
| No information available, not orderable | ||||
| *501 | 323011M | |||
| No information available, not orderable | ||||
| *66 | 939735 | |||
| No information available, not orderable | ||||
| *7 | 340700H | |||
| Pulley (a) | ||||
| 1 | 327742 | 8.10 | 9.80 | |
| Ball Bearing 6000vvcmps2l | ||||
| 2 | 6000VV | 6.15 | 7.44 | |
| Dust Extraction | ||||
| 3 | 327739 | 3.00 | 3.63 | |
| Armature 230v | ||||
| 4 | 360797E | 57.89 | 70.04 | |
| Ball Bearing 608vvc2ps2l | ||||
| 5 | 608VVM | 5.70 | 6.90 | |
| Hex. Hd. Tapping Screw D5x55 | ||||
| 6 | 953174 | 1.04 | 1.26 | |
| Stator 220v-230v | ||||
| 7 | 340700G | 61.46 | 74.37 | |
| VELD 110 VOLT | ||||
| 7 | 340700J | 57.42 | 69.48 | |
| Machine Screw (w/washers) M4x12 (black) Till 8.20 | ||||
| 8 | 935196 | 1.04 | 1.26 | |
| RUBBER PEN | ||||
| 9 | 931701 | 1.05 | 1.27 | |
| Dust Plate | ||||
| 10 | 328209 | 3.00 | 3.63 | |
| Fan Guide | ||||
| 11 | 327738 | 1.95 | 2.36 | |
| Brush Terminal | ||||
| 12 | 930703 | 2.40 | 2.90 | |
| connecting terminal | ||||
| 13 | 980063 | 1.04 | 1.26 | |
| Belt Cover | ||||
| 14A | 328433 | 4.80 | 5.81 | |
| Belt Cover | ||||
| 14C | 328433 | 4.80 | 5.81 | |
| Tapping Screw (w/flange) D5x45 | ||||
| 15 | 316321 | 1.65 | 2.00 | |
| Dust Cover | ||||
| 16 | 327740 | 26.40 | 31.94 | |
| Handle Cover | ||||
| 17 | 327760 | 14.55 | 17.61 | |
| No information available, not orderable | ||||
| 18 | 984750 | |||
| Cord Clip | ||||
| 19 | 937631 | 1.04 | 1.26 | |
| Cord Armor D10.7 | ||||
| 20 | 940778 | 2.10 | 2.54 | |
| Cable gland D8.2 (old 958049z) | ||||
| 20 | 958049 | 1.04 | 1.26 | |
| Housing | ||||
| 21 | 327759 | 63.25 | 76.53 | |
| Hex Adjustment Screw M5x8 | ||||
| 22 | 938477 | 1.05 | 1.27 | |
| SNOER 2.5M 2 X 1.0 H05VV-F W/PLUG 13A/250V (OLD 50 | ||||
| 23 | 500423Z | 12.87 | 15.57 | |
| Cord (cord Armor D8.8) For Saf | ||||
| 23 | 500237Z | 11.40 | 13.79 | |
| Cord (cord Armor D8.8) For Pan | ||||
| 23 | 500447Z | 6.60 | 7.99 | |
| SNOER 10.7 (USE 714500=2X1 5M) | ||||
| 23 | 500247Z | 6.18 | 7.48 | |
| Brush Holder | ||||
| 25 | 958900 | 6.45 | 7.80 | |
| Carbon Brush (1 Pair) | ||||
| 26 | 999043 | 4.50 | 5.44 | |
| Brush Cap | ||||
| 27 | 945161 | 1.20 | 1.45 | |
| Tapping Screw (w/flange) D4x16 (black) | ||||
| 28 | 305812 | 1.04 | 1.26 | |
| Switch | ||||
| 29 | 325085 | 9.90 | 11.98 | |
| Switch | ||||
| 29A | 339021 | 9.90 | 11.98 | |
| Connector 50091 (10 Pcs.) | ||||
| 30 | 959140 | 3.30 | 3.99 | |
| Varistor | ||||
| 31 | 328432 | 3.00 | 3.63 | |
| Machine Screw (w/washer) M3.5x6 | ||||
| 32 | 305499 | 1.05 | 1.27 | |
| connecting terminal | ||||
| 33 | 980063 | 1.04 | 1.26 | |
| Controller 220v-240v | ||||
| 34 | 327758 | 42.08 | 50.91 | |
| REGELAAR 100-110 VOLT | ||||
| 34 | 327753 | 39.27 | 47.52 | |
| REGELAAR 220-240 VOLT (OUD 327758) | ||||
| 34A | 382992 | 15.51 | 18.77 | |
| REGELAAR 100-110 VOLT (OUD 327753) | ||||
| 34A | 382873 | 11.33 | 13.71 | |
| Terminal For Noise Suppressor | ||||
| 35 | 938108 | 1.20 | 1.45 | |
| Capacitor | ||||
| 36 | 325566 | 9.00 | 10.89 | |
| Washer (b) | ||||
| 37 | 953184 | 10.95 | 13.25 | |
| Bushing | ||||
| 38 | 953175 | 1.65 | 2.00 | |
| Idle Pulley Ass'y Includ.38 | ||||
| 39 | 953160 | 16.36 | 19.80 | |
| Tapping Screw (w/flange) D4x30 (black) | ||||
| 40 | 305490 | 1.04 | 1.26 | |
| Clear Cover | ||||
| 41 | 327744 | 1.95 | 2.36 | |
| Adjusting Screw | ||||
| 42 | 319258 | 3.30 | 3.99 | |
| Washer (b) D19 | ||||
| 43 | 948213 | 1.05 | 1.27 | |
| Piston Washer | ||||
| 43A | 335794 | 1.20 | 1.45 | |
| Spring | ||||
| 44 | 953071 | 1.05 | 1.27 | |
| Frame | ||||
| 45 | 327745 | 57.89 | 70.04 | |
| Guide Piece | ||||
| 46 | 327746 | 1.95 | 2.36 | |
| Machine screw M4x10 (10 pieces) (OLD 949216Z) | ||||
| 47 | 949216 | 1.05 | 1.27 | |
| Spring Washer D10 (10 pieces) | ||||
| 48 | 939540 | 1.95 | 2.36 | |
| Spindle Ass'y | ||||
| 49 | 953162 | 4.50 | 5.44 | |
| Spring | ||||
| 50 | 953163 | 1.05 | 1.27 | |
| Machine Screw M4x14 (10 Pcs.) | ||||
| 51 | 949218 | 1.05 | 1.27 | |
| No information available, not orderable | ||||
| 52 | 327756 | |||
| BELT TENSIONER NEW | ||||
| 52B | 379379 | 6.06 | 7.33 | |
| Belt | ||||
| 53A | 330690 | 3.00 | 3.63 | |
| Pulley (b) | ||||
| 54 | 327749 | 16.09 | 19.47 | |
| Gear Cover | ||||
| 55 | 327748 | 3.90 | 4.72 | |
| Ball Bearing 6200vvcmps2l | ||||
| 56 | 6200VV | 6.15 | 7.44 | |
| Gear | ||||
| 57 | 327750 | 9.00 | 10.89 | |
| No information available, not orderable | ||||
| 58 | 935522 | |||
| Ball Bearing 608vvc2ps2l | ||||
| 58A | 608VVM | 5.70 | 6.90 | |
| Spring Washer D10 (10 pieces) | ||||
| 59 | 939540 | 1.95 | 2.36 | |
| Gear | ||||
| 60 | 953151 | 14.10 | 17.06 | |
| Bushing | ||||
| 61 | 953175 | 1.65 | 2.00 | |
| No information available, not orderable | ||||
| 62 | 327752 | |||
| No information available, not orderable | ||||
| 63 | 327751 | |||
| Feather Key 3x3x8 | ||||
| 64 | 944109 | 1.70 | 2.06 | |
| Drive Pulley | ||||
| 65 | 327747 | 26.40 | 31.94 | |
| No information available, not orderable | ||||
| 66 | 939735 | |||
| Dust Seal | ||||
| 67 | 328513 | 1.65 | 2.00 | |
| VILTROL | ||||
| 68 | 370075 | 1.00 | 1.21 | |
| No information available, not orderable | ||||
| 501 | 323011 | |||
| No information available, not orderable | ||||
| 601 | 939736 | |||
| No information available, not orderable | ||||
| 602 | 939737 | |||
| No information available, not orderable | ||||
| 603 | 939738 | |||
| No information available, not orderable | ||||
| 604 | 939739 | |||
| No information available, not orderable | ||||
| 605 | 939740 | |||
| No information available, not orderable | ||||
| 606 | 939741 | |||
| No information available, not orderable | ||||
| 607 | 939742 | |||
| No information available, not orderable | ||||
| 608 | 939743 | |||
| No information available, not orderable | ||||
| 609 | 939744 | |||
| No information available, not orderable | ||||
| 610 | 939745M | |||
| No information available, not orderable | ||||
| 611 | 939746M | |||
| No information available, not orderable | ||||
| 612 | 939747M | |||
| No information available, not orderable | ||||
| 613 | 939748M | |||
| No information available, not orderable | ||||
| 614 | 939749M | |||