Here you will find all available parts and drawings of the 'Hikoki NU-DH4'. From here you can order all desired parts directly. Many parts must be ordered from the manufacturer, depending on the brand, this takes one to four weeks. All the information we have is on our website, we cannot advise you on what you need, for that you will need to return the machine for repair. Please note the following when ordering:
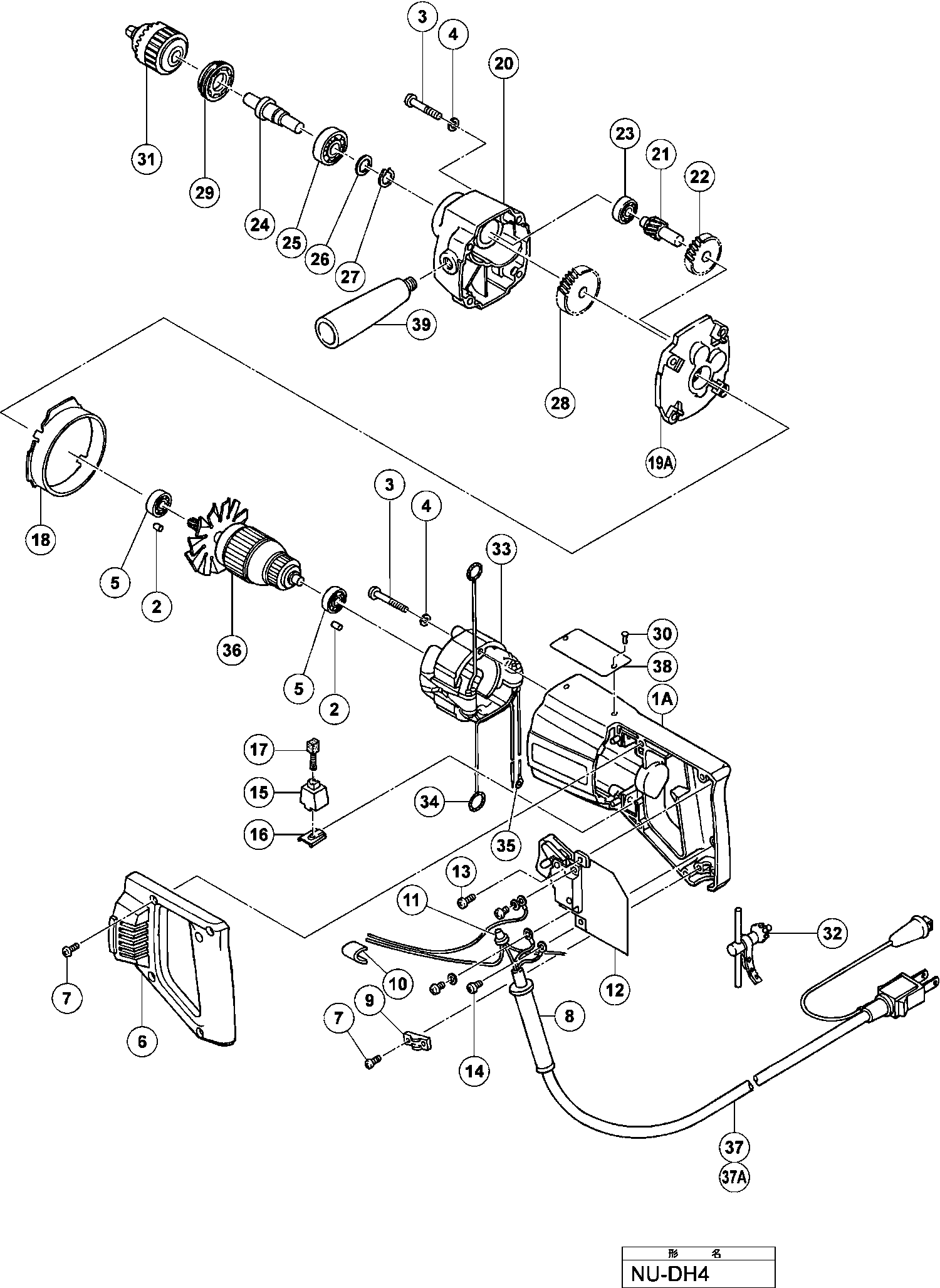
Technical drawing of model Hikoki NU-DH4
Spare parts list of model Hikoki NU-DH4
| Pos. | Description | Price excl. VAT | Price incl. VAT | |
| Prices shown include VAT | ||||
| No information available, not orderable | ||||
| 1A | 980380 | |||
| RUBBER PEN | ||||
| 2 | 931701 | 1.05 | 1.27 | |
| RUBBER PEN | ||||
| 2A | 931701 | 1.05 | 1.27 | |
| Machine Screw M5x35 (10 Pcs.) | ||||
| 3 | 949247 | 1.65 | 2.00 | |
| Spring Washer M5 (10 pieces) | ||||
| 4 | 949454 | 1.04 | 1.26 | |
| Ball Bearing 608vvc2ps2l | ||||
| 5 | 608VVM | 5.70 | 6.90 | |
| No information available, not orderable | ||||
| 6 | 980381 | |||
| Machine Screw M4x14 (10 Pcs.) | ||||
| 7 | 949218 | 1.05 | 1.27 | |
| Cord Armor D8.8 | ||||
| 8 | 380090 | 1.04 | 1.26 | |
| Cord Armor D10.1 | ||||
| 8 | 938051 | 1.04 | 1.26 | |
| Cord Clip | ||||
| 9 | 937631 | 1.04 | 1.26 | |
| No information available, not orderable | ||||
| 10 | 950744 | |||
| Connector 50091 (10 Pcs.) | ||||
| 11 | 959140 | 3.30 | 3.99 | |
| Switch | ||||
| 12 | 930244 | 20.21 | 24.46 | |
| Machine Screw M4x6 (10 Pcs.) | ||||
| 13 | 949214 | 1.05 | 1.27 | |
| No information available, not orderable | ||||
| 14 | 949292 | |||
| No information available, not orderable | ||||
| 15 | 931745 | |||
| No information available, not orderable | ||||
| 16 | 930204 | |||
| Carbon Brush (1 Pair) | ||||
| 17 | 999041 | 4.50 | 5.44 | |
| No information available, not orderable | ||||
| 18 | 930329 | |||
| Inner Cover | ||||
| 19A | 980403 | 5.40 | 6.53 | |
| No information available, not orderable | ||||
| 20 | 980400 | |||
| No information available, not orderable | ||||
| 21 | 930367 | |||
| EERSTE TANDWIEL | ||||
| 22 | 930368 | 3.48 | 4.21 | |
| Ball Bearing 608vvc2ps2l | ||||
| 23 | 608VVM | 5.70 | 6.90 | |
| No information available, not orderable | ||||
| 24 | 930373 | |||
| Ball Bearing 6201vv | ||||
| 25 | 6201VV | 6.45 | 7.80 | |
| Ring | ||||
| 26 | 930334 | 1.05 | 1.27 | |
| Spring Washer D12 (10 pieces) | ||||
| 27 | 939542 | 1.50 | 1.82 | |
| No information available, not orderable | ||||
| 28 | 930370 | |||
| Bearing Cap | ||||
| 29 | 930214 | 3.60 | 4.36 | |
| NAGEL D2.5X3.2 (10 STKS.) | ||||
| 30 | 949509 | 1.00 | 1.21 | |
| No information available, not orderable | ||||
| 31 | 321809 | |||
| No information available, not orderable | ||||
| 32 | 930119 | |||
| No information available, not orderable | ||||
| 33 | 980402F | |||
| Brush Terminal | ||||
| 34 | 931867 | 1.05 | 1.27 | |
| Terminal (a) M3.5 (10 Pcs.) | ||||
| 35 | 960356 | 3.00 | 3.63 | |
| No information available, not orderable | ||||
| 36 | 930363F | |||
| Cord | ||||
| 37 | 500243Z | 18.15 | 21.96 | |
| No information available, not orderable | ||||
| 37A | 500427Z | |||
| No information available, not orderable | ||||
| 39 | 954021 | |||