Here you will find all available parts and drawings of the 'Hikoki HTD-2530PF'. From here you can order all desired parts directly. Many parts must be ordered from the manufacturer, depending on the brand, this takes one to four weeks. All the information we have is on our website, we cannot advise you on what you need, for that you will need to return the machine for repair. Please note the following when ordering:
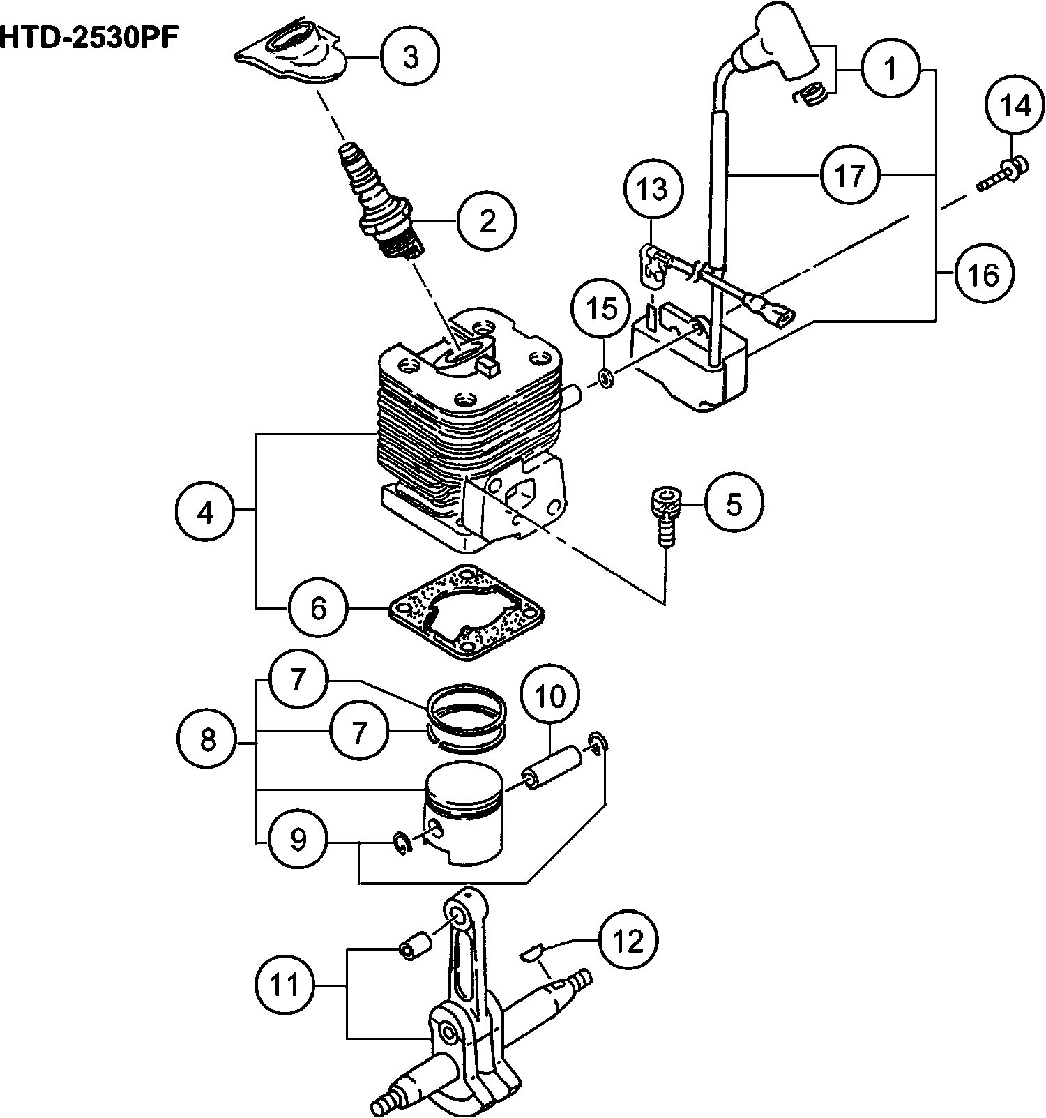
Technical drawing of model Hikoki HTD-2530PF
Spare parts list of model Hikoki HTD-2530PF
| Pos. | Description | Price excl. VAT | Price incl. VAT | |
| Prices shown include VAT | ||||
| Plug Cap | ||||
| 1 | 6684894 | 8.58 | 10.38 | |
| Spark Plug Ass'y Rcj8y | ||||
| 2 | 6699328 | 3.30 | 3.99 | |
| No information available, not orderable | ||||
| 3 | 6688334 | |||
| Cylinder Set | ||||
| 4 | 6685462 | 66.40 | 80.34 | |
| Hex.hole Bolt M5x18/s | ||||
| 5 | 6684586 | 2.15 | 2.60 | |
| Cylinder Gasket | ||||
| 6 | 6685728 | 1.15 | 1.39 | |
| Piston Ring | ||||
| 7 | 6684588 | 8.58 | 10.38 | |
| Piston Set (old 030-01680-90) | ||||
| 8 | 6685877 | 28.14 | 34.05 | |
| Circlip | ||||
| 9 | 6685078 | 1.15 | 1.39 | |
| Piston Pin | ||||
| 10 | 6686016 | 2.31 | 2.80 | |
| No longer available, no replacement | ||||
| 11 | 6686176 | |||
| Woodruff Key 3x13x4.5 Till B023800 | ||||
| 12 | 6684899 | 2.15 | 2.60 | |
| No information available, not orderable | ||||
| 13 | 6687840 | |||
| Hex. Hole Bolt M4x18/ws Till H124040 | ||||
| 14 | 6684599 | 2.15 | 2.60 | |
| Washer T1.6 | ||||
| 15 | 6684600 | 2.15 | 2.60 | |
| No information available, not orderable | ||||
| 16 | 6687704 | |||
| No information available, not orderable | ||||
| 17 | 6688316 | |||
| Gear Shaft Shim 0.20 | ||||
| 31 | 6684604 | 2.15 | 2.60 | |
| Gear Shaft Shim 0.30 | ||||
| 31 | 6684605 | 2.15 | 2.60 | |
| Gear shaft shim 0.10 (old 330-00200-21) | ||||
| 31 | 6689177 | 1.15 | 1.39 | |
| Gear shaft shim 0.15 (old 330-00200-22) | ||||
| 31 | 6689178 | 1.15 | 1.39 | |
| No longer available, no replacement | ||||
| 32 | 6688047 | |||
| No longer available, no replacement | ||||
| 33 | 6686529 | |||
| Oil Seal | ||||
| 34 | 6684607 | 4.29 | 5.19 | |
| Ball Bearing 6001 C3 | ||||
| 35 | 6684608 | 3.80 | 4.60 | |
| No longer available, no replacement | ||||
| 36 | 6686705 | |||
| Stud Bolt 6x22 | ||||
| 37 | 6686771 | 1.15 | 1.39 | |
| Hex. Socket Hd. Bolt M5x30 S | ||||
| 38 | 6684786 | 2.15 | 2.60 | |
| Screw 5x45s | ||||
| 39 | 6695350 | 1.15 | 1.39 | |
| Hex. Hole Bolt 5x45 | ||||
| 39A | 6695055 | 1.15 | 1.39 | |
| Spring Washer 5 | ||||
| 40 | 6684834 | 2.15 | 2.60 | |
| Magneto Rotor Comp. | ||||
| 41 | 6687418 | 28.14 | 34.05 | |
| Ring | ||||
| 42 | 6684971 | 1.04 | 1.26 | |
| Bolt Washer M8 | ||||
| 43 | 6684611 | 2.15 | 2.60 | |
| Hex. Nut M8 | ||||
| 44 | 6684612 | 2.15 | 2.60 | |
| Intake Manifold Gasket | ||||
| 51 | 6689874 | 2.31 | 2.80 | |
| No information available, not orderable | ||||
| 52 | 6689937 | |||
| Hex. Hole Bolt M5x25ws | ||||
| 53 | 6695515 | 1.15 | 1.39 | |
| Carburetor Gasket | ||||
| 54 | 6689828 | 3.30 | 3.99 | |
| O-ring P-15 | ||||
| 55 | 6698966 | 1.04 | 1.26 | |
| Cleaner Body Comp. | ||||
| 56 | 6690119 | 4.45 | 5.38 | |
| Collar 7.5 | ||||
| 57 | 6690804 | 1.15 | 1.39 | |
| No information available, not orderable | ||||
| 58 | 6691261 | |||
| No information available, not orderable | ||||
| 59 | 6684658 | |||
| Blow Over Check Board | ||||
| 60 | 6690843 | 1.15 | 1.39 | |
| S.washer 5 | ||||
| 61 | 6684662 | 2.15 | 2.60 | |
| Screw M5x60 | ||||
| 62 | 6684660 | 2.15 | 2.60 | |
| Cleaner Sponge | ||||
| 63 | 6690364 | 1.15 | 1.39 | |
| Cleaner Cover | ||||
| 64 | 6690415 | 5.28 | 6.38 | |
| Special Screw | ||||
| 65 | 6689737 | 1.15 | 1.39 | |
| Carburetor Set Wyl139a | ||||
| 66 | 6690461 | 62.31 | 75.40 | |
| No information available, not orderable | ||||
| 67 | 6601195 | |||
| Clip,6.3 Dia. | ||||
| 68 | 6684619 | 2.15 | 2.60 | |
| No information available, not orderable | ||||
| 69 | 6684620 | |||
| No information available, not orderable | ||||
| 70 | 6699738 | |||
| Collar 5.8 Till G103930 | ||||
| 73 | 6692244 | 1.15 | 1.39 | |
| Hex. Hole Bolt 5x18ps | ||||
| 75 | 6695505 | 1.15 | 1.39 | |
| Swivel Cap Since C026901 | ||||
| 76 | 6691337 | 1.15 | 1.39 | |
| Priming Pump Comp. | ||||
| 77 | 6685139 | 5.94 | 7.18 | |
| Fuel Pipe 2.5x4x80 | ||||
| 78 | 6692347 | 1.15 | 1.39 | |
| Fuel Pipe 2.5x4x70 | ||||
| 79 | 6692346 | 1.15 | 1.39 | |
| Return Grommet Till 7.2014 | ||||
| 80 | 6697846 | 1.04 | 1.26 | |
| No information available, not orderable | ||||
| 82 | 6685049 | |||
| No information available, not orderable | ||||
| 83 | 6684625 | |||
| Muffler Protector | ||||
| 91 | 6692772 | 9.90 | 11.98 | |
| Hex. Hole Screw 6x55 | ||||
| 95 | 6695086 | 1.15 | 1.39 | |
| No information available, not orderable | ||||
| 96 | 6692646 | |||
| Fan Housing | ||||
| 97 | 6686957 | 16.79 | 20.31 | |
| Recoil Spring Till 7.2014 | ||||
| 98 | 6684675 | 11.55 | 13.98 | |
| Starter Rope Reel | ||||
| 99 | 6693066 | 3.30 | 3.99 | |
| Set Screw Till 7.2014 | ||||
| 100 | 6693633 | 1.15 | 1.39 | |
| Starter Pulley Assembly (old 798-06500-90 & 669340 | ||||
| 101 | 6693405 | 4.45 | 5.38 | |
| Primary Cord Grommet | ||||
| 102 | 6688049 | 1.15 | 1.39 | |
| Rope Till 7.2014 | ||||
| 103 | 6693168 | 2.31 | 2.80 | |
| Starter Handle | ||||
| 104 | 6693237 | 1.15 | 1.39 | |
| Hex. Hole Bolt 4x15/ps | ||||
| 105 | 6684682 | 2.15 | 2.60 | |
| No information available, not orderable | ||||
| 106 | 6692718 | |||
| Muffler Arrestor (old 732-04400-20) | ||||
| 107 | 6692696 | 2.31 | 2.80 | |
| Ring | ||||
| 108 | 6684661 | 2.15 | 2.60 | |
| No information available, not orderable | ||||
| 109 | 6695471 | |||
| Screw 5x8/s (old 994-14050-081) | ||||
| 110 | 6695332 | 1.05 | 1.27 | |
| Clutch | ||||
| 111 | 6688494 | 9.74 | 11.78 | |
| Tapping Screw 4.5x10 (old 990-73045-104) | ||||
| 112 | 6695104 | 1.15 | 1.39 | |
| Bolt 4x12ps | ||||
| 113 | 6695441 | 1.15 | 1.39 | |
| Starter Pawl Spring | ||||
| 114 | 6684684 | 4.29 | 5.19 | |
| Starter Pawl (old 788-06500-20) | ||||
| 115 | 6693319 | 2.31 | 2.80 | |
| Muffler Set For Europe | ||||
| 116 | 6692455 | 93.09 | 112.64 | |
| Ring | ||||
| 117 | 6684639 | 2.15 | 2.60 | |
| Throttle Set Screw | ||||
| 121 | 6684698 | 4.29 | 5.19 | |
| Swivel | ||||
| 122 | 6684697 | 6.44 | 7.79 | |
| Stop Ring | ||||
| 123 | 6684696 | 2.15 | 2.60 | |
| O-RING (old 550-25100-20) | ||||
| 124 | 6684695 | 4.29 | 5.19 | |
| Main Jet #35 | ||||
| 125 | 6691873 | 6.28 | 7.59 | |
| Pump Gasket (old 577-25100-20) | ||||
| 126 | 6691457 | 7.10 | 8.59 | |
| Pump Diaphragm | ||||
| 127 | 6684693 | 8.58 | 10.38 | |
| Inlet Screen | ||||
| 128 | 6684700 | 4.29 | 5.19 | |
| Pump Body Comp. | ||||
| 129 | 6691435 | 15.26 | 18.47 | |
| No longer available, no replacement | ||||
| 130 | 6685220 | |||
| Metering Diaphragm Comp. | ||||
| 131 | 6690830 | 11.88 | 14.37 | |
| Diaphragm Cover-metering | ||||
| 132 | 6685222 | 4.45 | 5.38 | |
| Set Screw | ||||
| 133 | 6691312 | 1.15 | 1.39 | |
| Gear Case Comp. Till D175950 For Europe | ||||
| 301 | 6688669 | 28.14 | 34.05 | |
| Gear Case Comp. | ||||
| 301A | 6688684 | 15.13 | 18.30 | |
| Stop Ring C-15, Outer | ||||
| 302 | 6695285 | 1.15 | 1.39 | |
| Ball Bearing #6002z | ||||
| 303 | 6695538 | 6.60 | 7.99 | |
| Ball Bearing #6002z | ||||
| 304 | 6695538 | 6.60 | 7.99 | |
| Clutch Drum Comp. | ||||
| 305 | 6688570 | 17.70 | 21.42 | |
| Gear Shaft | ||||
| 306 | 6688960 | 2.31 | 2.80 | |
| Guide Plate (old 075-33160-20) | ||||
| 307 | 6686612 | 1.15 | 1.39 | |
| Cam Rod | ||||
| 308 | 6686811 | 5.78 | 6.99 | |
| Gear 2 Till D175950 For Europe | ||||
| 309 | 6688974 | 26.16 | 31.66 | |
| Gear 2 Comp. | ||||
| 309A | 6688625 | 30.25 | 36.60 | |
| Gear Case Gasket (old 303-33160-20) | ||||
| 310 | 6688909 | 1.15 | 1.39 | |
| No information available, not orderable | ||||
| 311 | 6692100 | |||
| No longer available, no replacement | ||||
| 312 | 6687144 | |||
| Protection Plate | ||||
| 313 | 6687289 | 12.88 | 15.58 | |
| Hex Hole Flush Screw 6x16 | ||||
| 314 | 6695073 | 1.15 | 1.39 | |
| Hex. Hole Flush Bolt 6x25 | ||||
| 314A | 6695075 | 1.15 | 1.39 | |
| Cutter A (812l) | ||||
| 315 | 6687092 | 60.35 | 73.02 | |
| No longer available, no replacement | ||||
| 316 | 6686654 | |||
| No longer available, no replacement | ||||
| 317 | 6687187 | |||
| Bolt | ||||
| 318 | 6687158 | 1.15 | 1.39 | |
| Flange nut | ||||
| 319 | 6695170 | 1.15 | 1.39 | |
| Hex. Socket Hd. Bolt (w/sp.washer) M4x12 | ||||
| 320 | 6684595 | 2.15 | 2.60 | |
| COMPLETE GREASE NIPPLE (OLD 300-32250-80) | ||||
| 321 | 6688643 | 1.15 | 1.39 | |
| Hex. Hole Bolt 6x18/s | ||||
| 322 | 6695495 | 1.15 | 1.39 | |
| Support Plate | ||||
| 323 | 6690762 | 3.30 | 3.99 | |
| Lock Nut 6 Ups-p | ||||
| 324 | 6695175 | 1.15 | 1.39 | |
| Ring | ||||
| 325 | 6684639 | 2.15 | 2.60 | |
| Gear Case B For Europe | ||||
| 326 | 6688850 | 11.88 | 14.37 | |
| Cord Clamp Comp. | ||||
| 327 | 6688011 | 1.15 | 1.39 | |
| Spring Nut 6 | ||||
| 329 | 6695475 | 1.15 | 1.39 | |
| Support Plate Till D175950 For Europe | ||||
| 330 | 6690759 | 10.40 | 12.58 | |
| Hex. Hole Bolt 4x10s | ||||
| 331 | 6695484 | 1.15 | 1.39 | |
| Guard Plate | ||||
| 332 | 6687275 | 2.31 | 2.80 | |
| Ball Bearing 608 Zz C3 | ||||
| 333 | 6695547 | 3.30 | 3.99 | |
| Hex. Hole Bolt 4x10s | ||||
| 334 | 6695484 | 1.15 | 1.39 | |
| No information available, not orderable | ||||
| 501 | 6684813 | |||
| Combi. Box Spanner 10x19 ,plus | ||||
| 502 | 6685997 | 4.45 | 5.38 | |