Here you will find all available parts and drawings of the 'Hikoki GP10'. From here you can order all desired parts directly. Many parts must be ordered from the manufacturer, depending on the brand, this takes one to four weeks. All the information we have is on our website, we cannot advise you on what you need, for that you will need to return the machine for repair. Please note the following when ordering:
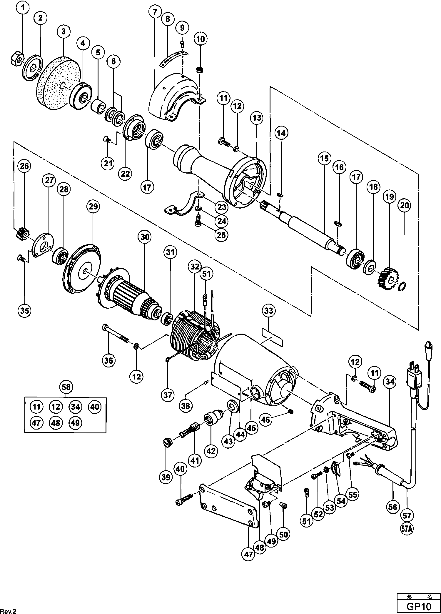
Technical drawing of model Hikoki GP10
Spare parts list of model Hikoki GP10
| Pos. | Description | Price excl. VAT | Price incl. VAT | |
| Prices shown include VAT | ||||
| No information available, not orderable | ||||
| 1 | 932828 | |||
| No information available, not orderable | ||||
| 2 | 932820 | |||
| No information available, not orderable | ||||
| 3 | 939126 | |||
| No information available, not orderable | ||||
| 4 | 932818 | |||
| No information available, not orderable | ||||
| 5 | 932817 | |||
| VILT PAKKING | ||||
| 6 | 936924 | 1.00 | 1.21 | |
| No information available, not orderable | ||||
| 7 | 932822 | |||
| No information available, not orderable | ||||
| 8 | 932836 | |||
| NAGEL D2.5X3.2 (10 STKS.) | ||||
| 9 | 949509 | 1.00 | 1.21 | |
| Tpe (sl),kor (sl) | ||||
| 10 | 949556 | 1.05 | 1.27 | |
| Machine Screw M5x25 (10 pieces) | ||||
| 11 | 949243 | 1.35 | 1.63 | |
| Spring Washer M5 (10 pieces) | ||||
| 12 | 949454 | 1.04 | 1.26 | |
| No information available, not orderable | ||||
| 13 | 932810 | |||
| INLEGSPIE 3X10 *TD5-1-2* | ||||
| 14 | 932819 | 1.26 | 1.52 | |
| No information available, not orderable | ||||
| 15 | 932811 | |||
| KEY PIN 3X13 | ||||
| 16 | 932815 | 1.35 | 1.63 | |
| Ball Bearing 6202vvcmps2l | ||||
| 17 | 6202VV | 7.05 | 8.53 | |
| No information available, not orderable | ||||
| 18 | 932813 | |||
| GEAR | ||||
| 19 | 932814 | 4.44 | 5.37 | |
| No information available, not orderable | ||||
| 20 | 932816 | |||
| FLAT HD. SCREW M4X14 (10 PCS.) | ||||
| 21 | 949324 | 1.00 | 1.21 | |
| No information available, not orderable | ||||
| 22 | 932812 | |||
| No information available, not orderable | ||||
| 23 | 932823 | |||
| Spring Washer M6 (old 949455z, 10 pcs) | ||||
| 24 | 949455 | 1.05 | 1.27 | |
| Machine Screw M6x16 (10 Pcs.) | ||||
| 25 | 949256 | 1.35 | 1.63 | |
| No information available, not orderable | ||||
| 26 | 932809 | |||
| No information available, not orderable | ||||
| 27 | 932808 | |||
| Ball Bearing 6200vvcmps2l | ||||
| 28 | 6200VV | 6.15 | 7.44 | |
| No information available, not orderable | ||||
| 29 | 932807 | |||
| No information available, not orderable | ||||
| 30 | 932806F | |||
| Ball Bearing 608vvc2ps2l | ||||
| 31 | 608VVM | 5.70 | 6.90 | |
| No information available, not orderable | ||||
| 32 | 932830F | |||
| No information available, not orderable | ||||
| 34 | 932803 | |||
| Flat Hd. Screw M4x8 (10 Pcs.) | ||||
| 35 | 949321 | 1.05 | 1.27 | |
| No information available, not orderable | ||||
| 36 | 943430 | |||
| Brush Terminal For Aus | ||||
| 37 | 930630 | 1.35 | 1.63 | |
| Rivet D2.5x4.8 (10 Pcs.) Three-phase | ||||
| 38 | 949510 | 1.04 | 1.26 | |
| Brush Cap | ||||
| 39 | 936551 | 1.05 | 1.27 | |
| Machine screw M4x10 (10 pieces) (OLD 949216Z) | ||||
| 40 | 949216 | 1.05 | 1.27 | |
| No longer available, no replacement | ||||
| 41 | 999021 | |||
| No information available, not orderable | ||||
| 42 | 936904 | |||
| No information available, not orderable | ||||
| 43 | 930605 | |||
| No information available, not orderable | ||||
| 45 | 983932 | |||
| SCHROEF M4X8 *TD5-5-4* | ||||
| 46 | 963383 | 1.00 | 1.21 | |
| No information available, not orderable | ||||
| 47 | 932804 | |||
| Switch | ||||
| 48 | 930244 | 20.21 | 24.46 | |
| Machine Screw M4x8 (10 Pcs.) | ||||
| 49 | 949215 | 1.05 | 1.27 | |
| Connector 50092 (10 Pcs.) | ||||
| 50 | 959141 | 3.75 | 4.54 | |
| Terminal (a) M3.5 (10 Pcs.) | ||||
| 51 | 960356 | 3.00 | 3.63 | |
| Machine Screw M4x12 (10 Pcs.) | ||||
| 52 | 949217 | 1.05 | 1.27 | |
| Spring Washer M4 (10 pieces) | ||||
| 53 | 949453 | 1.05 | 1.27 | |
| CORD CLIP | ||||
| 54 | 930108 | 1.00 | 1.21 | |
| No information available, not orderable | ||||
| 55 | 949292 | |||
| Cord Armor D10.7 | ||||
| 56 | 940778 | 2.10 | 2.54 | |
| Cable gland D8.2 (old 958049z) | ||||
| 56 | 958049 | 1.04 | 1.26 | |
| No information available, not orderable | ||||
| 57 | 500244Z | |||
| No information available, not orderable | ||||
| 57A | 500427Z | |||
| No information available, not orderable | ||||
| 58 | 932827 | |||