Here you will find all available parts and drawings of the 'Hikoki D10VH'. From here you can order all desired parts directly. Many parts must be ordered from the manufacturer, depending on the brand, this takes one to four weeks. All the information we have is on our website, we cannot advise you on what you need, for that you will need to return the machine for repair. Please note the following when ordering:
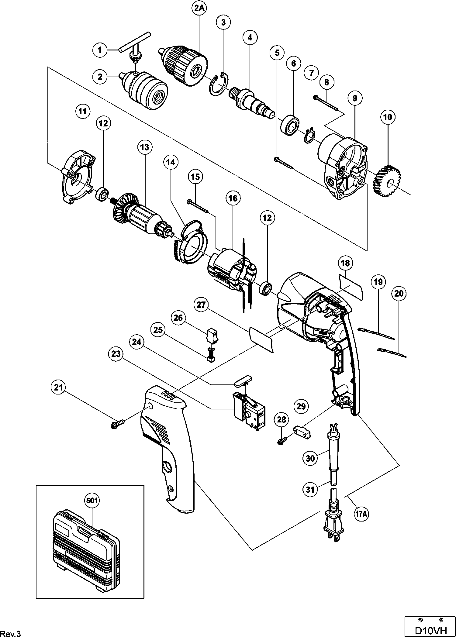
Technical drawing of model Hikoki D10VH
Spare parts list of model Hikoki D10VH
| Pos. | Description | Price excl. VAT | Price incl. VAT | |
| Prices shown include VAT | ||||
| No information available, not orderable | ||||
| 1 | 980057 | |||
| No information available, not orderable | ||||
| 2 | 950292 | |||
| No information available, not orderable | ||||
| 2A | 323250 | |||
| Stop Ring D32 | ||||
| 3 | 948001 | 1.20 | 1.45 | |
| Spindle Ass'y | ||||
| 4 | 321626 | 5.46 | 6.61 | |
| Tapping Screw (w/flange) D4x30 (black) | ||||
| 5 | 305490 | 1.04 | 1.26 | |
| Ball Bearing 6002vvcmps2l | ||||
| 6 | 6002VV | 7.35 | 8.89 | |
| Retaining Ring For D15 Shaft (10 Pcs.) | ||||
| 7 | 939544 | 2.13 | 2.57 | |
| Tapping Screw (w/flange) D4x45 (black) | ||||
| 8 | 301815 | 1.05 | 1.27 | |
| Gear Cover | ||||
| 9 | 321625 | 9.98 | 12.07 | |
| Gear | ||||
| 10 | 321627 | 10.43 | 12.61 | |
| Inner Cover | ||||
| 11 | 321624 | 6.15 | 7.44 | |
| Ball Bearing 608vvc2ps2l | ||||
| 12 | 608VVM | 5.70 | 6.90 | |
| No information available, not orderable | ||||
| 13 | 360597U | |||
| Fan Guide | ||||
| 14 | 321623 | 1.50 | 1.82 | |
| SCHROEF D4X45 | ||||
| 15 | 991031 | 1.00 | 1.21 | |
| No information available, not orderable | ||||
| 16 | 340548D | |||
| Housing.handle Cover Set | ||||
| 17A | 331661 | 32.53 | 39.36 | |
| Internal Wire (brown) 100l For Kuw,ina,sau,sin | ||||
| 19 | 321630 | 3.30 | 3.99 | |
| Internal Wire (blue) 55l For Kuw,ina,sau,sin | ||||
| 20 | 321631 | 3.30 | 3.99 | |
| Tapping Screw (w/flange) D4x20 (black) | ||||
| 21 | 301653 | 1.04 | 1.26 | |
| Switch (10 Pillar Type) | ||||
| 23 | 321632 | 29.29 | 35.44 | |
| Pushing Button | ||||
| 24 | 321628 | 1.65 | 2.00 | |
| Carbon Brush (1 Pair) | ||||
| 25 | 999041 | 4.50 | 5.44 | |
| Brush Holder | ||||
| 26 | 955203 | 2.40 | 2.90 | |
| No information available, not orderable | ||||
| 28 | 984750 | |||
| Cord Clip | ||||
| 29 | 937631 | 1.04 | 1.26 | |
| No information available, not orderable | ||||
| 30 | 953327 | |||
| Cord (cord Armor D8.8) For Mex | ||||
| 31 | 500240Z | 13.18 | 15.94 | |
| No information available, not orderable | ||||
| 501 | 321635 | |||
| No information available, not orderable | ||||
| 601 | 982593 | |||
| No information available, not orderable | ||||
| 602 | 321612 | |||
| Side Handle For M10 | ||||
| 603 | 981205 | 5.85 | 7.08 | |
| No information available, not orderable | ||||
| 604 | 873929 | |||