Here you will find all available parts and drawings of the 'Hikoki CE18DSL'. From here you can order all desired parts directly. Many parts must be ordered from the manufacturer, depending on the brand, this takes one to four weeks. All the information we have is on our website, we cannot advise you on what you need, for that you will need to return the machine for repair. Please note the following when ordering:
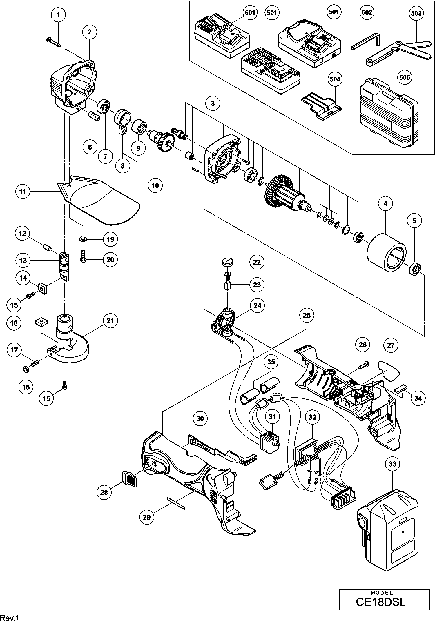
Technical drawing of model Hikoki CE18DSL
Spare parts list of model Hikoki CE18DSL
| Pos. | Description | Price excl. VAT | Price incl. VAT | |
| Prices shown include VAT | ||||
| Brush Block | ||||
| *24 | 328202 | 7.05 | 8.53 | |
| No information available, not orderable | ||||
| *32 | 370162 | |||
| No information available, not orderable | ||||
| *33 | 336385 | |||
| No information available, not orderable | ||||
| *505A | 380087 | |||
| Tapping Screw (w/flange) D4x35 (black) | ||||
| 1 | 303694 | 1.04 | 1.26 | |
| Gear Cover | ||||
| 2 | 339994 | 6.15 | 7.44 | |
| Armature And Pinion Set | ||||
| 3 | 339998 | 55.14 | 66.72 | |
| Magnet | ||||
| 4 | 328195 | 18.84 | 22.79 | |
| MAGNEET | ||||
| 4A | 376708 | 9.36 | 11.33 | |
| Socket | ||||
| 5 | 338867 | 1.80 | 2.18 | |
| Hex. Socket Set Screw M8x20 | ||||
| 6 | 998008 | 1.05 | 1.27 | |
| Ball Bearing 608vv | ||||
| 7 | 333945 | 1.80 | 2.18 | |
| Connecting Rod | ||||
| 8 | 998004 | 35.06 | 42.43 | |
| Needle Bearing (m152112) | ||||
| 9 | 993163 | 6.75 | 8.17 | |
| Spindle And Gear Set | ||||
| 10 | 339999 | 18.29 | 22.13 | |
| Protector | ||||
| 11 | 998010 | 6.75 | 8.17 | |
| Pin | ||||
| 12 | 993546 | 1.05 | 1.27 | |
| Piston | ||||
| 13 | 998005 | 40.84 | 49.41 | |
| No information available, not orderable | ||||
| 14 | 998000 | |||
| Hex. Socket Hd. Bolt M4x10 (10 Pcs.) Till 12.2017 | ||||
| 15 | 949812 | 2.40 | 2.90 | |
| No information available, not orderable | ||||
| 16 | 998001 | |||
| Slotted Hd. Set Screw M4x14 | ||||
| 17 | 998009 | 1.05 | 1.27 | |
| Lock Nut M4 (10 Pcs.) | ||||
| 18 | 949565 | 1.05 | 1.27 | |
| Spring Washer M5 (10 pieces) | ||||
| 19 | 949454 | 1.04 | 1.26 | |
| Machine Screw M5x12 (10 Pcs.) | ||||
| 20 | 949237 | 1.05 | 1.27 | |
| Blade Holder | ||||
| 21 | 998007 | 125.40 | 151.73 | |
| Brush Cap | ||||
| 22 | 328200 | 2.10 | 2.54 | |
| Carbon Brush 5x6x11.5 (1 Pair) | ||||
| 23 | 999054 | 6.45 | 7.80 | |
| Brush Block | ||||
| 24 | 328202 | 7.05 | 8.53 | |
| Brush Block | ||||
| 24 | 334696 | 7.05 | 8.53 | |
| No longer available, no replacement | ||||
| 25 | 370161 | |||
| No information available, not orderable | ||||
| 25A | 373150 | |||
| BEHUIZING SET (A+B) (OUD 373150) | ||||
| 25B | 377254 | 11.28 | 13.65 | |
| Tapping Screw (w/flange) D4x20 (black) | ||||
| 26 | 301653 | 1.04 | 1.26 | |
| Slide Knob | ||||
| 28 | 314428 | 1.04 | 1.26 | |
| No information available, not orderable | ||||
| 30 | 328199 | |||
| TREKSTANG (OUD 328199) | ||||
| 30A | 377004 | 1.00 | 1.21 | |
| No longer available, no replacement | ||||
| 31 | 329057 | |||
| Switch | ||||
| 31A | 373565 | 4.65 | 5.63 | |
| Controller Terminal Set | ||||
| 32 | 370163 | 54.18 | 65.55 | |
| No information available, not orderable | ||||
| 33 | 336385 | |||
| Gasket | ||||
| 34 | 328709 | 1.80 | 2.18 | |
| No information available, not orderable | ||||
| 35 | 339343 | |||
| No information available, not orderable | ||||
| 502 | 943277 | |||
| No information available, not orderable | ||||
| 503 | 949128 | |||
| Battery Cover | ||||
| 504 | 329897 | 1.80 | 2.18 | |
| No information available, not orderable | ||||
| 505 | 339992 | |||
| No information available, not orderable | ||||
| 506 | 336471 | |||
| No information available, not orderable | ||||
| 507 | 336472 | |||
| No information available, not orderable | ||||
| 508 | 336473 | |||
| No information available, not orderable | ||||
| 509 | 336474 | |||
| No information available, not orderable | ||||
| 510 | 339993 | |||
| Case (a) | ||||
| 541 | 336269 | 3.75 | 4.54 | |
| Fan (1) | ||||
| 542 | 336272 | 5.40 | 6.53 | |
| Case (b) Charger Uc18yfsl | ||||
| 545 | 336270 | 3.45 | 4.17 | |
| Brand Label | ||||
| 547 | 336273 | 1.50 | 1.82 | |
| Terminal Holder | ||||
| 548 | 336277 | 3.90 | 4.72 | |
| Led-printed Circuit Board | ||||
| 549 | 336276 | 1.05 | 1.27 | |
| No information available, not orderable | ||||
| 550 | 336271 | |||
| No information available, not orderable | ||||
| 551 | 336281 | |||
| Printed Circuit Board Ass'y 220v-240v Includ.4 | ||||
| 552 | 336288 | 30.66 | 37.10 | |
| Filter | ||||
| 553 | 336275 | 1.04 | 1.26 | |
| Case (a) | ||||
| 561 | 336591 | 3.30 | 3.99 | |
| No information available, not orderable | ||||
| 562 | 336598 | |||
| No information available, not orderable | ||||
| 563 | 332540 | |||
| Printed Circuit Board Ass'y 220v-240v Includ.3 | ||||
| 564 | 336605 | 35.34 | 42.76 | |
| Case (b) | ||||
| 565 | 336593 | 2.10 | 2.54 | |
| No information available, not orderable | ||||
| 571 | 332978 | |||
| Housing Charger (A) | ||||
| 572 | 329040 | 7.65 | 9.26 | |
| FILTER | ||||
| 573 | 328531 | 1.38 | 1.67 | |
| Tp Tapping Screw D3x8 | ||||
| 574 | 327174 | 1.65 | 2.00 | |
| Fuse (t3.15a/250v) | ||||
| 575A | 335779 | 1.04 | 1.26 | |
| Nut M3 (10 Pcs.) | ||||
| 576 | 949553 | 1.04 | 1.26 | |
| No information available, not orderable | ||||
| 577 | 329045 | |||
| No information available, not orderable | ||||
| 578 | 329043 | |||
| Machine Screw (w/washers) M3x12 | ||||
| 579 | 993963 | 1.05 | 1.27 | |
| No information available, not orderable | ||||
| 580 | 333238 | |||
| No longer available, no replacement | ||||
| 581 | 330131 | |||
| Tapping Screw (w/flange) D3x18 | ||||
| 582 | 326358 | 1.20 | 1.45 | |
| Case Rubber | ||||
| 583 | 327173 | 1.65 | 2.00 | |
| No information available, not orderable | ||||
| 585 | 328528 | |||
| Terminal Holder | ||||
| 586 | 328530 | 7.65 | 9.26 | |
| Cord For Europe | ||||
| 588A | 337908 | 3.90 | 4.72 | |
| No information available, not orderable | ||||
| 589A | 337913 | |||
| No information available, not orderable | ||||
| 590 | 327175 | |||
| Fan | ||||
| 591 | 326809 | 12.45 | 15.06 | |
| No information available, not orderable | ||||
| 592 | 333239 | |||
| No information available, not orderable | ||||
| 593 | 328527 | |||
| No information available, not orderable | ||||
| 594 | 330168 | |||