Here you will find all available parts and drawings of the 'Hikoki CD12F'. From here you can order all desired parts directly. Many parts must be ordered from the manufacturer, depending on the brand, this takes one to four weeks. All the information we have is on our website, we cannot advise you on what you need, for that you will need to return the machine for repair. Please note the following when ordering:
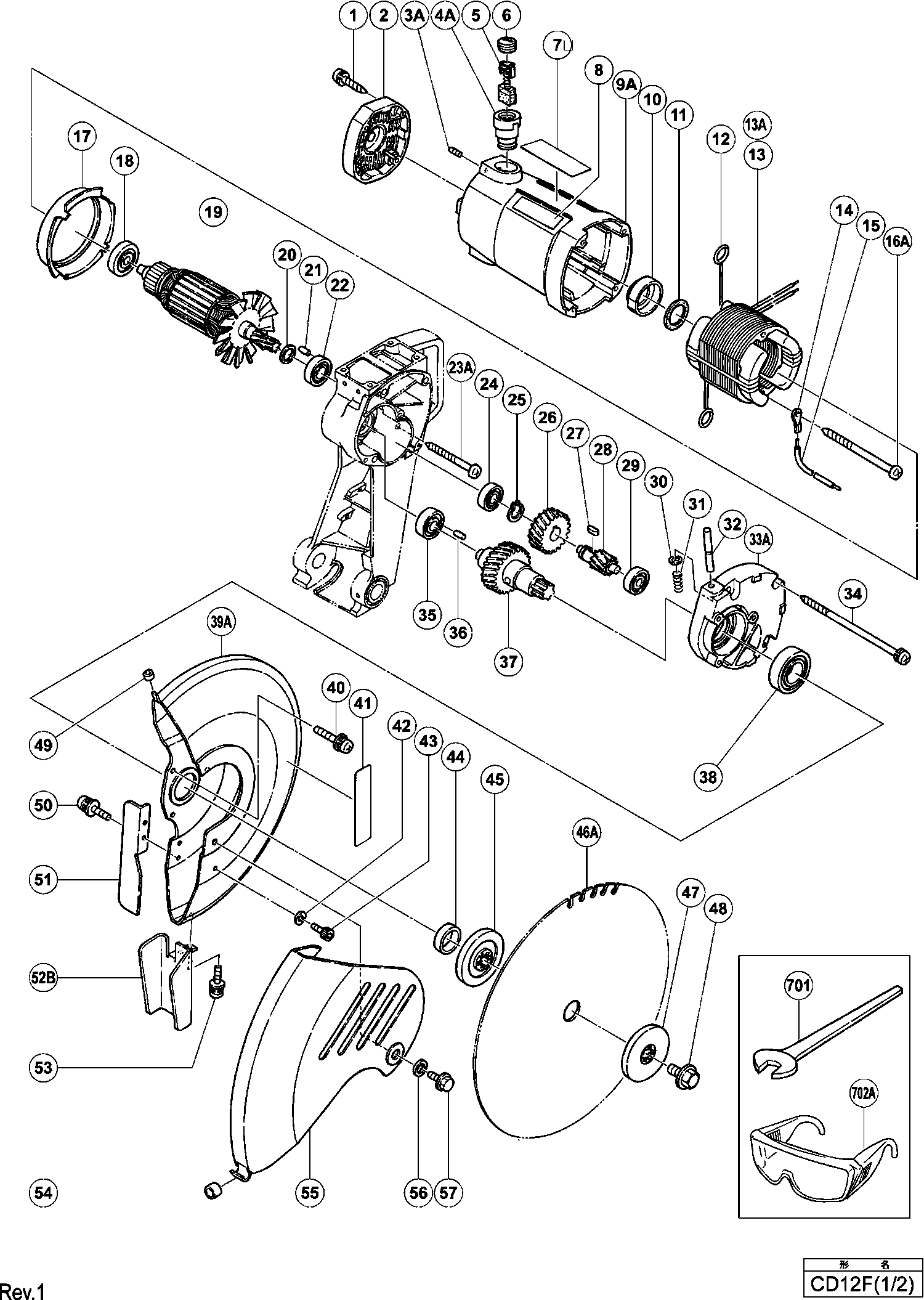
Technical drawing of model Hikoki CD12F
Spare parts list of model Hikoki CD12F
| Pos. | Description | Price excl. VAT | Price incl. VAT | |
| Prices shown include VAT | ||||
| No information available, not orderable | ||||
| 1 | 305726 | |||
| No information available, not orderable | ||||
| 2 | 307563 | |||
| INBUSSTELSCHROEF M4X8 | ||||
| 3A | 977089 | 1.00 | 1.21 | |
| Brush Holder | ||||
| 4A | 980487 | 5.68 | 6.87 | |
| Carbon Brush (1 Pair) | ||||
| 5 | 999044 | 4.50 | 5.44 | |
| No information available, not orderable | ||||
| 6 | 978445 | |||
| Brush Cap | ||||
| 6A | 940540 | 1.04 | 1.26 | |
| Housing Ass'y Includ.3a,4a,10 | ||||
| 9A | 951867 | 64.21 | 77.70 | |
| Bushing | ||||
| 10 | 951878 | 14.70 | 17.79 | |
| No information available, not orderable | ||||
| 11 | 306001 | |||
| Brush Terminal | ||||
| 12 | 998744 | 1.20 | 1.45 | |
| Terminal For Noise Suppressor | ||||
| 14 | 938108 | 1.20 | 1.45 | |
| Tapping Screw D5x75 | ||||
| 16A | 320210 | 1.50 | 1.82 | |
| Ball Bearing 6300vvcmps2l | ||||
| 18 | 6300VV | 8.25 | 9.98 | |
| Armature 230v | ||||
| 19 | 360313E | 157.44 | 190.50 | |
| Spacer bushing | ||||
| 20 | 947622 | 1.04 | 1.26 | |
| RUBBER PIN (OLD 976441) | ||||
| 21 | 946362 | 1.05 | 1.27 | |
| Ball Bearing 6002ddcmps2l | ||||
| 22 | 6002DD | 7.05 | 8.53 | |
| Tapping Screw D5x50 | ||||
| 23A | 931554 | 1.50 | 1.82 | |
| Ball Bearing 6000vvcmps2l | ||||
| 24 | 6000VV | 6.15 | 7.44 | |
| Retaining Ring For D16 Shaft (10 Pcs.) | ||||
| 25 | 939545 | 3.30 | 3.99 | |
| No information available, not orderable | ||||
| 26 | 306004 | |||
| Key 5x5x10 | ||||
| 27 | 948015 | 1.05 | 1.27 | |
| Second Gear | ||||
| 28 | 306003 | 37.95 | 45.92 | |
| Ball Bearing 6200vvcmps2l | ||||
| 29 | 6200VV | 6.15 | 7.44 | |
| Washer Spring | ||||
| 30 | 974577 | 1.05 | 1.27 | |
| No information available, not orderable | ||||
| 31 | 306007 | |||
| No information available, not orderable | ||||
| 32 | 303426 | |||
| No information available, not orderable | ||||
| 33A | 306006 | |||
| No information available, not orderable | ||||
| 34 | 306008 | |||
| Ball Bearing 6201vv | ||||
| 35 | 6201VV | 6.45 | 7.80 | |
| RUBBER PIN (OLD 976441) | ||||
| 36 | 946362 | 1.05 | 1.27 | |
| No information available, not orderable | ||||
| 37 | 306005 | |||
| Ball Bearing 6205ddcmps2l | ||||
| 38 | 6205DD | 10.35 | 12.52 | |
| Saw Cover | ||||
| 39A | 306009 | 64.21 | 77.70 | |
| No information available, not orderable | ||||
| 40 | 300196 | |||
| HITACHI LABEL | ||||
| 41 | 978956 | 1.00 | 1.21 | |
| Spring Washer M6 (old 949455z, 10 pcs) | ||||
| 42 | 949455 | 1.05 | 1.27 | |
| INBUSBOUT M6X10 ( 10 STUKS ) | ||||
| 43 | 949830 | 2.46 | 2.98 | |
| Sleeve (b) | ||||
| 44 | 305994 | 8.40 | 10.16 | |
| Intermediate Flange | ||||
| 45 | 305995 | 20.49 | 24.79 | |
| No information available, not orderable | ||||
| 46A | 308088 | |||
| Washer (b) | ||||
| 47 | 305996 | 19.94 | 24.12 | |
| No information available, not orderable | ||||
| 48 | 305997 | |||
| Rubber | ||||
| 49 | 306471 | 1.65 | 2.00 | |
| Machine screw M5x12 | ||||
| 50 | 995046 | 1.05 | 1.27 | |
| No information available, not orderable | ||||
| 51 | 306011 | |||
| Dust Collector Guide (a) (307566) | ||||
| 52B | 306010 | 9.60 | 11.62 | |
| Machine screw M5x12 | ||||
| 53 | 995046 | 1.05 | 1.27 | |
| Guard | ||||
| 55 | 307571 | 105.05 | 127.11 | |
| Thrust Washer | ||||
| 56 | 302311 | 1.95 | 2.36 | |
| Bolt (w/flange) M8x12 | ||||
| 57 | 306013 | 5.85 | 7.08 | |
| Machine screw M5x12 | ||||
| 58 | 995046 | 1.05 | 1.27 | |
| No information available, not orderable | ||||
| 59B | 305998 | |||
| Protective Shield | ||||
| 60 | 306015 | 7.65 | 9.26 | |
| Machine Screw (w/washers) M5x16 | ||||
| 61 | 990541 | 1.05 | 1.27 | |
| Threaded cable sleeve | ||||
| 62 | 981373 | 1.05 | 1.27 | |
| No information available, not orderable | ||||
| 63 | 952806Z | |||
| Cord Clip | ||||
| 64 | 937631 | 1.04 | 1.26 | |
| Machine Screw M4x16 (10 Pcs.) | ||||
| 65 | 949219 | 1.20 | 1.45 | |
| Cord Armor D10.1 | ||||
| 66A | 938051 | 1.04 | 1.26 | |
| No information available, not orderable | ||||
| 67A | 307351 | |||
| No information available, not orderable | ||||
| 68 | 305988 | |||
| No information available, not orderable | ||||
| 69 | 305982 | |||
| Retaining Ring (e-type) For D6 Shaft | ||||
| 70 | 955479 | 1.05 | 1.27 | |
| Socket | ||||
| 71 | 971563 | 1.05 | 1.27 | |
| Screw Ass'y Including 70,71 | ||||
| 72 | 305983 | 26.40 | 31.94 | |
| No information available, not orderable | ||||
| 73A | 305984 | |||
| VEER | ||||
| 75 | 978946 | 2.94 | 3.56 | |
| BUS | ||||
| 76 | 978947 | 11.70 | 14.16 | |
| ONTGRENDELGRIP | ||||
| 77 | 978948 | 4.32 | 5.23 | |
| AFDEKPLAATJE | ||||
| 78 | 978949 | 1.26 | 1.52 | |
| Machine Screw (w/washers) M4x12 (black) Till 8.20 | ||||
| 79 | 935196 | 1.04 | 1.26 | |
| ROLL PIN D4X40 (10 STUKS) | ||||
| 80 | 949688 | 3.48 | 4.21 | |
| Bolt Washer M8 (10 Pcs.) | ||||
| 81 | 949433 | 1.05 | 1.27 | |
| Split Pin D3x15 (10 Pcs.) | ||||
| 82 | 949537 | 1.35 | 1.63 | |
| Roll Pin D5x25 (10 Pcs.) | ||||
| 83 | 949681 | 3.60 | 4.36 | |
| Bolt Washer M16 | ||||
| 84 | 955818 | 1.05 | 1.27 | |
| No information available, not orderable | ||||
| 85 | 305987 | |||
| No information available, not orderable | ||||
| 86 | 305986 | |||
| Vise Shaft | ||||
| 87 | 305985 | 11.55 | 13.98 | |
| No information available, not orderable | ||||
| 88 | 949339 | |||
| No information available, not orderable | ||||
| 89 | 305981 | |||
| No information available, not orderable | ||||
| 90A | 305980 | |||
| Base Rubber | ||||
| 91 | 964851 | 1.05 | 1.27 | |
| Bolt Washer M5 (10 Pcs.) | ||||
| 92 | 949431 | 1.04 | 1.26 | |
| Machine Screw M5x20 (10 pieces) | ||||
| 93 | 949241 | 1.35 | 1.63 | |
| Handle Cover (old 951898) | ||||
| 94A | 320266 | 6.75 | 8.17 | |
| Tapping Screw (w/flange) D4x25 (black) | ||||
| 95A | 307028 | 1.05 | 1.27 | |
| Connector 50092 (10 Pcs.) | ||||
| 96 | 959141 | 3.75 | 4.54 | |
| SMOORSPOEL | ||||
| 98 | 965140 | 43.18 | 52.25 | |
| Threaded cable sleeve | ||||
| 99 | 981373 | 1.05 | 1.27 | |
| Capacitor | ||||
| 100 | 965141 | 11.85 | 14.34 | |
| Shield Till 7.1993 | ||||
| 101 | 307564 | 1.80 | 2.18 | |
| No information available, not orderable | ||||
| 102 | 307384 | |||
| No information available, not orderable | ||||
| 103 | 968523 | |||
| Tapping Screw (w/sp. Washer) D4x10 | ||||
| 104 | 977133 | 1.05 | 1.27 | |
| Bolt Washer M4 (10 Pcs.) | ||||
| 105 | 949429 | 1.05 | 1.27 | |
| No information available, not orderable | ||||
| 106 | 955835 | |||
| Switch (2p Pillar Type) W/lock | ||||
| 107 | 976825 | 22.00 | 26.62 | |
| Handle | ||||
| 108A | 951524 | 18.15 | 21.96 | |
| No information available, not orderable | ||||
| 109 | 306002 | |||
| No information available, not orderable | ||||
| 110A | 306000 | |||
| No information available, not orderable | ||||
| 111 | 306065 | |||
| INBUSSCHROEF M5X12 | ||||
| 112 | 966292 | 1.00 | 1.21 | |
| Spring | ||||
| 113 | 305993 | 9.60 | 11.62 | |
| Bolt (w/washers) M10x35 | ||||
| 114 | 305126 | 1.35 | 1.63 | |
| Machine screw M5x12 | ||||
| 115 | 995046 | 1.05 | 1.27 | |
| No information available, not orderable | ||||
| 116 | 305990 | |||
| Vise (b) | ||||
| 117 | 305989 | 55.41 | 67.05 | |
| Nut M8 (10 Pcs.) | ||||
| 118 | 949558 | 1.05 | 1.27 | |
| Hex. Socket Hd. Bolt M8x30 (10 Pcs.) Till 8.1979 | ||||
| 119 | 949759 | 7.05 | 8.53 | |
| No information available, not orderable | ||||
| 120 | 988872 | |||
| Lock Nut M10 (10 Pcs.) | ||||
| 121A | 949572 | 2.40 | 2.90 | |
| No information available, not orderable | ||||
| 122 | 305992 | |||
| No information available, not orderable | ||||
| 123B | 305991 | |||
| Wing Bolt M6x10 (10 Pcs.) | ||||
| 124 | 949394 | 7.05 | 8.53 | |
| Spring Washer M8 (10 Pcs.) | ||||
| 125 | 949457 | 1.05 | 1.27 | |
| No information available, not orderable | ||||
| 701 | 879055 | |||
| No information available, not orderable | ||||
| 702A | 875769 | |||
| No information available, not orderable | ||||
| 901A | 308089 | |||