Here you will find all available parts and drawings of the 'Hikoki CC16SB'. From here you can order all desired parts directly. Many parts must be ordered from the manufacturer, depending on the brand, this takes one to four weeks. All the information we have is on our website, we cannot advise you on what you need, for that you will need to return the machine for repair. Please note the following when ordering:
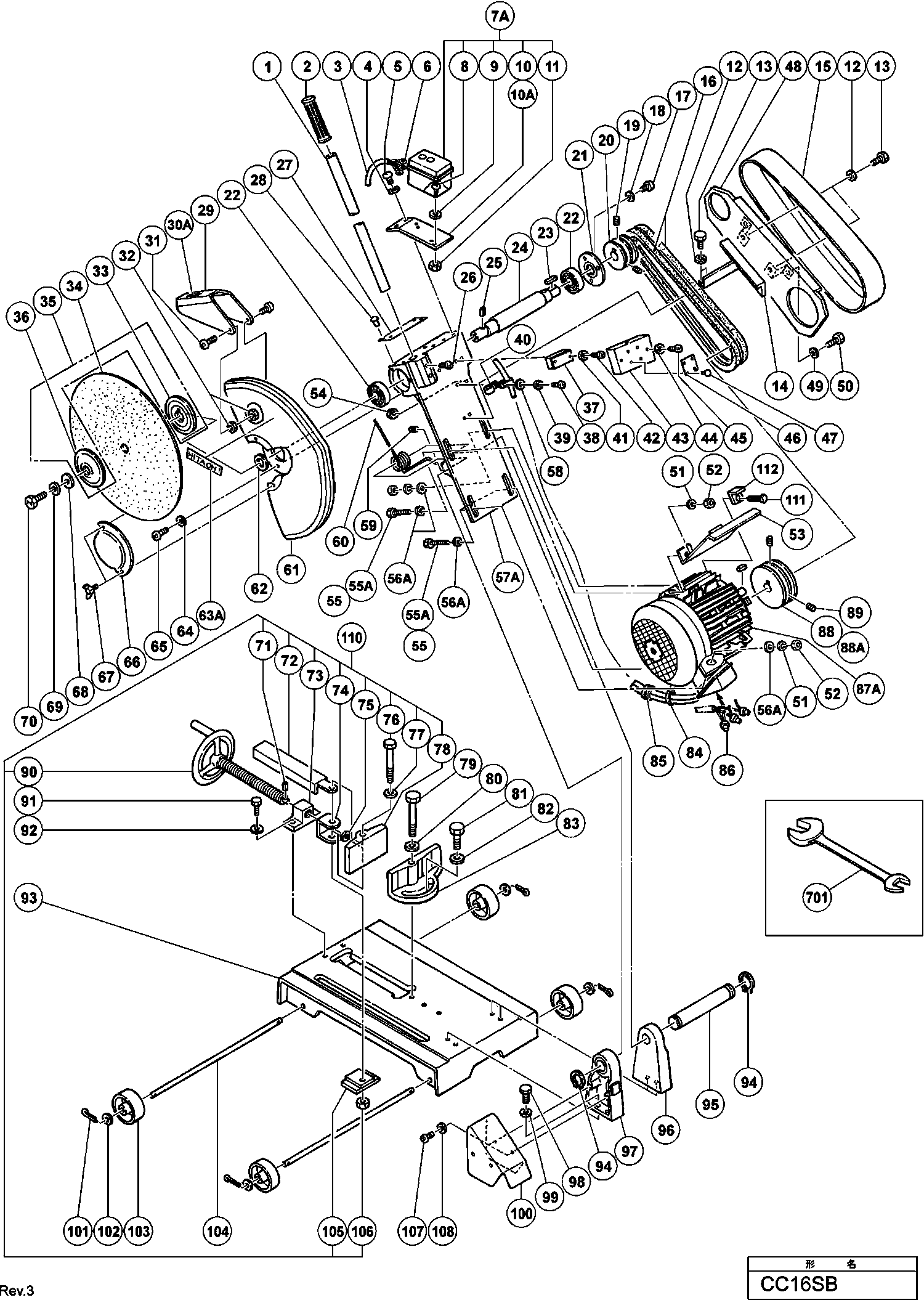
Technical drawing of model Hikoki CC16SB
Spare parts list of model Hikoki CC16SB
| Pos. | Description | Price excl. VAT | Price incl. VAT | |
| Prices shown include VAT | ||||
| Bolt M10x40 (10 Pcs.) For 3.7kw Since 8.2013 | ||||
| *55A | 949643 | 3.60 | 4.36 | |
| No information available, not orderable | ||||
| *57A | 313044 | |||
| No information available, not orderable | ||||
| *85 | 952075 | |||
| Connector 50092 (10 Pcs.) | ||||
| *86 | 959141 | 3.75 | 4.54 | |
| No information available, not orderable | ||||
| 1 | 964625 | |||
| No information available, not orderable | ||||
| 2 | 944885 | |||
| No information available, not orderable | ||||
| 3 | 964616 | |||
| Spring Washer M6 (old 949455z, 10 pcs) | ||||
| 4 | 949455 | 1.05 | 1.27 | |
| Machine Screw M6x12 (10 Pcs.) | ||||
| 5 | 949255 | 1.35 | 1.63 | |
| Terminal 50051 (10 Pcs.) For Noise Suppressor Ass | ||||
| 6 | 959144 | 3.00 | 3.63 | |
| No information available, not orderable | ||||
| 7A | 317844 | |||
| Machine Screw M4x8 (10 Pcs.) | ||||
| 8 | 949215 | 1.05 | 1.27 | |
| Spring Washer M4 (10 pieces) | ||||
| 9 | 949453 | 1.05 | 1.27 | |
| No information available, not orderable | ||||
| 10 | 964931 | |||
| No information available, not orderable | ||||
| 10A | 317842 | |||
| Nut M4 (10 Pieces) | ||||
| 11 | 949554 | 1.05 | 1.27 | |
| Spring Washer M8 (10 Pcs.) | ||||
| 12 | 949457 | 1.05 | 1.27 | |
| Bolt M8x16 (10 Pcs.) | ||||
| 13 | 949622 | 1.80 | 2.18 | |
| BELT COVER ARM | ||||
| 14 | 964613 | 10.26 | 12.41 | |
| No information available, not orderable | ||||
| 15 | 964615 | |||
| No information available, not orderable | ||||
| 16 | 964640 | |||
| Machine Screw M6x12 (10 Pcs.) | ||||
| 17 | 949255 | 1.35 | 1.63 | |
| Spring Washer M6 (old 949455z, 10 pcs) | ||||
| 18 | 949455 | 1.05 | 1.27 | |
| No information available, not orderable | ||||
| 19 | 966458 | |||
| No information available, not orderable | ||||
| 20 | 964638 | |||
| No information available, not orderable | ||||
| 21 | 944855 | |||
| Ball bearing 6206vvcmps2s | ||||
| 22 | 6206VV | 14.40 | 17.42 | |
| No information available, not orderable | ||||
| 23 | 944867 | |||
| No information available, not orderable | ||||
| 24 | 964641 | |||
| PIN | ||||
| 25 | 934203 | 1.00 | 1.21 | |
| Machine Screw M6x16 (10 Pcs.) | ||||
| 26 | 949256 | 1.35 | 1.63 | |
| Rivet D2.5x4.8 (10 Pcs.) Three-phase | ||||
| 28 | 949510 | 1.04 | 1.26 | |
| No information available, not orderable | ||||
| 29 | 964630 | |||
| Mark Plate | ||||
| 30A | 975642 | 3.60 | 4.36 | |
| Machine Screw M6x16 (10 Pcs.) | ||||
| 31 | 949256 | 1.35 | 1.63 | |
| Tpe (sl),kor (sl) | ||||
| 32 | 949556 | 1.05 | 1.27 | |
| No information available, not orderable | ||||
| 33 | 964649 | |||
| No information available, not orderable | ||||
| 35 | 964874 | |||
| No information available, not orderable | ||||
| 36 | 964647 | |||
| No information available, not orderable | ||||
| 37 | 966585 | |||
| No information available, not orderable | ||||
| 37A | 376443 | |||
| Machine Screw M4x20 (10 Pcs.) | ||||
| 38 | 949221 | 1.05 | 1.27 | |
| Machine Screw M4x12 (10 Pcs.) | ||||
| 38 | 949217 | 1.05 | 1.27 | |
| Spring Washer M4 (10 pieces) | ||||
| 39 | 949453 | 1.05 | 1.27 | |
| Nylon Clip | ||||
| 40 | 966803 | 1.05 | 1.27 | |
| Washer M4 (10 Pcs.) | ||||
| 41 | 949423 | 1.05 | 1.27 | |
| Machine Screw M4x16 (10 Pcs.) | ||||
| 42 | 949219 | 1.20 | 1.45 | |
| No information available, not orderable | ||||
| 43 | 972600 | |||
| Spring Washer M5 (10 pieces) | ||||
| 44 | 949454 | 1.04 | 1.26 | |
| Machine Screw M5x45 (10 Pcs.) For Sau,ina | ||||
| 45 | 949249 | 1.95 | 2.36 | |
| No information available, not orderable | ||||
| 46 | 964932 | |||
| Rivet D2.5x4.8 (10 Pcs.) Three-phase | ||||
| 47 | 949510 | 1.04 | 1.26 | |
| No information available, not orderable | ||||
| 48 | 964875 | |||
| Spring Washer M8 (10 Pcs.) | ||||
| 49 | 949457 | 1.05 | 1.27 | |
| Bolt M8x16 (10 Pcs.) | ||||
| 50 | 949622 | 1.80 | 2.18 | |
| Spring Washer M10 (10 Pcs.) | ||||
| 51 | 949458 | 1.05 | 1.27 | |
| Nut M10 (10 Pcs.) | ||||
| 52 | 949560 | 2.40 | 2.90 | |
| No information available, not orderable | ||||
| 53 | 974243 | |||
| Nut M4 (10 Pieces) | ||||
| 54 | 949554 | 1.05 | 1.27 | |
| Bolt M10x35 (10 Pcs.) | ||||
| 55 | 949695 | 3.30 | 3.99 | |
| BOUT M10X30 (10 STUKS) | ||||
| 55 | 949698 | 3.06 | 3.70 | |
| Bolt M10x40 (10 Pcs.) For 3.7kw Since 8.2013 | ||||
| 55A | 949643 | 3.60 | 4.36 | |
| Ring | ||||
| 56A | 302998 | 1.05 | 1.27 | |
| Arm | ||||
| 57A | 964877 | 153.04 | 185.18 | |
| Bolt Washer M4 (10 Pcs.) | ||||
| 58 | 949429 | 1.05 | 1.27 | |
| INBUSSTELSCHROEF M8X20 | ||||
| 59 | 964629 | 1.00 | 1.21 | |
| Spring | ||||
| 60 | 964608 | 11.55 | 13.98 | |
| BESCHERMKAP | ||||
| 61 | 964605 | 58.41 | 70.68 | |
| No information available, not orderable | ||||
| 62 | 964635 | |||
| No information available, not orderable | ||||
| 63A | 951653 | |||
| Spring Washer M6 (old 949455z, 10 pcs) | ||||
| 64 | 949455 | 1.05 | 1.27 | |
| Machine Screw M6x16 (10 Pcs.) | ||||
| 65 | 949256 | 1.35 | 1.63 | |
| No information available, not orderable | ||||
| 66 | 955790 | |||
| Wing Bolt M6x10 (10 Pcs.) | ||||
| 67 | 949394 | 7.05 | 8.53 | |
| BOLT W/WASHER M16 (10PCS) | ||||
| 68 | 949438 | 1.50 | 1.82 | |
| VEERRING M16 (10STUKS) | ||||
| 69 | 949464 | 1.38 | 1.67 | |
| No information available, not orderable | ||||
| 70 | 955789 | |||
| Roll Pin D4x16 (10 Pcs.) | ||||
| 71 | 949497 | 2.55 | 3.09 | |
| SCREW COVER | ||||
| 72 | 964619 | 2.82 | 3.41 | |
| Screw Base | ||||
| 73 | 944876 | 14.99 | 18.13 | |
| No information available, not orderable | ||||
| 74 | 964622 | |||
| Washer M10 (10 Pcs.) | ||||
| 75 | 949445 | 1.35 | 1.63 | |
| No information available, not orderable | ||||
| 76 | 964621 | |||
| Bolt Washer M12 (10 Pcs.) | ||||
| 77 | 949437 | 1.95 | 2.36 | |
| No information available, not orderable | ||||
| 78 | 964620 | |||
| No information available, not orderable | ||||
| 79 | 964632 | |||
| RING M16 | ||||
| 80 | 955817 | 1.00 | 1.21 | |
| BOLT (L) M16 | ||||
| 81 | 964633 | 1.08 | 1.31 | |
| Bolt Washer M16 | ||||
| 82 | 955818 | 1.05 | 1.27 | |
| No information available, not orderable | ||||
| 83 | 964623 | |||
| Cable Tie | ||||
| 84 | 988054 | 1.04 | 1.26 | |
| No information available, not orderable | ||||
| 85 | 964637 | |||
| Connector 50092 (10 Pcs.) | ||||
| 86 | 959141 | 3.75 | 4.54 | |
| No information available, not orderable | ||||
| 87A | 337921 | |||
| No information available, not orderable | ||||
| 87B | 380893 | |||
| No information available, not orderable | ||||
| 88 | 964873 | |||
| No information available, not orderable | ||||
| 88A | 964639 | |||
| No information available, not orderable | ||||
| 89 | 966458 | |||
| SCREW | ||||
| 90 | 964617 | 33.00 | 39.93 | |
| BOUT M10X30 (10 STUKS) | ||||
| 91 | 949698 | 3.06 | 3.70 | |
| Spring Washer M10 (10 Pcs.) | ||||
| 92 | 949458 | 1.05 | 1.27 | |
| No information available, not orderable | ||||
| 93 | 964930 | |||
| No information available, not orderable | ||||
| 93A | 378747 | |||
| Washer Spring | ||||
| 94 | 965469 | 1.05 | 1.27 | |
| No information available, not orderable | ||||
| 95 | 964607 | |||
| No information available, not orderable | ||||
| 96 | 964602 | |||
| No information available, not orderable | ||||
| 97 | 964601 | |||
| BOUT M10X30 (10 STUKS) | ||||
| 98 | 949698 | 3.06 | 3.70 | |
| Spring Washer M10 (10 Pcs.) | ||||
| 99 | 949458 | 1.05 | 1.27 | |
| No information available, not orderable | ||||
| 100 | 964624 | |||
| Split Pin D3x15 (10 Pcs.) | ||||
| 101 | 949537 | 1.35 | 1.63 | |
| Washer M10 (10 Pcs.) | ||||
| 102 | 949445 | 1.35 | 1.63 | |
| No information available, not orderable | ||||
| 103 | 944889 | |||
| No information available, not orderable | ||||
| 104 | 964627 | |||
| No information available, not orderable | ||||
| 105 | 964618 | |||
| Nut M12 (10 Pcs.) | ||||
| 106 | 949561 | 3.00 | 3.63 | |
| Machine Screw M6x12 (10 Pcs.) | ||||
| 107 | 949255 | 1.35 | 1.63 | |
| Spring Washer M6 (old 949455z, 10 pcs) | ||||
| 108 | 949455 | 1.05 | 1.27 | |
| No information available, not orderable | ||||
| 109 | 964636 | |||
| Screw Vise Ass'y Includ.71-78,90,105,106 | ||||
| 110 | 307901 | 139.01 | 168.21 | |
| No information available, not orderable | ||||
| 111 | 949675 | |||
| No information available, not orderable | ||||
| 112 | 964879 | |||
| No information available, not orderable | ||||
| 701A | 949168 | |||
| No information available, not orderable | ||||
| 702 | 948163 | |||
| No information available, not orderable | ||||
| 901 | 306859 | |||