Here you will find all available parts and drawings of the 'Hikoki C6MFA'. From here you can order all desired parts directly. Many parts must be ordered from the manufacturer, depending on the brand, this takes one to four weeks. All the information we have is on our website, we cannot advise you on what you need, for that you will need to return the machine for repair. Please note the following when ordering:
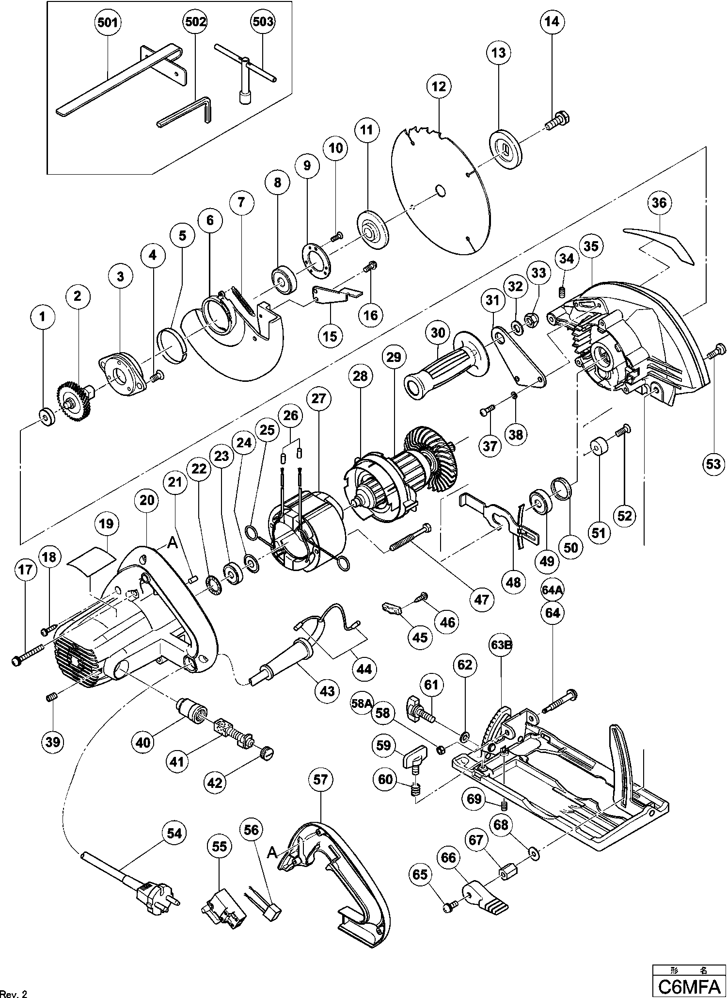
Technical drawing of model Hikoki C6MFA
Spare parts list of model Hikoki C6MFA
| Pos. | Description | Price excl. VAT | Price incl. VAT | |
| Prices shown include VAT | ||||
| Metal | ||||
| 1 | 963803 | 1.50 | 1.82 | |
| No information available, not orderable | ||||
| 2 | 322088 | |||
| Bearing Holder | ||||
| 3 | 308361 | 3.30 | 3.99 | |
| SEAL LOCK HD SCREW M5X12 | ||||
| 4 | 305568 | 1.05 | 1.27 | |
| Washer | ||||
| 5 | 318192 | 1.65 | 2.00 | |
| No information available, not orderable | ||||
| 6 | 323937 | |||
| No information available, not orderable | ||||
| 7 | 302442 | |||
| Ball Bearing 6002vvcmps2l | ||||
| 8 | 6002VV | 7.35 | 8.89 | |
| Bearing Cover | ||||
| 9 | 308362 | 2.40 | 2.90 | |
| Seal Lock Flat Hd. Screw M3x12 | ||||
| 10 | 308773 | 1.05 | 1.27 | |
| Washer (a) | ||||
| 11 | 322099 | 7.35 | 8.89 | |
| Washer (a) | ||||
| 11 | 323928 | 3.15 | 3.81 | |
| No information available, not orderable | ||||
| 12 | 323892 | |||
| No information available, not orderable | ||||
| 13 | 323924 | |||
| Bolt (w/washer) M7x17.5 | ||||
| 14 | 957749 | 1.05 | 1.27 | |
| No information available, not orderable | ||||
| 15 | 302464 | |||
| Machine Screw (w/washers) M4x10 (black) | ||||
| 16 | 304043 | 1.05 | 1.27 | |
| Machine Screw (w/washers) M5x45 (black) | ||||
| 17 | 302434 | 1.04 | 1.26 | |
| Tapping Screw (w/flange) D4x20 (black) | ||||
| 18 | 301653 | 1.04 | 1.26 | |
| Housing | ||||
| 20 | 323930 | 31.49 | 38.10 | |
| Housing Ass'y (green) Includ.39,40 | ||||
| 20 | 323929 | 26.68 | 32.28 | |
| RUBBER PEN | ||||
| 21 | 931701 | 1.05 | 1.27 | |
| WASHER THRUST | ||||
| 22 | 316394 | 3.30 | 3.99 | |
| Ball Bearing 608vvc2ps2l | ||||
| 23 | 608VVM | 5.70 | 6.90 | |
| Washer (a) | ||||
| 24 | 982631 | 1.04 | 1.26 | |
| Brush Terminal | ||||
| 25 | 930703 | 2.40 | 2.90 | |
| Threaded cable sleeve | ||||
| 26 | 981373 | 1.05 | 1.27 | |
| Stator 230v | ||||
| 27 | 340614E | 24.75 | 29.95 | |
| Fan Guide | ||||
| 28 | 322002 | 1.35 | 1.63 | |
| Armature 230v | ||||
| 29 | 360694E | 41.80 | 50.58 | |
| ANKER 110 VOLT | ||||
| 29 | 360694C | 39.05 | 47.25 | |
| No information available, not orderable | ||||
| 30 | 323925 | |||
| Plate | ||||
| 31 | 323926 | 2.10 | 2.54 | |
| Spring Washer M10 (10 Pcs.) | ||||
| 32 | 949458 | 1.05 | 1.27 | |
| Cap Nut M10 | ||||
| 33 | 323927 | 1.65 | 2.00 | |
| Hex. Socket Set Screw M5x6 Till 2.1986 | ||||
| 34 | 962782 | 1.04 | 1.26 | |
| No information available, not orderable | ||||
| 35 | 323935 | |||
| Machine Screw M5x12 (10 Pcs.) | ||||
| 37 | 949237 | 1.05 | 1.27 | |
| Spring Washer M5 (10 pieces) | ||||
| 38 | 949454 | 1.04 | 1.26 | |
| Hex Adjustment Screw M5x8 | ||||
| 39 | 938477 | 1.05 | 1.27 | |
| Brush Holder (2) | ||||
| 40 | 957051 | 5.25 | 6.35 | |
| Carbon Brush (1 Pair) | ||||
| 41 | 999043 | 4.50 | 5.44 | |
| Brush Cap | ||||
| 42 | 935829 | 1.05 | 1.27 | |
| No information available, not orderable | ||||
| 43 | 953327 | |||
| Threaded cable sleeve | ||||
| 44 | 981373 | 1.05 | 1.27 | |
| Cord Clip | ||||
| 45 | 937631 | 1.04 | 1.26 | |
| No information available, not orderable | ||||
| 46 | 984750 | |||
| Hex. Hd. Tapping Screw D5x55 | ||||
| 47 | 953174 | 1.04 | 1.26 | |
| Lock Lever | ||||
| 48 | 307918 | 5.25 | 6.35 | |
| Ball Bearing 6000vvcmps2l | ||||
| 49 | 6000VV | 6.15 | 7.44 | |
| Rubber Ring | ||||
| 50 | 318647 | 1.65 | 2.00 | |
| Cushion | ||||
| 51 | 961729 | 1.05 | 1.27 | |
| Flat Hd. Screw M6x20 (10 Pcs.) | ||||
| 52 | 949794 | 1.65 | 2.00 | |
| Nut | ||||
| 53 | 942808 | 1.05 | 1.27 | |
| Cord (cord Armor D8.8) For Uae (240v) | ||||
| 54 | 500461Z | 17.88 | 21.63 | |
| SNOER 10.7 (USE 714500=2X1 5M) | ||||
| 54 | 500247Z | 6.18 | 7.48 | |
| No information available, not orderable | ||||
| 55 | 963756Z | |||
| Noise Suppressor | ||||
| 56 | 930039 | 1.95 | 2.36 | |
| Handle Cover (green) | ||||
| 57 | 323931 | 5.70 | 6.90 | |
| Handle Cover (off Black Green) For Fra | ||||
| 57 | 323932 | 5.70 | 6.90 | |
| Lock Sleeve | ||||
| 58 | 315253 | 7.35 | 8.89 | |
| U-nut M5 | ||||
| 58A | 308387 | 1.05 | 1.27 | |
| Wing Bolt M6x18 | ||||
| 59 | 307898 | 1.65 | 2.00 | |
| Spring | ||||
| 60 | 941056 | 1.05 | 1.27 | |
| WING SCREW (A) | ||||
| 61 | 307937 | 1.05 | 1.27 | |
| Super Lock Washer M6 Single-phase | ||||
| 62 | 948167 | 1.04 | 1.26 | |
| No information available, not orderable | ||||
| 63B | 330841 | |||
| Adjusting Screw (a) (till 09.2008) | ||||
| 64 | 315183 | 4.80 | 5.81 | |
| Adjusting Screw (a) | ||||
| 64A | 322096 | 1.95 | 2.36 | |
| Seal Lock Screw (w/sp. Washers) M6x14 | ||||
| 65 | 322260 | 1.50 | 1.82 | |
| Lever (a) | ||||
| 66 | 323923 | 1.05 | 1.27 | |
| Lock Nut | ||||
| 67 | 323922 | 2.10 | 2.54 | |
| Washer | ||||
| 68 | 320975 | 1.05 | 1.27 | |
| Slotted Hd. Set Screw (seal Lock) M6x8 | ||||
| 69 | 308109 | 1.04 | 1.26 | |
| No information available, not orderable | ||||
| 501 | 302756 | |||
| No information available, not orderable | ||||
| 502 | 990666 | |||
| No information available, not orderable | ||||
| 503 | 940543 | |||
| No information available, not orderable | ||||
| 601 | 302981 | |||
| HANGER | ||||
| 602 | 954619 | 3.30 | 3.99 | |