Here you will find all available parts and drawings of the 'Hikoki C12FCH'. From here you can order all desired parts directly. Many parts must be ordered from the manufacturer, depending on the brand, this takes one to four weeks. All the information we have is on our website, we cannot advise you on what you need, for that you will need to return the machine for repair. Please note the following when ordering:
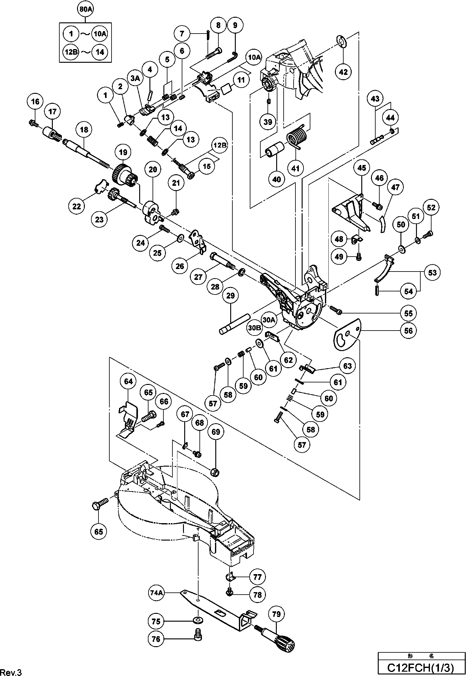
Technical drawing of model Hikoki C12FCH
Spare parts list of model Hikoki C12FCH
| Pos. | Description | Price excl. VAT | Price incl. VAT | |
| Prices shown include VAT | ||||
| No information available, not orderable | ||||
| *169 | 324651 | |||
| No information available, not orderable | ||||
| *193 | 324269 | |||
| Special Screw M6 For Europe,aus,model (s) | ||||
| *216 | 322950 | 1.05 | 1.27 | |
| Protective Cover (b) | ||||
| *218B | 323698 | 14.25 | 17.24 | |
| SNOER 2.5M 2 X 1.0 H05VV-F W/PLUG 13A/250V (OLD 50 | ||||
| *241 | 500423Z | 12.87 | 15.57 | |
| Cord (cord Armor D8.8) For Pan | ||||
| *241 | 500447Z | 6.60 | 7.99 | |
| SNOER 10.7 (USE 714500=2X1 5M) | ||||
| *241 | 500247Z | 6.18 | 7.48 | |
| Switching Power Supply | ||||
| *249B | 371121 | 18.98 | 22.96 | |
| Internal Wire (d) | ||||
| *258 | 323983 | 3.15 | 3.81 | |
| Carbon Brush (1 Pair) | ||||
| *262 | 999065 | 7.95 | 9.62 | |
| Armature 230v | ||||
| *265 | 360710E | 71.70 | 86.76 | |
| ANKER 110-120 VOLT | ||||
| *265 | 360684U | 67.43 | 81.59 | |
| Stator 230v | ||||
| *273 | 340625E | 47.58 | 57.57 | |
| Stator Ass'y 220v Includ.274 | ||||
| *273 | 340603E | 37.95 | 45.92 | |
| Spring (b) | ||||
| 1 | 323141 | 1.05 | 1.27 | |
| Laser Holder (a) | ||||
| 2 | 323137 | 1.05 | 1.27 | |
| No information available, not orderable | ||||
| 3A | 328943 | |||
| Roll Pin D3x14 (10 Pcs.) | ||||
| 4 | 949900 | 2.40 | 2.90 | |
| Spring (c) | ||||
| 5 | 323142 | 1.05 | 1.27 | |
| Hex. Socket Set Screw M5x6 Till 2.1986 | ||||
| 6 | 962782 | 1.04 | 1.26 | |
| Split Pin D2x12 (10 Pcs.) | ||||
| 7 | 949531 | 1.05 | 1.27 | |
| No information available, not orderable | ||||
| 8 | 323144 | |||
| CORD CLAMP | ||||
| 9 | 975144 | 1.04 | 1.26 | |
| Laser Base Ass'y Include.11 | ||||
| 10A | 331876 | 4.65 | 5.63 | |
| Laser Module (a) Ass'y | ||||
| 12B | 331879 | 82.36 | 99.66 | |
| Ring | ||||
| 13 | 323143 | 1.05 | 1.27 | |
| Spring (a) | ||||
| 14 | 323140 | 1.05 | 1.27 | |
| Laser Cover | ||||
| 15 | 323136 | 1.65 | 2.00 | |
| No information available, not orderable | ||||
| 16 | 323208 | |||
| CLAMP HANDLE (OLD 322935) | ||||
| 17A | 371742 | 1.20 | 1.45 | |
| Bolt (left Hand) M10 | ||||
| 18 | 323665 | 5.10 | 6.17 | |
| Knob (a) | ||||
| 19 | 323666 | 2.10 | 2.54 | |
| Gear Box (c) | ||||
| 20 | 323597 | 1.05 | 1.27 | |
| Machine Screw (w/washers) M4x10 (black) | ||||
| 21 | 304043 | 1.05 | 1.27 | |
| Gearcase Cover | ||||
| 22 | 323598 | 1.05 | 1.27 | |
| Gear | ||||
| 23 | 323599 | 8.70 | 10.53 | |
| Hex. Socket Hd. Bolt M5x16 (10 Pcs.) | ||||
| 24 | 949821 | 2.55 | 3.09 | |
| Spring Washer M5 (10 pieces) | ||||
| 25 | 949454 | 1.04 | 1.26 | |
| No information available, not orderable | ||||
| 26 | 323596 | |||
| Shaft (d) | ||||
| 27A | 371740 | 2.10 | 2.54 | |
| Washer M16 | ||||
| 28 | 322934 | 1.05 | 1.27 | |
| Shaft (c) | ||||
| 29 | 323593 | 3.15 | 3.81 | |
| Hinge Except For Europe(till 9.2012 For Europe | ||||
| 30A | 323663 | 26.68 | 32.28 | |
| No information available, not orderable | ||||
| 30B | 336361 | |||
| Seal Lock Hex. Socket Set Screw M6x10 | ||||
| 39 | 307956 | 1.05 | 1.27 | |
| Sleeve | ||||
| 40 | 323594 | 1.05 | 1.27 | |
| Spring (a) | ||||
| 41 | 323595 | 5.10 | 6.17 | |
| Liner (d) | ||||
| 42 | 323684 | 1.05 | 1.27 | |
| Stopper Pin Ass'y Includ.94 | ||||
| 43 | 302518 | 4.50 | 5.44 | |
| O-ring (p-6) | ||||
| 44 | 984528 | 1.05 | 1.27 | |
| Dust Guide Ass'y Includ.47-49 | ||||
| 45 | 323719 | 4.50 | 5.44 | |
| Machine Screw (w/washers) M5x16 | ||||
| 46 | 990541 | 1.05 | 1.27 | |
| No information available, not orderable | ||||
| 47 | 323697 | |||
| Dust Guide Holder | ||||
| 48 | 322963 | 1.05 | 1.27 | |
| Machine Screw M4x6 (10 Pcs.) | ||||
| 49 | 949214 | 1.05 | 1.27 | |
| Bolt Washer M5 (10 Pcs.) | ||||
| 50 | 949431 | 1.04 | 1.26 | |
| Spring Washer M5 (10 pieces) | ||||
| 51 | 949454 | 1.04 | 1.26 | |
| Hex. Socket Hd. Bolt M5x16 (10 Pcs.) | ||||
| 52 | 949821 | 2.55 | 3.09 | |
| No information available, not orderable | ||||
| 53 | 323664 | |||
| Roll Pin D3x14 (10 Pcs.) | ||||
| 54 | 949900 | 2.40 | 2.90 | |
| Hex. Socket Hd. Bolt M6x20 (10 Pcs.) | ||||
| 55 | 949660 | 3.30 | 3.99 | |
| Liner (b) | ||||
| 56 | 323683 | 1.05 | 1.27 | |
| Machine Screw M4x20 (10 Pcs.) | ||||
| 57 | 949221 | 1.05 | 1.27 | |
| Washer M4 (10 Pcs.) | ||||
| 58 | 949423 | 1.05 | 1.27 | |
| Spring (c) | ||||
| 59 | 323142 | 1.05 | 1.27 | |
| No information available, not orderable | ||||
| 60 | 303006 | |||
| Bolt Washer M6 (10 Pcs.) | ||||
| 61 | 949432 | 1.05 | 1.27 | |
| No information available, not orderable | ||||
| 62 | 323662 | |||
| No information available, not orderable | ||||
| 63 | 323661 | |||
| No information available, not orderable | ||||
| 64 | 323659 | |||
| NYLOCK BOUT M8X25 | ||||
| 65 | 303409 | 1.00 | 1.21 | |
| Machine Screw (w/washers) M4x12 (black) Till 8.20 | ||||
| 66 | 935196 | 1.04 | 1.26 | |
| Indicator (b) | ||||
| 67 | 322893 | 1.05 | 1.27 | |
| Machine Screw (w/washers) M4x10 (black) | ||||
| 68 | 304043 | 1.05 | 1.27 | |
| Nylon Nut M12 | ||||
| 69 | 680418 | 3.30 | 3.99 | |
| Spring Plate | ||||
| 74A | 323627 | 6.30 | 7.62 | |
| Spring Washer M8 (10 Pcs.) | ||||
| 75 | 949457 | 1.05 | 1.27 | |
| Hex. Socket Hd. Bolt M8x16 (10 Pcs.) | ||||
| 76 | 949655 | 3.90 | 4.72 | |
| No information available, not orderable | ||||
| 77 | 323609 | |||
| Machine Screw (w/sp. Washer) M4x10 | ||||
| 78 | 307635 | 1.05 | 1.27 | |
| Side Handle | ||||
| 79 | 323680 | 3.15 | 3.81 | |
| Laser Holder Ass'y Include.1-10a,12-14a | ||||
| 80A | 329314 | 36.10 | 43.68 | |
| Machine screw M4x10 (10 pieces) (OLD 949216Z) | ||||
| 104 | 949216 | 1.05 | 1.27 | |
| Machine Screw M4x16 | ||||
| 105 | 954878 | 1.05 | 1.27 | |
| Cord Cover | ||||
| 106 | 323650 | 1.05 | 1.27 | |
| Rotary Table | ||||
| 107 | 323624 | 83.60 | 101.16 | |
| No information available, not orderable | ||||
| 118 | 975348 | |||
| No information available, not orderable | ||||
| 119 | 318929 | |||
| Machine Screw (w/washers) M4x10 (black) | ||||
| 120 | 304043 | 1.05 | 1.27 | |
| INDICATOR (A) | ||||
| 121 | 318927 | 1.26 | 1.52 | |
| Table Insert (a) | ||||
| 122 | 323648 | 2.10 | 2.54 | |
| Table Insert (b) | ||||
| 123 | 323649 | 2.10 | 2.54 | |
| Machine Screw (w/washers) M5x16 | ||||
| 124 | 990541 | 1.05 | 1.27 | |
| Machine Screw (w/washers) M4x16 | ||||
| 126 | 993539 | 1.04 | 1.26 | |
| Monitor Case (b) | ||||
| 132 | 323693 | 5.85 | 7.08 | |
| No information available, not orderable | ||||
| 135 | 323677 | |||
| No information available, not orderable | ||||
| 136 | 323678 | |||
| Wing Bolt M6x15 | ||||
| 137 | 301806 | 1.05 | 1.27 | |
| Bolt Washer M6 (10 Pcs.) | ||||
| 139 | 949432 | 1.05 | 1.27 | |
| Clamping Plate | ||||
| 140 | 302532 | 2.40 | 2.90 | |
| Machine screw M4x10 (10 pieces) (OLD 949216Z) | ||||
| 141 | 949216 | 1.05 | 1.27 | |
| No information available, not orderable | ||||
| 142 | 322954 | |||
| Nylon Nut M6 | ||||
| 143 | 963837 | 1.05 | 1.27 | |
| Machine Screw (w/washers) M4x10 (black) | ||||
| 144 | 304043 | 1.05 | 1.27 | |
| Plate (c) | ||||
| 145 | 323631 | 1.05 | 1.27 | |
| No information available, not orderable | ||||
| 146 | 323630 | |||
| Wing Bolt M6x15 | ||||
| 148 | 301806 | 1.05 | 1.27 | |
| Bolt M8x35 (10 Pcs.) | ||||
| 149 | 949678 | 2.55 | 3.09 | |
| Spring Washer M8 (10 Pcs.) | ||||
| 150 | 949457 | 1.05 | 1.27 | |
| Bolt Washer M8 (10 Pcs.) | ||||
| 151 | 949433 | 1.05 | 1.27 | |
| Fence (b) | ||||
| 152 | 323629 | 15.68 | 18.97 | |
| Flat Hd. Screw M6x30 | ||||
| 153 | 323685 | 1.65 | 2.00 | |
| Liner (a) | ||||
| 154 | 323625 | 3.15 | 3.81 | |
| No information available, not orderable | ||||
| 159A | 322910 | |||
| Bolt M6x10 (10 Pcs.) | ||||
| 160 | 949610 | 1.20 | 1.45 | |
| Machine Screw (w/sp. Washer) M5x16 | ||||
| 161 | 987512 | 1.04 | 1.26 | |
| No information available, not orderable | ||||
| 162 | 323605 | |||
| Fence (a) | ||||
| 165 | 323628 | 15.26 | 18.47 | |
| Base Rubber | ||||
| 168 | 323606 | 1.05 | 1.27 | |
| No information available, not orderable | ||||
| 169 | 324651 | |||
| No information available, not orderable | ||||
| 170 | 323626 | |||
| No information available, not orderable | ||||
| 172 | 323692 | |||
| Bolt (a) M10 | ||||
| 191 | 988101 | 1.95 | 2.36 | |
| No information available, not orderable | ||||
| 192 | 323652 | |||
| WASHER (B) (OLD 323652) | ||||
| 192A | 339652 | 1.80 | 2.18 | |
| No information available, not orderable | ||||
| 193 | 324269 | |||
| No information available, not orderable | ||||
| 194 | 323651 | |||
| No information available, not orderable | ||||
| 195 | 323208 | |||
| Spindle Ass'y | ||||
| 196A | 323639 | 20.90 | 25.29 | |
| Bearing Holder | ||||
| 197 | 323641 | 4.65 | 5.63 | |
| Ball Bearing 6203vvcmps2l | ||||
| 198 | 6203VV | 7.80 | 9.44 | |
| Machine Screw (w/washers) M4x10 (black) | ||||
| 200 | 304043 | 1.05 | 1.27 | |
| Spindle And Gear Set | ||||
| 201 | 323640 | 10.80 | 13.07 | |
| Ball Bearing 608vvc2ps2l | ||||
| 202 | 608VVM | 5.70 | 6.90 | |
| No information available, not orderable | ||||
| 203 | 323208 | |||
| Handle | ||||
| 204 | 322924 | 5.55 | 6.72 | |
| Nylon Clip | ||||
| 205 | 980523 | 1.05 | 1.27 | |
| Machine Screw (w/washers) M4x12 (black) Till 8.20 | ||||
| 206 | 935196 | 1.04 | 1.26 | |
| Hex. Socket Hd. Bolt M6x16 (10 Pcs.) | ||||
| 207 | 949755 | 3.00 | 3.63 | |
| Gear Cover | ||||
| 208 | 323638 | 64.63 | 78.20 | |
| Gear Cover | ||||
| 208A | 336362 | 31.35 | 37.93 | |
| Machine Screw (w/washers) M4x16 | ||||
| 209 | 993539 | 1.04 | 1.26 | |
| No information available, not orderable | ||||
| 210 | 323653 | |||
| No information available, not orderable | ||||
| 211 | 323654 | |||
| Washer M7 | ||||
| 213 | 322948 | 1.05 | 1.27 | |
| No information available, not orderable | ||||
| 214 | 323674 | |||
| Special Screw M6 For Europe,aus,model (s) | ||||
| 216 | 322950 | 1.05 | 1.27 | |
| Flat Hd. Screw M4x10 (black) | ||||
| 217 | 318363 | 1.50 | 1.82 | |
| Protective Cover (b) | ||||
| 218 | 323698 | 14.25 | 17.24 | |
| Spring Washer M5 (10 pieces) | ||||
| 219 | 949454 | 1.04 | 1.26 | |
| Cover Plate (b) Ass'y Includ.296 | ||||
| 220 | 323672 | 6.75 | 8.17 | |
| Cushion | ||||
| 221 | 323673 | 1.05 | 1.27 | |
| Protective Cover (a) | ||||
| 222 | 323667 | 31.49 | 38.10 | |
| Return Spring | ||||
| 223 | 323671 | 1.05 | 1.27 | |
| Cover Plate (a) | ||||
| 224 | 323669 | 3.15 | 3.81 | |
| Label | ||||
| 225 | 323670 | 1.05 | 1.27 | |
| Spring Washer M5 (10 pieces) | ||||
| 226 | 949454 | 1.04 | 1.26 | |
| Machine Screw M5x10 (10 Pcs.) For Irl | ||||
| 227 | 949236 | 1.05 | 1.27 | |
| Special Screw (c) M5 | ||||
| 230 | 322947 | 1.05 | 1.27 | |
| Washer | ||||
| 231 | 322938 | 1.05 | 1.27 | |
| Machine Screw M4x8 (10 Pcs.) | ||||
| 232 | 949215 | 1.05 | 1.27 | |
| Machine Screw M5x10 (black) | ||||
| 233 | 323040 | 1.05 | 1.27 | |
| Tapping Screw (w/flange) D4x25 (black) | ||||
| 237 | 307028 | 1.05 | 1.27 | |
| No information available, not orderable | ||||
| 239 | 984750 | |||
| Cord Clip | ||||
| 240 | 937631 | 1.04 | 1.26 | |
| SNOER 2.5M 2 X 1.0 H05VV-F W/PLUG 13A/250V (OLD 50 | ||||
| 241 | 500423Z | 12.87 | 15.57 | |
| Cord (cord Armor D8.8) For Pan | ||||
| 241 | 500447Z | 6.60 | 7.99 | |
| SNOER 10.7 (USE 714500=2X1 5M) | ||||
| 241 | 500247Z | 6.18 | 7.48 | |
| Cord Armor D10.7 | ||||
| 242 | 940778 | 2.10 | 2.54 | |
| Cord Bush | ||||
| 244 | 319349 | 1.50 | 1.82 | |
| Tapping Screw (w/flange) D4x20 (black) | ||||
| 246 | 301653 | 1.04 | 1.26 | |
| Switch Handle (c).(d) Set Includ.254 | ||||
| 247A | 324954 | 20.90 | 25.29 | |
| No information available, not orderable | ||||
| 248 | 984750 | |||
| Switching Power Supply | ||||
| 249B | 371121 | 18.98 | 22.96 | |
| Tapping Screw (w/flange) D4x20 (black) | ||||
| 250 | 301653 | 1.04 | 1.26 | |
| Switch Button | ||||
| 251 | 323645 | 1.05 | 1.27 | |
| Switch | ||||
| 252 | 323634 | 5.70 | 6.90 | |
| No information available, not orderable | ||||
| 254 | 323695 | |||
| No information available, not orderable | ||||
| 256 | 984750 | |||
| Switch | ||||
| 257 | 320950 | 32.18 | 38.93 | |
| Internal Wire (d) | ||||
| 258 | 323983 | 3.15 | 3.81 | |
| Housing | ||||
| 259 | 322914 | 22.83 | 27.62 | |
| Hex Adjustment Screw M5x8 | ||||
| 260 | 938477 | 1.05 | 1.27 | |
| Brush Holder | ||||
| 261 | 938241 | 6.45 | 7.80 | |
| Carbon Brush (1 Pair) | ||||
| 262 | 999065 | 7.95 | 9.62 | |
| Brush Cap | ||||
| 263 | 945161 | 1.20 | 1.45 | |
| Rubber Ring | ||||
| 264 | 303792 | 1.05 | 1.27 | |
| Armature 230v | ||||
| 265 | 360710E | 71.70 | 86.76 | |
| ANKER 110-120 VOLT | ||||
| 265 | 360684U | 67.43 | 81.59 | |
| Ball Bearing 6202vvcmps2l | ||||
| 266 | 6202VV | 7.05 | 8.53 | |
| Washer | ||||
| 267 | 980700 | 1.04 | 1.26 | |
| Lock Lever | ||||
| 268 | 323637 | 1.05 | 1.27 | |
| Ring | ||||
| 269 | 302428 | 1.04 | 1.26 | |
| Ball Bearing 6000vvcmps2l | ||||
| 270 | 6000VV | 6.15 | 7.44 | |
| Fan Guide | ||||
| 271 | 322915 | 2.25 | 2.72 | |
| Hex. Hd. Tapping Screw D5x55 | ||||
| 272 | 953174 | 1.04 | 1.26 | |
| Stator 230v | ||||
| 273 | 340625E | 47.58 | 57.57 | |
| Stator Ass'y 220v Includ.274 | ||||
| 273 | 340603E | 37.95 | 45.92 | |
| Brush Terminal | ||||
| 274 | 937623 | 1.04 | 1.26 | |
| Machine Screw (w/washers) M5x40 (black) | ||||
| 275 | 322123 | 1.65 | 2.00 | |
| Spring | ||||
| 276 | 324625 | 1.05 | 1.27 | |
| Lever Shaft | ||||
| 277 | 323990 | 2.10 | 2.54 | |
| Lock Lever (d) For Europe,aus,nzl | ||||
| 278 | 324626 | 3.15 | 3.81 | |
| Nylon Nut M5 | ||||
| 279 | 877371 | 1.05 | 1.27 | |
| Machine Screw M5x10 (10 Pcs.) For Irl | ||||
| 280 | 949236 | 1.05 | 1.27 | |
| Lever Holder (a) For Europe,aus,nzl | ||||
| 281 | 324627 | 2.10 | 2.54 | |
| Noise Suppressor | ||||
| 282 | 930039 | 1.95 | 2.36 | |
| No information available, not orderable | ||||
| 283 | 958308Z | |||
| Link (b) Ass'y Includ.213,216,285-292 For Europe, | ||||
| 284 | 324630 | 12.45 | 15.06 | |
| Link (b) For Aus,nzl (till 9.2012 For Europe) | ||||
| 285 | 324631 | 5.10 | 6.17 | |
| Link (d) Since 10.2012 For Europe | ||||
| 285A | 336363 | 5.10 | 6.17 | |
| Link (c) For Aus,nzl (till 9.2012 For Europe) | ||||
| 286 | 324632 | 3.15 | 3.81 | |
| Link (c) Since 10.2012 For Europe | ||||
| 286A | 336364 | 1.50 | 1.82 | |
| Machine Screw (w/washers) M4x12 (black) Till 8.20 | ||||
| 287 | 935196 | 1.04 | 1.26 | |
| Stop Plate For Europe, AUS, NZL | ||||
| 288 | 323985 | 2.10 | 2.54 | |
| Plunger | ||||
| 289 | 323988 | 2.10 | 2.54 | |
| Label | ||||
| 290 | 323989 | 3.15 | 3.81 | |
| Return Spring (a) For Europe,aus,nzl | ||||
| 291 | 323984 | 1.05 | 1.27 | |
| Wing Bolt M6x17 | ||||
| 293 | 302459 | 1.05 | 1.27 | |
| Washer (d) For Europe | ||||
| 294 | 324633 | 5.85 | 7.08 | |
| Washer (c) For Europe | ||||
| 295 | 324634 | 5.10 | 6.17 | |
| No information available, not orderable | ||||
| 297 | 326825 | |||
| Machine Screw (w/washers) M4x12 (black) Till 8.20 | ||||
| 298 | 935196 | 1.04 | 1.26 | |
| Guard (a) Since 10.2012 For Europe | ||||
| 299 | 336365 | 1.04 | 1.26 | |
| Guide Holder Since 10.2012 For Europe | ||||
| 300 | 336366 | 1.04 | 1.26 | |
| Flat Hd. Screw M5x16 (10 Pcs.) | ||||
| 301 | 949334 | 1.20 | 1.45 | |
| No information available, not orderable | ||||
| 501 | 944458 | |||
| No information available, not orderable | ||||
| 502 | 985051 | |||
| No information available, not orderable | ||||
| 503 | 322955M | |||
| No information available, not orderable | ||||
| 601 | 323546 | |||
| Wing Bolt M6x15 | ||||
| 602 | 301806 | 1.05 | 1.27 | |
| No information available, not orderable | ||||
| 604 | 321390 | |||
| No information available, not orderable | ||||
| 605 | 323682 | |||
| No information available, not orderable | ||||
| 606 | 323547 | |||
| No information available, not orderable | ||||
| 607 | 323682 | |||
| No information available, not orderable | ||||
| 608 | 321390 | |||
| Wing Bolt M6x15 | ||||
| 610 | 301806 | 1.05 | 1.27 | |
| Holder Ass'y Includ.612-617 | ||||
| 611 | 323657 | 43.86 | 53.07 | |
| No information available, not orderable | ||||
| 612 | 321549 | |||
| Wing Nut M6 (10 Pcs.) | ||||
| 613 | 949313 | 4.65 | 5.63 | |
| Tpe (sl),kor (sl) | ||||
| 614 | 949556 | 1.05 | 1.27 | |
| KLEMPLAAT | ||||
| 615 | 322047 | 1.38 | 1.67 | |
| Washer M6 (10 Pcs.) | ||||
| 616 | 949425 | 1.05 | 1.27 | |
| No information available, not orderable | ||||
| 617 | 323681 | |||
| Stopper | ||||
| 618 | 974561 | 7.05 | 8.53 | |
| Wing Bolt M6x20 (10 Pcs.) | ||||
| 619 | 949404 | 7.65 | 9.26 | |
| No information available, not orderable | ||||
| 620 | 323545 | |||
| No information available, not orderable | ||||
| 621 | 322957 | |||
| No information available, not orderable | ||||
| 622 | 321551 | |||
| Knob Bolt M6x11 | ||||
| 623 | 998836 | 1.65 | 2.00 | |
| No information available, not orderable | ||||
| 625 | 306985 | |||
| Base Rubber | ||||
| 626 | 964851 | 1.05 | 1.27 | |
| Machine Screw (w/washers) M4x10 (black) | ||||
| 627 | 304043 | 1.05 | 1.27 | |
| Vise Shaft | ||||
| 628 | 318967 | 3.00 | 3.63 | |
| No information available, not orderable | ||||
| 629 | 323523 | |||
| No information available, not orderable | ||||
| 630 | 305546 | |||