Here you will find all available parts and drawings of the 'Festool 493824 ( TOEVOEREENHEIDVE-SRM70 )'. From here you can order all desired parts directly. Many parts must be ordered from the manufacturer, depending on the brand, this takes one to four weeks. All the information we have is on our website, we cannot advise you on what you need, for that you will need to return the machine for repair. Please note the following when ordering:
Due to a reorganization within Festool, Festool orders will not be delivered until the second half of January 2026.
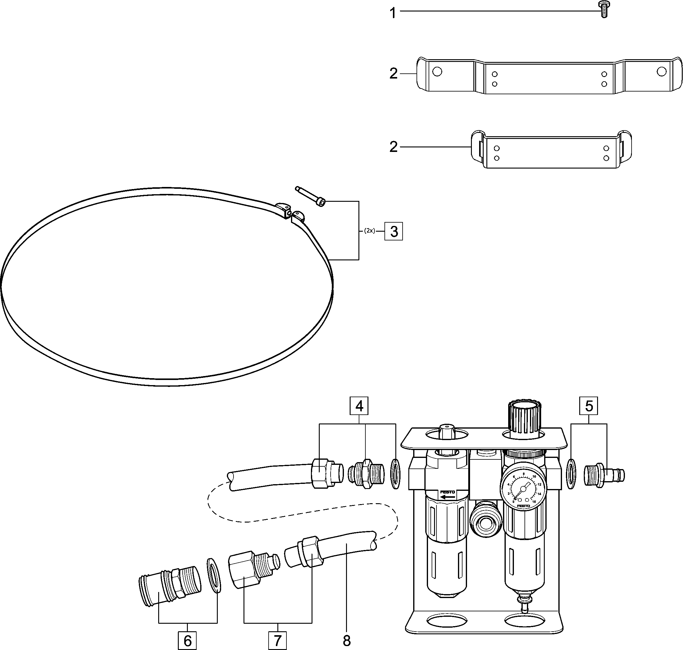
Technical drawing of model Festool 493824 ( TOEVOEREENHEIDVE-SRM70 )
Spare parts list of model Festool 493824 ( TOEVOEREENHEIDVE-SRM70 )
| Pos. | Description | Price excl. VAT | Price incl. VAT | |
| Prices shown include VAT | ||||
| Oval head screw DIN 7985-M4x8-4.8 | ||||
| 1 | 203806 | 1.39 | 1.68 | |
| No information available, not orderable | ||||
| 2 | xxx | |||
| No information available, not orderable | ||||
| 3 | 493991 | |||
| Male connector CK-3/8-PK-13 ET-BG | ||||
| 4 | 200481 | 48.28 | 58.42 | |
| No information available, not orderable | ||||
| 5 | xxx | |||
| Quick-coupl. so KD-1/2 ET-BG | ||||
| 6 | 200476 | 53.60 | 64.86 | |
| Male connector ACK-1/2-PK-13 ET-BG | ||||
| 7 | 200845 | 48.64 | 58.85 | |
| Hose PL -13 2400MM | ||||
| 8 | 454089 | 75.02 | 90.77 | |