Here you will find all available parts and drawings of the 'Festool 489869 ( RO150E230V )'. From here you can order all desired parts directly. Many parts must be ordered from the manufacturer, depending on the brand, this takes one to four weeks. All the information we have is on our website, we cannot advise you on what you need, for that you will need to return the machine for repair. Please note the following when ordering:
Due to a reorganization within Festool, Festool orders will not be delivered until the second half of January 2026.
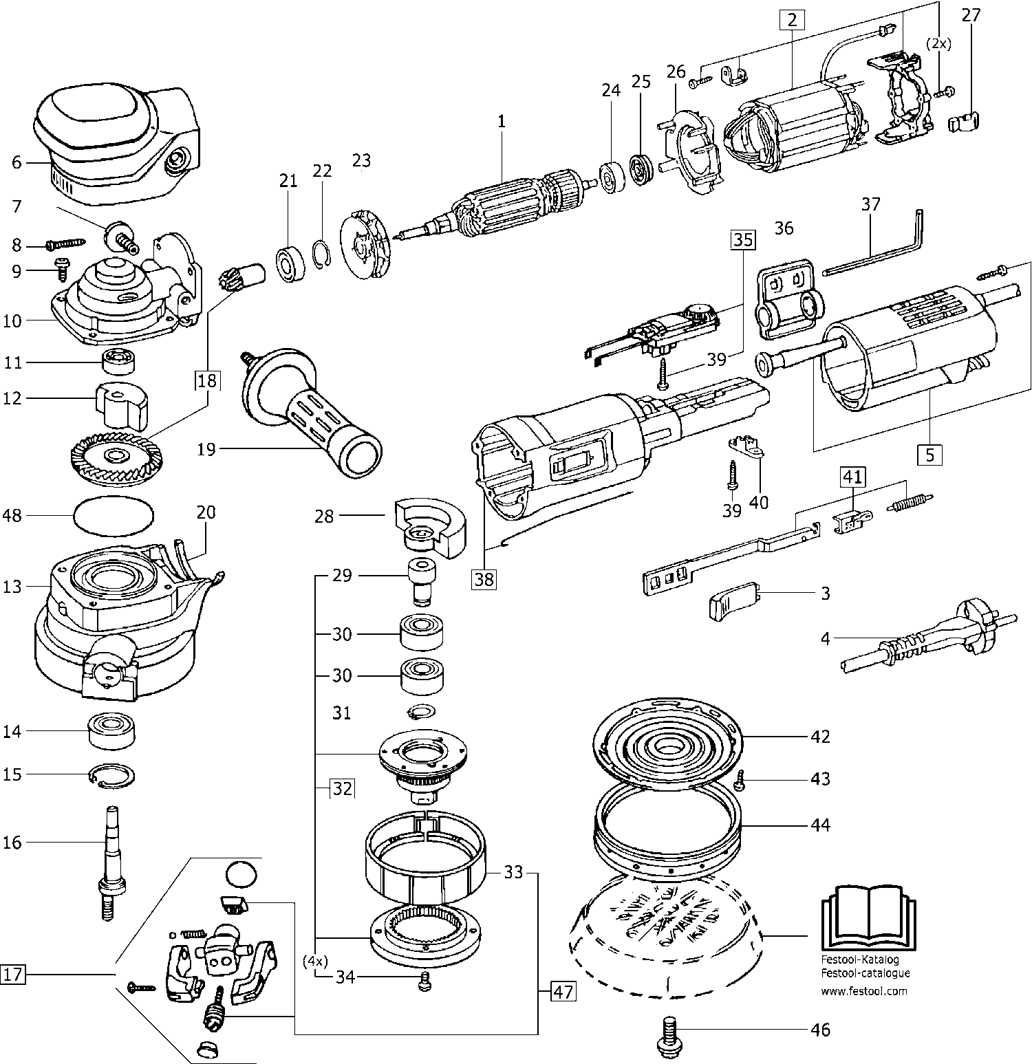
Technical drawing of model Festool 489869 ( RO150E230V )
Spare parts list of model Festool 489869 ( RO150E230V )
| Pos. | Description | Price excl. VAT | Price incl. VAT | |
| Prices shown include VAT | ||||
| ARMATURE 230V RO 150 E 230V ET-BG | ||||
| 1 | 492456 | 82.40 | 99.70 | |
| FIELD COIL RAS 115.04 E | ||||
| 2 | 487791 | 43.44 | 52.56 | |
| SLIDE SWITCH RO 2 E | ||||
| 3 | 446002 | 4.88 | 5.90 | |
| CABLE WITH PLUG AP 55 E DIN-H05RN-F | ||||
| 4 | 457410 | 24.32 | 29.43 | |
| CAP RO 2 E | ||||
| 5 | 487674 | 23.60 | 28.56 | |
| HOOD RO 150 E | ||||
| 6 | 487424 | 12.34 | 14.93 | |
| SCREW PLASTIC WET-A | ||||
| 7 | 435103 | 2.30 | 2.78 | |
| Oval head screw PT-3,5x25-PZV | ||||
| 8 | 400233 | 1.39 | 1.68 | |
| Oval head screw M4x10-TAPTITE-PZV | ||||
| 9 | 400234 | 1.39 | 1.68 | |
| Gear box RO 150 E | ||||
| 10 | 446277 | 26.74 | 32.36 | |
| BALL BEARING 608 DIN 625 | ||||
| 11 | 228715 | 4.42 | 5.35 | |
| COUNTERWEIGHT RO 150 E | ||||
| 12 | 457184 | 17.18 | 20.79 | |
| HOUSING RO 2 E | ||||
| 13 | 444914 | 44.53 | 53.88 | |
| Ball bearing 6201 DDU C3 E D8 MA7S-M | ||||
| 14 | 400065 | 8.38 | 10.14 | |
| Circlip DIN 472-32x1,2 | ||||
| 15 | 401246 | 1.39 | 1.68 | |
| SHAFT RO 2 E | ||||
| 16 | 445171 | 51.18 | 61.93 | |
| SWITCH RO 150 E | ||||
| 17 | 487800 | 39.32 | 47.58 | |
| No longer available, no replacement | ||||
| 18 | 486643 | |||
| Auxiliary handle | ||||
| 19 | 487865 | 8.00 | 9.68 | |
| No information available, not orderable | ||||
| 20 | xxx | |||
| BALL BEARING 627 Z/D MC5E NSK | ||||
| 21 | 228746 | 7.52 | 9.10 | |
| Circlip DIN 472-22x1 | ||||
| 22 | 204471 | 1.39 | 1.68 | |
| Fan RO 2 E | ||||
| 23 | 485108 | 7.52 | 9.10 | |
| Ball bearing 626 DD M5MTLY 121 | ||||
| 24 | 228672 | 6.79 | 8.22 | |
| Solenoid ring RO 2 E | ||||
| 25 | 444018 | 2.11 | 2.55 | |
| HOUSING INSERT RO 2 E | ||||
| 26 | 442901 | 4.68 | 5.66 | |
| Carbon brush RO 150 E ET-BG | ||||
| 27 | 492629 | 10.56 | 12.78 | |
| No information available, not orderable | ||||
| 28 | xxx | |||
| No longer available, no replacement | ||||
| 29 | 451633 | |||
| Ball bearing 6001 RS/Z DIN 625 C3 | ||||
| 30 | 400048 | 7.58 | 9.17 | |
| Circlip DIN 471-12x1 | ||||
| 31 | 200619 | 1.39 | 1.68 | |
| GEAR SET RO 150 E ET-GRUPPE | ||||
| 32 | 489161 | 134.43 | 162.66 | |
| Switching ring RO 150 E | ||||
| 33 | 451886 | 63.89 | 77.31 | |
| Cylinder screw M4 x 6 | ||||
| 34 | 453584 | 1.39 | 1.68 | |
| ELECTRONIC 230V RO 150 E BASIC UNIT ASSE | ||||
| 35 | 487751 | 115.68 | 139.97 | |
| ALLEN KEY HOLDE RO 150 E | ||||
| 36 | 446275 | 1.98 | 2.40 | |
| Screw driver SW 5 DIN911 | ||||
| 37 | 202752 | 1.39 | 1.68 | |
| MOTOR HOUSING RAS 115.04 E | ||||
| 38 | 487792 | 32.55 | 39.39 | |
| Oval head screw PT-3,5x16-KT15 | ||||
| 39 | 228663 | 1.39 | 1.68 | |
| CABLE CLAMP RO 2 E | ||||
| 40 | 439662 | 1.39 | 1.68 | |
| SWITCH ROD RAS 115.04 E BASIC UNIT | ||||
| 41 | 487794 | 15.00 | 18.15 | |
| No longer available, no replacement | ||||
| 42 | 484561 | |||
| Oval head screw M3x8-TAPTITE-KREUZ | ||||
| 43 | 400235 | 1.39 | 1.68 | |
| No information available, not orderable | ||||
| 44 | 444257 | |||
| No information available, not orderable | ||||
| 46 | 485802 | |||
| SWITCHING RING RO 150 E | ||||
| 47 | 492208 | 77.56 | 93.85 | |
| O-ring 60x1,5-NBR-70SHORE | ||||
| 48 | 233066 | 3.36 | 4.07 | |