Here you will find all available parts and drawings of the 'Festool 487348 ( ET2E )'. From here you can order all desired parts directly. Many parts must be ordered from the manufacturer, depending on the brand, this takes one to four weeks. All the information we have is on our website, we cannot advise you on what you need, for that you will need to return the machine for repair. Please note the following when ordering:
Due to a reorganization within Festool, Festool orders will not be delivered until the second half of January 2026.
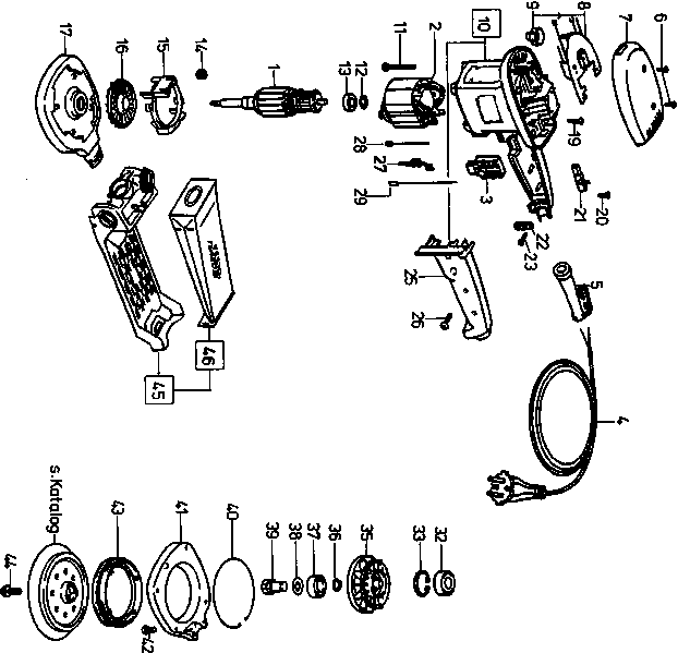
Technical drawing of model Festool 487348 ( ET2E )
Spare parts list of model Festool 487348 ( ET2E )
| Pos. | Description | Price excl. VAT | Price incl. VAT | |
| Prices shown include VAT | ||||
| ARMATURE 230V ET 2 E 230V ET-BG | ||||
| 1 | 493135 | 128.62 | 155.63 | |
| No longer available, no replacement | ||||
| 2 | 493137 | |||
| Switch attachme ET 2 E | ||||
| 3 | 486317 | 15.00 | 18.15 | |
| CABLE WITH PLUG AP 85 E DIN-H05RN-F | ||||
| 4 | 457600 | 24.32 | 29.43 | |
| No information available, not orderable | ||||
| 5 | xxx | |||
| Oval head screw PT-3,5x10-KT15 | ||||
| 6 | 219031 | 7.32 | 8.86 | |
| TOP CAP RS 3 E VOLLST. | ||||
| 7 | 488661 | 11.78 | 14.25 | |
| ELECTRONIC CARD ET 2 E ET-BAUGRUPPE | ||||
| 8 | 486686 | 61.47 | 74.38 | |
| No information available, not orderable | ||||
| 9 | xxx | |||
| HOUSING RS 2 E | ||||
| 10 | 487834 | 37.51 | 45.39 | |
| Oval head screw PT-4,0x40-KT15 | ||||
| 11 | 219080 | 1.39 | 1.68 | |
| WASHER 14x21,8x0,3 L+MN 1100 | ||||
| 12 | 203777 | 1.39 | 1.68 | |
| Groove Ball Bearing 608 D1 MC3 E U152 J2 HA1 | ||||
| 13 | 10775821 | 5.09 | 6.16 | |
| Hexagon nut DIN 934-M4-08 | ||||
| 14 | 200715 | 1.39 | 1.68 | |
| FAN HOUSING RS 1 | ||||
| 15 | 443109 | 2.57 | 3.11 | |
| FAN RS 1 | ||||
| 16 | 436451 | 2.18 | 2.64 | |
| No information available, not orderable | ||||
| 17 | xxx | |||
| Oval head screw M4x20-TAPTITE-T15 | ||||
| 19 | 228569 | 1.39 | 1.68 | |
| Oval head screw PT-3,5x10-KT15 | ||||
| 20 | 219031 | 7.32 | 8.86 | |
| BRUSH ET2E / RS2/3/4 1PAIR | ||||
| 21 | 489018 | 10.75 | 13.01 | |
| Cable clamp RS 3 | ||||
| 22 | 439288 | 1.39 | 1.68 | |
| Oval head screw PT-3,5x16-KT15 | ||||
| 23 | 228663 | 1.39 | 1.68 | |
| HANDLE SEGMENT RS 2 E | ||||
| 25 | 451402 | 6.26 | 7.57 | |
| Oval head screw PT-4.0x20-KT15 | ||||
| 26 | 228567 | 1.39 | 1.68 | |
| Plug-in bracket AP 65 E | ||||
| 27 | 443331 | 1.51 | 1.83 | |
| No information available, not orderable | ||||
| 28 | 440585 | |||
| No information available, not orderable | ||||
| 29 | 443878 | |||
| Ball bearing 6201 DDUCM D8 AS2SM | ||||
| 32 | 228659 | 8.11 | 9.81 | |
| Circlip DIN 472-32x1,2 | ||||
| 33 | 401246 | 1.39 | 1.68 | |
| No information available, not orderable | ||||
| 35 | 488856 | |||
| Circlip DIN 471-12x1 | ||||
| 36 | 200619 | 1.39 | 1.68 | |
| Ball bearing 6001 RS/Z DIN 625 C3 | ||||
| 37 | 400048 | 7.58 | 9.17 | |
| Washer ET 2 E | ||||
| 38 | 443660 | 1.39 | 1.68 | |
| SPINDLE LET-GA | ||||
| 39 | 720438 | 26.38 | 31.92 | |
| No information available, not orderable | ||||
| 40 | xxx | |||
| COVER PLATE ET 2 E 2 BLATT | ||||
| 41 | 442925 | 9.90 | 11.98 | |
| Oval head screw M4x12-TAPTITE-T15 | ||||
| 42 | 228509 | 1.39 | 1.68 | |
| Collar ETS 150 | ||||
| 43 | 701156 | 7.39 | 8.94 | |
| Ch. head screw ZUBEH R | ||||
| 44 | 401165 | 1.39 | 1.68 | |
| Turbo filter bag set | ||||
| 45 | 487780 | 25.00 | 30.25 | |
| Turbo filter bag | ||||
| 46 | 487779 | 8.00 | 9.68 | |