Here you will find all available parts and drawings of the 'Festool 485775 ( AP55 )'. From here you can order all desired parts directly. Many parts must be ordered from the manufacturer, depending on the brand, this takes one to four weeks. All the information we have is on our website, we cannot advise you on what you need, for that you will need to return the machine for repair. Please note the following when ordering:
Due to a reorganization within Festool, Festool orders will not be delivered until the second half of January 2026.
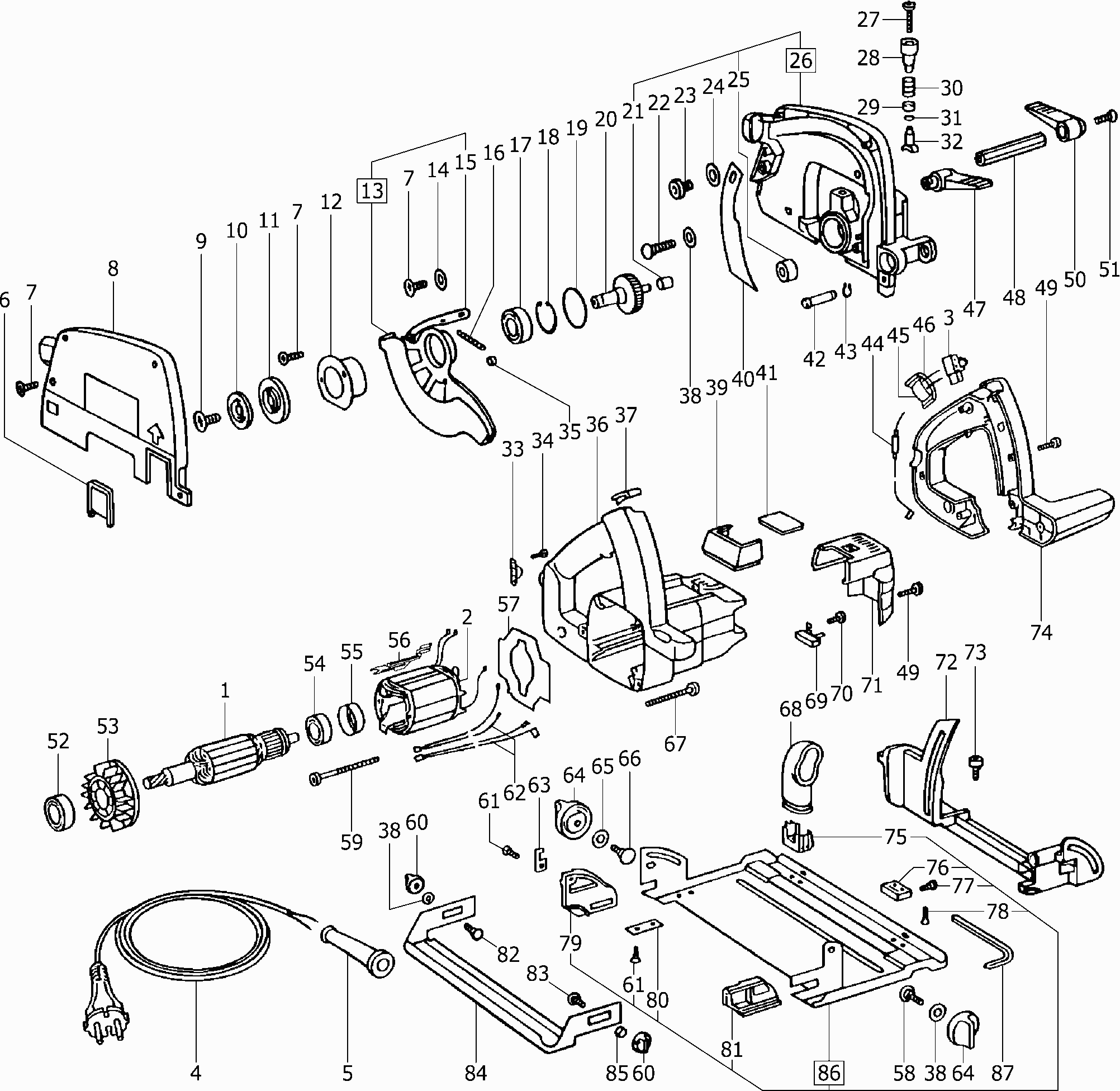
Technical drawing of model Festool 485775 ( AP55 )
Spare parts list of model Festool 485775 ( AP55 )
| Pos. | Description | Price excl. VAT | Price incl. VAT | |
| Prices shown include VAT | ||||
| ARMATURE 230V AP 55 230V ET-BG | ||||
| 1 | 493219 | 157.18 | 190.19 | |
| VELDPAKKET AP 55 | ||||
| 2 | 493220 | 78.17 | 94.59 | |
| No information available, not orderable | ||||
| 3 | 490843 | |||
| CABLE WITH PLUG ATF 55 DIN-H05RN-F | ||||
| 4 | 461124 | 24.32 | 29.43 | |
| Cable conduit RTR 1409 | ||||
| 5 | 432436 | 1.39 | 1.68 | |
| BLADE COVER WIN AP 55 E | ||||
| 6 | 438943 | 3.89 | 4.71 | |
| Countersink M4x10-TAPTITE-KT15 | ||||
| 7 | 228736 | 1.39 | 1.68 | |
| No information available, not orderable | ||||
| 8 | xxx | |||
| SCREW AF 45 E | ||||
| 9 | 439269 | 1.85 | 2.24 | |
| FLANGE ATF 55 E | ||||
| 10 | 440089 | 5.74 | 6.95 | |
| No information available, not orderable | ||||
| 11 | xxx | |||
| No information available, not orderable | ||||
| 12 | xxx | |||
| No information available, not orderable | ||||
| 13 | 488077 | |||
| No information available, not orderable | ||||
| 14 | xxx | |||
| No information available, not orderable | ||||
| 15 | xxx | |||
| SPRING AP 55 E | ||||
| 16 | 440723 | 1.45 | 1.75 | |
| Ball bearing 6201 DDUCM D8 AS2SM | ||||
| 17 | 228659 | 8.11 | 9.81 | |
| Circlip DIN 472-32x1,2 | ||||
| 18 | 401246 | 1.39 | 1.68 | |
| O-ring 33x1,5-NBR-70SHORE | ||||
| 19 | 215499 | 1.39 | 1.68 | |
| GEAR AP 55 E | ||||
| 20 | 441034 | 49.73 | 60.17 | |
| SLEEVE AP 55 E | ||||
| 21 | 439042 | 2.38 | 2.88 | |
| SCREW AP 65 E | ||||
| 22 | 444362 | 1.39 | 1.68 | |
| Ch. head screw DIN 6912-M6x12-8.8 | ||||
| 23 | 774326 | 1.92 | 2.32 | |
| Disc DIN 9021-6,4-100 HV | ||||
| 24 | 228546 | 1.39 | 1.68 | |
| BUFFER AXP 130 | ||||
| 25 | 714434 | 4.75 | 5.75 | |
| No information available, not orderable | ||||
| 26 | 487572 | |||
| Oval head screw DIN 7985-M4x40-4.8 | ||||
| 27 | 228591 | 1.39 | 1.68 | |
| SPINDLE STOP KN AP 55 E | ||||
| 28 | 440441 | 3.24 | 3.92 | |
| Supporting ring AP 65 E | ||||
| 29 | 444142 | 1.39 | 1.68 | |
| Pressure Sprin GRA-1/4-B | ||||
| 30 | 201134 | 1.39 | 1.68 | |
| O-RING 12,8x3,2 PERBUNAN | ||||
| 31 | 444234 | 1.39 | 1.68 | |
| Lock bolt AP 65 E | ||||
| 32 | 444114 | 8.98 | 10.87 | |
| Cable clamp RS 3 | ||||
| 33 | 439288 | 1.39 | 1.68 | |
| Oval head screw PT-3,5x16-KT15 | ||||
| 34 | 228663 | 1.39 | 1.68 | |
| No information available, not orderable | ||||
| 35 | xxx | |||
| MOTOR HOUSING AP 55 EB 2 BLATT | ||||
| 36 | 446281 | 22.14 | 26.79 | |
| No information available, not orderable | ||||
| 37 | xxx | |||
| Disc DIN 7349-6,4 | ||||
| 38 | 402935 | 1.39 | 1.68 | |
| COVER AT 55 E | ||||
| 39 | 438607 | 4.09 | 4.95 | |
| BLADE KEEL AP 55 E | ||||
| 40 | 440035 | 6.53 | 7.90 | |
| No information available, not orderable | ||||
| 41 | xxx | |||
| No information available, not orderable | ||||
| 42 | xxx | |||
| No information available, not orderable | ||||
| 43 | xxx | |||
| CAPACITOR AXT 50 LA ET | ||||
| 45 | 492778 | 18.15 | 21.96 | |
| FOAM RUBBER STR AXT 55 | ||||
| 46 | 434716 | 1.39 | 1.68 | |
| LEVER AP 55 E VOLLST. | ||||
| 47 | 486639 | 7.00 | 8.47 | |
| HEX SHAFT AP 55 E | ||||
| 48 | 438950 | 12.70 | 15.37 | |
| Oval head screw PT-4,0x25-KT15 | ||||
| 49 | 228580 | 1.39 | 1.68 | |
| Lever AP 55 E | ||||
| 50 | 438944 | 1.51 | 1.83 | |
| Countersink DIN 965-M6x10-4.8-PR30 | ||||
| 51 | 402365 | 1.39 | 1.68 | |
| Ball bearing 6000 Z1D1 DIN 625 | ||||
| 52 | 228798 | 5.68 | 6.87 | |
| Fan HL 850 E | ||||
| 53 | 715024 | 2.11 | 2.55 | |
| BALL BEARING 608 2Z C3 DIN 625 | ||||
| 54 | 228559 | 4.30 | 5.20 | |
| Bearing ring AT 55 E | ||||
| 55 | 438613 | 1.39 | 1.68 | |
| Plug-in bracket AP 65 E | ||||
| 56 | 443331 | 1.51 | 1.83 | |
| AIR CONDUCT AP 55 E | ||||
| 57 | 457606 | 11.42 | 13.82 | |
| SCREW AP 65 E | ||||
| 58 | 444362 | 1.39 | 1.68 | |
| Oval head screw PT-4,0x60-KT15 | ||||
| 59 | 228708 | 1.39 | 1.68 | |
| Rotary knob KF 4 E D 23 M6 / 8T | ||||
| 60 | 440712 | 2.51 | 3.04 | |
| Countersunk screw DIN 965-M4x10-4.8-TORX | ||||
| 61 | 228727 | 1.39 | 1.68 | |
| No information available, not orderable | ||||
| 62 | xxx | |||
| SPACER AP 55 E | ||||
| 63 | 439275 | 2.04 | 2.47 | |
| Rotary knob D34 M6/8T blue | ||||
| 64 | 440713 | 2.71 | 3.28 | |
| Disc DIN 9021-6,4-100 HV | ||||
| 65 | 228546 | 1.39 | 1.68 | |
| Flat head screw M6 x 25 | ||||
| 66 | 228603 | 1.39 | 1.68 | |
| Ch. head screw M5x40-TAPTITE | ||||
| 67 | 203780 | 1.66 | 2.01 | |
| CHIP DEFLECTOR AW-AP 55 | ||||
| 68 | 439696 | 7.99 | 9.67 | |
| BRUSH HOLDER AP 65 E | ||||
| 69 | 488915 | 17.54 | 21.22 | |
| Oval head screw PT-3,5x8-T15 | ||||
| 70 | 219047 | 1.39 | 1.68 | |
| MOTOR HOUSING C AP 55 | ||||
| 71 | 439824 | 9.17 | 11.10 | |
| PIVOT FRAME AP 55 E 2 BLATT | ||||
| 72 | 439012 | 68.85 | 83.31 | |
| SCREW M5x16 POWERLOK | ||||
| 73 | 228617 | 1.39 | 1.68 | |
| HANDLE SEGMENT AT 55 E | ||||
| 74 | 438637 | 11.68 | 14.13 | |
| FS ADJUST AP 65 E | ||||
| 75 | 442809 | 1.45 | 1.75 | |
| GUIDE SUPPORT AT 65 E | ||||
| 76 | 443971 | 1.39 | 1.68 | |
| Grub screw DIN 551-M6x12-14H | ||||
| 77 | 442597 | 1.39 | 1.68 | |
| Countersink PT-4,0-10-PZV | ||||
| 78 | 400014 | 1.39 | 1.68 | |
| PIVOT INSERT AP 55 E HINTEN | ||||
| 79 | 438855 | 2.30 | 2.78 | |
| THREADED PLATE AP 55 E | ||||
| 80 | 439789 | 1.85 | 2.24 | |
| PIVOT INSERT AP 55 E VORNE | ||||
| 81 | 438856 | 1.92 | 2.32 | |
| Flat head screw M6 x 12 | ||||
| 82 | 228592 | 1.39 | 1.68 | |
| Cup square bolt DIN 603-M6x20-4.6 | ||||
| 83 | 228661 | 1.39 | 1.68 | |
| BASE PLATE SECT AP 55 E | ||||
| 84 | 438857 | 17.54 | 21.22 | |
| SPACER AP 55 E | ||||
| 85 | 439715 | 2.04 | 2.47 | |
| Guide plate ATF 55 E VOLLST. | ||||
| 86 | 484685 | 50.34 | 60.91 | |
| Key AP 55 E MIT ZAPFEN | ||||
| 87 | 439236 | 3.70 | 4.48 | |