Here you will find all available parts and drawings of the 'Festool 583174 ( AFZUIGARM )'. From here you can order all desired parts directly. Many parts must be ordered from the manufacturer, depending on the brand, this takes one to four weeks. All the information we have is on our website, we cannot advise you on what you need, for that you will need to return the machine for repair. Please note the following when ordering:
Due to a reorganization within Festool, Festool orders will not be delivered until the second half of January 2026.
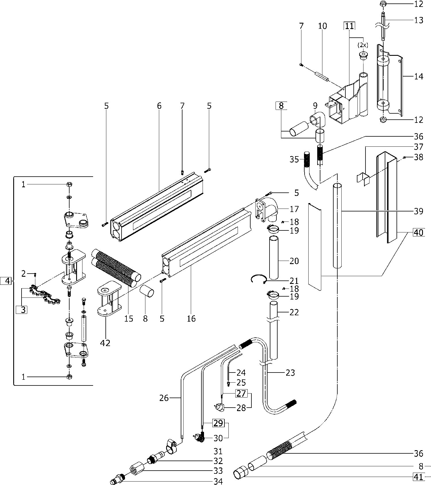
Technical drawing of model Festool 583174 ( AFZUIGARM )
Spare parts list of model Festool 583174 ( AFZUIGARM )
| Pos. | Description | Price excl. VAT | Price incl. VAT | |
| Prices shown include VAT | ||||
| Hexagon nut M14 DIN 982 FE/ZN 8 BK | ||||
| 1 | 400588 | 3.89 | 4.71 | |
| Countersink DIN 7991-M6x16-8.8 | ||||
| 2 | 400990 | 1.39 | 1.68 | |
| Gearwheel kit ASA ET-BG | ||||
| 3 | 496322 | 86.15 | 104.24 | |
| No information available, not orderable | ||||
| 4 | xxx | |||
| Ch. head screw DIN 912-M8x35-8.8 | ||||
| 5 | 200695 | 1.39 | 1.68 | |
| No information available, not orderable | ||||
| 6 | xxx | |||
| Cheese head scr M8x20 A3H | ||||
| 7 | 400153 | 6.41 | 7.76 | |
| Pipe ASA 5000 | ||||
| 8 | 445461 | 12.83 | 15.52 | |
| Fitting ASA 5000 | ||||
| 9 | 445460 | 31.82 | 38.50 | |
| Bolt ASA 5000 | ||||
| 10 | 445446 | 35.33 | 42.75 | |
| CONNECT. PEACE ASA 5000 MIT LAGER | ||||
| 11 | 488452 | 339.89 | 411.27 | |
| No information available, not orderable | ||||
| 12 | 200738 | |||
| Axis ASA | ||||
| 13 | 495835 | 70.91 | 85.80 | |
| Bracket ASA | ||||
| 14 | 495837 | 302.26 | 365.73 | |
| Protective hose ASA 5000 | ||||
| 15 | 445463 | 26.14 | 31.63 | |
| Carrier ASA 5000 | ||||
| 16 | 445452 | 422.65 | 511.41 | |
| Angle holder ASA | ||||
| 17 | 445450 | 290.64 | 351.67 | |
| Blind rivet ASA 5000 | ||||
| 18 | 445469 | 7.85 | 9.50 | |
| Clip ASA 5000 | ||||
| 19 | 445467 | 22.26 | 26.93 | |
| Hose ASA 5000 | ||||
| 20 | 445466 | 59.17 | 71.60 | |
| KABELBINDER 9x275mmLG. | ||||
| 21 | 446862 | 6.73 | 8.14 | |
| Pipe ASA 5000 | ||||
| 22 | 445468 | 70.18 | 84.92 | |
| GUARD HOSE MKV-PG 21 1650MM LG. | ||||
| 23 | 449907 | 29.40 | 35.57 | |
| No information available, not orderable | ||||
| 24 | 449824 | |||
| No information available, not orderable | ||||
| 25 | 2150 | |||
| Air hose BG_10m EAA-D | ||||
| 26 | 495749 | 89.06 | 107.76 | |
| No information available, not orderable | ||||
| 27 | xxx | |||
| No information available, not orderable | ||||
| 28 | xxx | |||
| No information available, not orderable | ||||
| 29 | xxx | |||
| No information available, not orderable | ||||
| 30 | xxx | |||
| HOSE CLIP SK-10...16 | ||||
| 31 | 9274 | 3.77 | 4.56 | |
| No information available, not orderable | ||||
| 32 | xxx | |||
| Muff QM-3/8-3/8 ET-BG | ||||
| 33 | 200477 | 29.04 | 35.14 | |
| No information available, not orderable | ||||
| 34 | xxx | |||
| No information available, not orderable | ||||
| 35 | 449908 | |||
| Protective hose ASA 5000 | ||||
| 36 | 445459 | 51.79 | 62.67 | |
| Pipe squeezing ASA 5000 | ||||
| 37 | 445456 | 37.39 | 45.24 | |
| RIVET A4x16 DIN 7337 | ||||
| 38 | 400152 | 5.47 | 6.62 | |
| Pipe ASA 5000 2000 MM | ||||
| 39 | 445472 | 117.13 | 141.73 | |
| Installation du | ||||
| 40 | 445473 | 139.88 | 169.25 | |
| Connecting piec ASA 5000 kpl. | ||||
| 41 | 489397 | 37.27 | 45.10 | |
| No information available, not orderable | ||||
| 42 | 445441 | |||