Here you will find all available parts and drawings of the 'Bosch 0603282152 ( PEX115A-1 )'. From here you can order all desired parts directly. Many parts must be ordered from the manufacturer, depending on the brand, this takes one to four weeks. All the information we have is on our website, we cannot advise you on what you need, for that you will need to return the machine for repair. Please note the following when ordering:
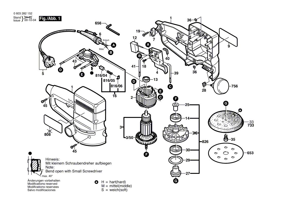
Technical drawing of model Bosch 0603282152 ( PEX115A-1 )
Spare parts list of model Bosch 0603282152 ( PEX115A-1 )
| Pos. | Description | Price excl. VAT | Price incl. VAT | |
| Prices shown include VAT | ||||
| No information available, not orderable | ||||
| 1 | 2605104451 | |||
| No longer available, no replacement | ||||
| 2 | 2604220535 | |||
| Armature 220-240V | ||||
| 3 | 2604011014 | 29.75 | 36.00 | |
| Fan | ||||
| 3/50 | 2606610055 | 3.71 | 4.49 | |
| Switch | ||||
| 4 | 2607200260 | 9.47 | 11.46 | |
| No information available, not orderable | ||||
| 5 | 2604460124 | |||
| Grommet Ø6,5-Ø6,9x95 MM | ||||
| 6 | 2600703031 | 1.94 | 2.35 | |
| Cable Clip | ||||
| 7 | 2601035001 | 1.32 | 1.60 | |
| No information available, not orderable | ||||
| 9 | 2610384569 | |||
| No longer available, no replacement | ||||
| 12 | 1607328028 | |||
| No longer available, no replacement | ||||
| 13 | 2605805005 | |||
| groove ball bearing | ||||
| 14 | 2600905034 | 11.02 | 13.33 | |
| No longer available, no replacement | ||||
| 16 | 2604337118 | |||
| Socket head cap screw M3x6,5-4.8 | ||||
| 18 | 2603410001 | 1.32 | 1.60 | |
| Torx Oval-Head Screw 4x12 | ||||
| 19 | 2603490021 | 1.00 | 1.21 | |
| Stop Sleeve | ||||
| 25 | 2600422004 | 1.18 | 1.43 | |
| No longer available, no replacement | ||||
| 27 | 2600328016 | |||
| No longer available, no replacement | ||||
| 28 | 2915011006 | |||
| Washer | ||||
| 29 | 2600190059 | 1.90 | 2.30 | |
| No longer available, no replacement | ||||
| 30 | 2600905111 | |||
| No information available, not orderable | ||||
| 33 | 2608601056 | |||
| No longer available, no replacement | ||||
| 35 | 2910975197 | |||
| O-Ring 5,0x1,5 MM | ||||
| 36 | 1900210000 | 1.32 | 1.60 | |
| Connecting Cable L=115 MM WHITE | ||||
| 38 | 2604448109 | 1.00 | 1.21 | |
| Cable L=103MM WHITE | ||||
| 39 | 2604448140 | 0.83 | 1.00 | |
| No longer available, no replacement | ||||
| 40 | 2601022000 | |||
| Cable L=233 MM WHITE | ||||
| 41 | 1614431010 | 3.04 | 3.68 | |
| No longer available, no replacement | ||||
| 42 | 2600190150 | |||
| Torx Oval-Head Screw 4x20 | ||||
| 43 | 2603490023 | 1.00 | 1.21 | |
| Screw 4x16 | ||||
| 45 | 2603490022 | 1.00 | 1.21 | |
| No information available, not orderable | ||||
| 654 | 2605411078 | |||
| No longer available, no replacement | ||||
| 655 | 2605702012 | |||
| Offset Screwdriver DIN 911-4 | ||||
| 656 | 2607950004 | 1.32 | 1.60 | |
| No information available, not orderable | ||||
| 733 | 2608601065 | |||
| No longer available, no replacement | ||||
| 752 | 2600282002 | |||
| No longer available, no replacement | ||||
| 756 | 2602026046 | |||
| No information available, not orderable | ||||
| 757 | 1609200976 | |||
| No information available, not orderable | ||||
| 808 | 2601119228 | |||
| No longer available, no replacement | ||||
| 816/04 | 2604321917 | |||
| Compression Spring | ||||
| 816/05 | 2604610026 | 2.18 | 2.64 | |
| Ratchet Cap | ||||
| 816/06 | 2601322013 | 1.32 | 1.60 | |
| Ratchet Cap | ||||
| 816/06 | 2601329051 | 1.32 | 1.60 | |
| No longer available, no replacement | ||||
| 826 | 2606610900 | |||