Here you will find all available parts and drawings of the 'Bosch 0601946685 ( GSR9,6VPE-2 )'. From here you can order all desired parts directly. Many parts must be ordered from the manufacturer, depending on the brand, this takes one to four weeks. All the information we have is on our website, we cannot advise you on what you need, for that you will need to return the machine for repair. Please note the following when ordering:
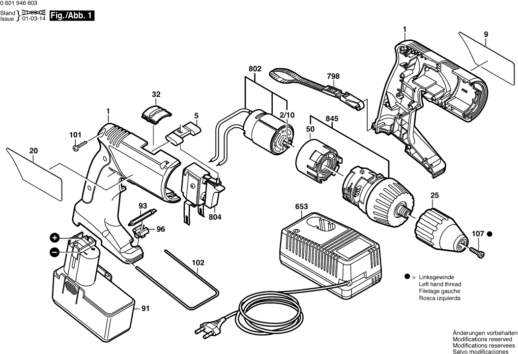
Technical drawing of model Bosch 0601946685 ( GSR9,6VPE-2 )
Spare parts list of model Bosch 0601946685 ( GSR9,6VPE-2 )
| Pos. | Description | Price excl. VAT | Price incl. VAT | |
| Prices shown include VAT | ||||
| Housing Section BLUE | ||||
| 1 | 2605104624 | 13.93 | 16.86 | |
| Pinion | ||||
| 2/10 | 2606316182 | 1.32 | 1.60 | |
| Adjusting Slide RED | ||||
| 5 | 2601099082 | 1.00 | 1.21 | |
| Manufacturer's nameplate SUNNY SIDE | ||||
| 9 | 2601119596 | 2.71 | 3.28 | |
| Reference Plate SHADOW SIDE | ||||
| 20 | 2601119597 | 2.71 | 3.28 | |
| Keyless Chuck | ||||
| 25 | 2608572164 | 44.82 | 54.23 | |
| Adjusting Slide BLACK | ||||
| 32 | 2601099078 | 1.18 | 1.43 | |
| Intermediate Flange | ||||
| 50 | 2605719027 | 2.18 | 2.64 | |
| Slide-In Accu Package 9,6V,2,0Ah,NiCd | ||||
| 91 | 2607335149 | 113.29 | 137.08 | |
| Screwdriver Blade | ||||
| 93 | 2608521018 | 3.71 | 4.49 | |
| Support | ||||
| 96 | 2608040131 | 1.70 | 2.06 | |
| Torx Oval-Head Screw 3x18 | ||||
| 101 | 2603490018 | 1.00 | 1.21 | |
| Retaining Bracket | ||||
| 102 | 2601329041 | 1.32 | 1.60 | |
| Countersunk-Head Screw M6x23 LEFTHAND THREADS | ||||
| 107 | 2603421229 | 1.32 | 1.60 | |
| Fast Charger EU 230/7,2-24V, 1h | ||||
| 653 | 2607224425 | 130.32 | 157.69 | |
| Fast Charger EU 230/7,2-14,4V, 30 MIN. | ||||
| 653 | 2607224701 | 101.94 | 123.35 | |
| No longer available, no replacement | ||||
| 798 | 2601398009 | |||
| DC motor 9,6V | ||||
| 802 | 2607022965 | 40.61 | 49.14 | |
| On-Off Switch | ||||
| 804 | 2607200421 | 50.23 | 60.78 | |
| Planetary Gear Train | ||||
| 845 | 2606200908 | 60.65 | 73.39 | |
| No information available, not orderable | ||||
| 899 | 0601946627 | |||