Here you will find all available parts and drawings of the 'Bosch 3601J804P4 ( GBL800E )'. From here you can order all desired parts directly. Many parts must be ordered from the manufacturer, depending on the brand, this takes one to four weeks. All the information we have is on our website, we cannot advise you on what you need, for that you will need to return the machine for repair. Please note the following when ordering:
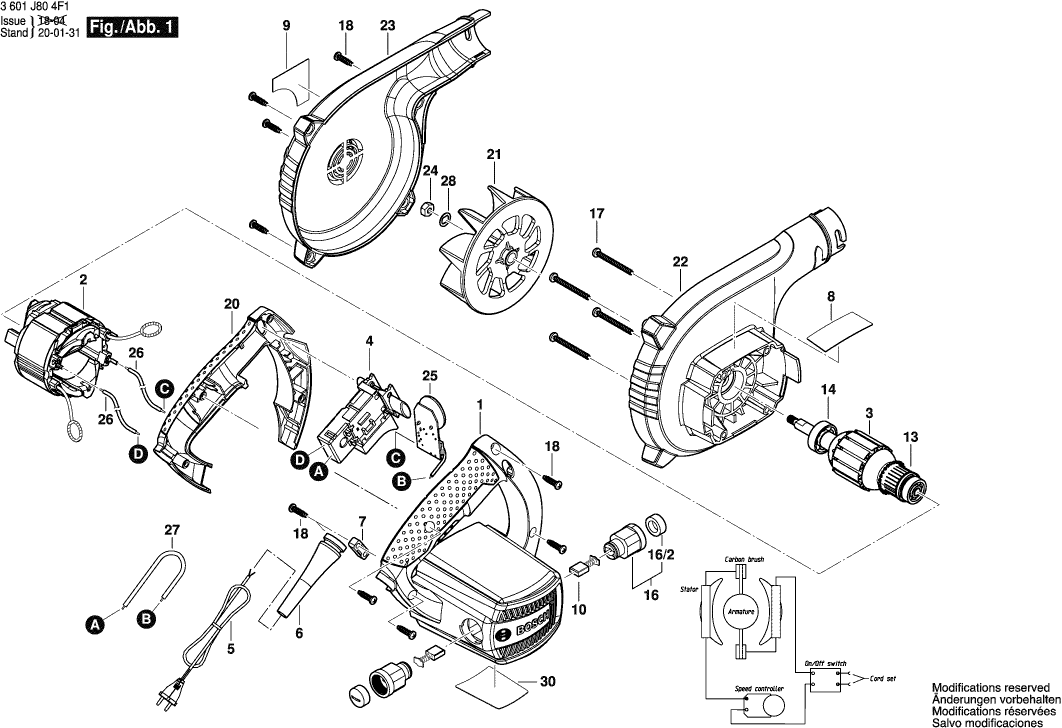
Technical drawing of model Bosch 3601J804P4 ( GBL800E )
Spare parts list of model Bosch 3601J804P4 ( GBL800E )
| Pos. | Description | Price excl. VAT | Price incl. VAT | |
| Prices shown include VAT | ||||
| Motor Housing | ||||
| 1 | 160510829B | 9.47 | 11.46 | |
| Field 220-240V | ||||
| 2 | 1604220439 | 41.30 | 49.97 | |
| Armature 230V | ||||
| 3 | 1604010B1E | 41.30 | 49.97 | |
| On-Off Switch | ||||
| 4 | 2607200637 | 4.58 | 5.54 | |
| Power supply cord GB 230V 4,15m 2 x 1,0mm H05RN-F | ||||
| 5 | 1604460244 | 15.61 | 18.89 | |
| Grommet Ø6,4-Ø7,2x76 MM | ||||
| 6 | 2600703017 | 2.18 | 2.64 | |
| Cable Clip | ||||
| 7 | 2601035001 | 1.32 | 1.60 | |
| Carbon Brush | ||||
| 10 | 1604321129 | 7.32 | 8.86 | |
| Ball Bearing 7x22x7 | ||||
| 13 | 1900905018 | 15.61 | 18.89 | |
| Ball Bearing 9x26x8 | ||||
| 14 | 1900905025 | 17.60 | 21.30 | |
| Brush Holder | ||||
| 16 | 1600A00187 | 4.10 | 4.96 | |
| Insulating Cap | ||||
| 16/2 | F002G31065 | 1.00 | 1.21 | |
| Screw 4x40MM | ||||
| 17 | 2914201712 | 0.83 | 1.00 | |
| Screw | ||||
| 18 | F002G31025 | 1.00 | 1.21 | |
| Handle | ||||
| 20 | 1605132159 | 3.71 | 4.49 | |
| Fan | ||||
| 21 | 1606610156 | 5.27 | 6.38 | |
| Fan Housing | ||||
| 22 | 1600A0015N | 8.48 | 10.26 | |
| Fan Cover | ||||
| 23 | 1600A0015P | 7.32 | 8.86 | |
| No longer available, no replacement | ||||
| 24 | 1613300006 | |||
| Controller | ||||
| 25 | 1607233593 | 11.02 | 13.33 | |
| Connecting Cable | ||||
| 26 | 1600A00FT2 | 1.00 | 1.21 | |
| Cover Disc | ||||
| 28 | 1600100036 | 1.00 | 1.21 | |
| Warning Plate | ||||
| 30 | 1601118N89 | 1.94 | 2.35 | |
| Nozzle | ||||
| 650 | 1605190265 | 9.47 | 11.46 | |
| Dust Bag | ||||
| 651 | 1605411034 | 11.02 | 13.33 | |
| Extension Tube | ||||
| 653 | 1619PA9088 | 8.48 | 10.26 | |
| Nozzle | ||||
| 654 | 1619PA9089 | 9.47 | 11.46 | |
| Flexible Connection | ||||
| 655 | 1619PA9228 | 10.68 | 12.92 | |
| Nozzle | ||||
| 656 | 1619PA9087 | 10.68 | 12.92 | |
| Adapter | ||||
| 657 | 1600A01595 | 1.32 | 1.60 | |