Here you will find all available parts and drawings of the 'Bosch 0603143103 ( E21SB )'. From here you can order all desired parts directly. Many parts must be ordered from the manufacturer, depending on the brand, this takes one to four weeks. All the information we have is on our website, we cannot advise you on what you need, for that you will need to return the machine for repair. Please note the following when ordering:
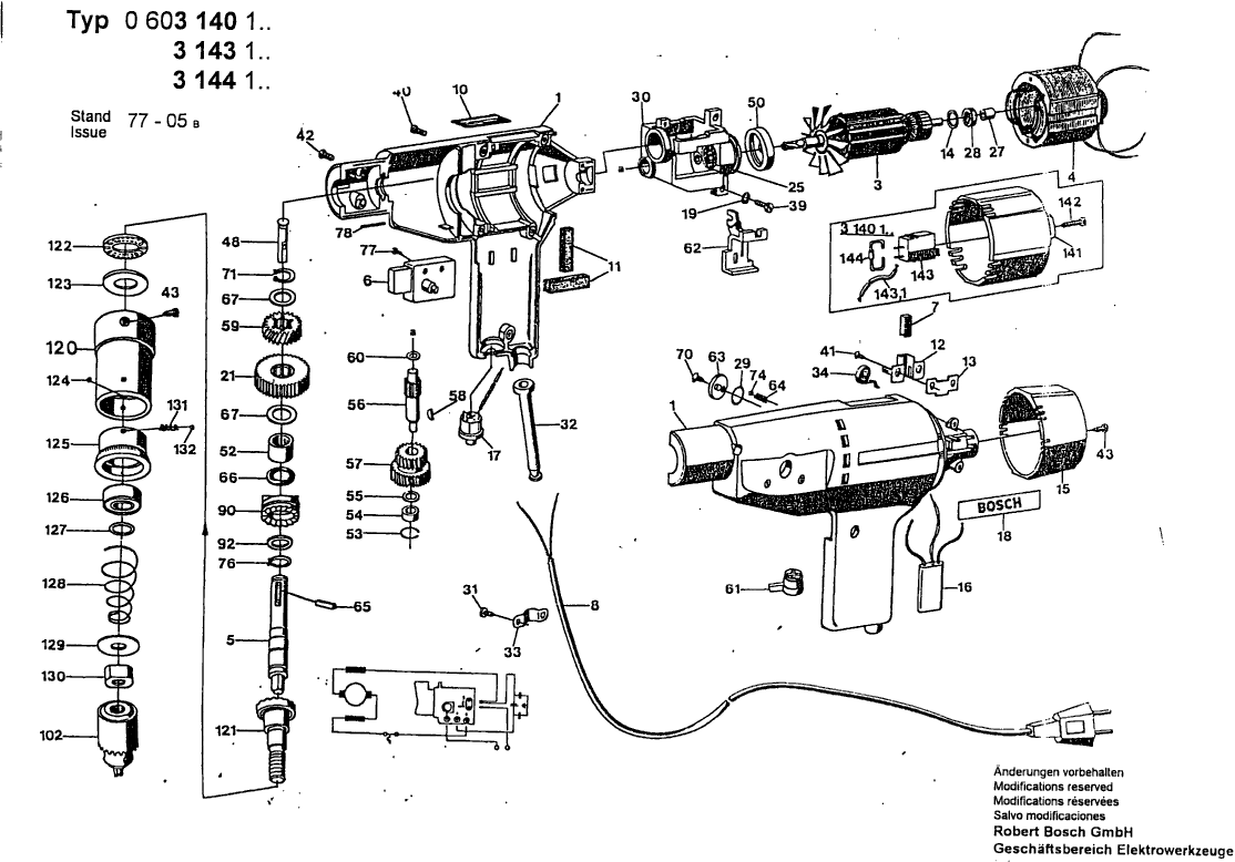
Technical drawing of model Bosch 0603143103 ( E21SB )
Spare parts list of model Bosch 0603143103 ( E21SB )
| Pos. | Description | Price excl. VAT | Price incl. VAT | |
| Prices shown include VAT | ||||
| No longer available, no replacement | ||||
| 1 | 1605104905 | |||
| No longer available, no replacement | ||||
| 3 | 1604010134 | |||
| No longer available, no replacement | ||||
| 4 | 1604220116 | |||
| No longer available, no replacement | ||||
| 5 | 1603121018 | |||
| On-Off Switch | ||||
| 6 | 1609202464 | 22.88 | 27.68 | |
| No longer available, no replacement | ||||
| 7 | 1604321900 | |||
| Power supply cord EU 230V 4,15m 2 x 1,0mm H05 RN- | ||||
| 8 | 1607000386 | 17.60 | 21.30 | |
| Nameplate | ||||
| 10 | 160111A3H3 | 2.18 | 2.64 | |
| No longer available, no replacement | ||||
| 11 | 1602381001 | |||
| Brush Holder | ||||
| 12 | 1601323007 | 1.18 | 1.43 | |
| No longer available, no replacement | ||||
| 13 | 1601034025 | |||
| No longer available, no replacement | ||||
| 14 | 1610210014 | |||
| No longer available, no replacement | ||||
| 15 | 1605500066 | |||
| No longer available, no replacement | ||||
| 16 | 2607329069 | |||
| Thermoswitch | ||||
| 17 | 1607202900 | 13.93 | 16.86 | |
| Manufacturer's nameplate SHADOW SIDE | ||||
| 18 | 1601110481 | 1.90 | 2.30 | |
| Spring Lock Washer DIN 128-A4-FST | ||||
| 19 | 2916690003 | 1.00 | 1.21 | |
| No longer available, no replacement | ||||
| 21 | 2606317012 | |||
| groove ball bearing 627 Y DIN 625 | ||||
| 25 | 1900900235 | 15.71 | 19.01 | |
| No longer available, no replacement | ||||
| 27 | 1600301900 | |||
| No longer available, no replacement | ||||
| 28 | 1600205023 | |||
| No longer available, no replacement | ||||
| 29 | 1600210024 | |||
| No longer available, no replacement | ||||
| 30 | 1605807906 | |||
| Tapping Screw | ||||
| 31 | 2603435011 | 0.83 | 1.00 | |
| Grommet Ø6,4-Ø7,5x75 MM | ||||
| 32 | 1600703016 | 1.00 | 1.21 | |
| Fastening Clamp | ||||
| 33 | 1601302014 | 2.18 | 2.64 | |
| Spiral Spring | ||||
| 34 | 1604652004 | 2.18 | 2.64 | |
| Socket head cap screw DIN 84-AM4x10-5.8 | ||||
| 39 | 2910011120 | 1.00 | 1.21 | |
| Tapping Screw DIN 7971-ST3,9x16-F | ||||
| 40 | 2910211019 | 1.00 | 1.21 | |
| Tapping Screw DIN 7972-BZ2,9x6,5 | ||||
| 41 | 2910601004 | 0.83 | 1.00 | |
| Tapping Screw DIN 7971-BZ2,9x13 | ||||
| 42 | 2910211006 | 1.00 | 1.21 | |
| No longer available, no replacement | ||||
| 43 | 2910211017 | |||
| Control Shaft | ||||
| 48 | 2603105011 | 0.83 | 1.00 | |
| O-Ring | ||||
| 50 | 1600502008 | 0.83 | 1.00 | |
| Needle-Roller Bearing | ||||
| 52 | 1600910008 | 0.83 | 1.00 | |
| Retaining ring 14 DIN 9045 | ||||
| 53 | 2916600008 | 2.52 | 3.05 | |
| Bushing Ø8G7xØ14R6x6MM | ||||
| 54 | 2600301043 | 0.83 | 1.00 | |
| Plain Washer 0,3 MM | ||||
| 55 | 1230100633 | 0.83 | 1.00 | |
| No longer available, no replacement | ||||
| 56 | 1606309058 | |||
| No longer available, no replacement | ||||
| 57 | 1606328096 | |||
| Woodruff Key DIN 6888-3x3,7-ST-60 | ||||
| 58 | 1900023004 | 0.83 | 1.00 | |
| No longer available, no replacement | ||||
| 59 | 1606317069 | |||
| Shim 1,2 MM THICK | ||||
| 60 | 1600100611 | 1.32 | 1.60 | |
| Control Lever | ||||
| 61 | 1602026040 | 0.83 | 1.00 | |
| Control Fork | ||||
| 62 | 1601328001 | 0.83 | 1.00 | |
| Eccentric Disc | ||||
| 63 | 1600148005 | 0.83 | 1.00 | |
| Compression Spring | ||||
| 64 | 1604611016 | 0.83 | 1.00 | |
| Flat Key | ||||
| 65 | 1602300017 | 0.83 | 1.00 | |
| Seal Ring 13,0x4,0 MM | ||||
| 66 | 2600210025 | 0.83 | 1.00 | |
| Shim Ø14,5x21,5x0,5 MM | ||||
| 67 | 2000101600 | 1.18 | 1.43 | |
| Shim | ||||
| 67 | 2600101603 | 1.18 | 1.43 | |
| Tapping Screw B 3,9x9,5 DIN 7972 | ||||
| 70 | 2910600017 | 0.83 | 1.00 | |
| Spring retaining ring 14x1 DIN 471 | ||||
| 71 | 2916650005 | 0.83 | 1.00 | |
| Warning Label 3 MM DIN 5401 | ||||
| 74 | 1903230304 | 0.83 | 1.00 | |
| Retaining clip DIN 471-15x1-FSt | ||||
| 76 | 2916650006 | 1.32 | 1.60 | |
| Socket head cap screw M3x10 MM | ||||
| 77 | 2603410023 | 1.18 | 1.43 | |
| O-Ring 17,0x3,0 MM GREEN | ||||
| 78 | 1610210121 | 2.18 | 2.64 | |
| Locating Washer | ||||
| 90 | 1606490013 | 0.83 | 1.00 | |
| Shim 0,5 MM | ||||
| 92 | 2600100695 | 1.32 | 1.60 | |
| Shim 0,2 MM | ||||
| 92 | 2600100692 | 1.18 | 1.43 | |
| Shim 0,3 MM | ||||
| 92 | 2600100693 | 0.83 | 1.00 | |
| No longer available, no replacement | ||||
| 102 | 1608571005 | |||
| No longer available, no replacement | ||||
| 102/1 | 1607950027 | |||
| No longer available, no replacement | ||||
| 120 | 1607020004 | |||
| No longer available, no replacement | ||||
| 121 | 1607031902 | |||
| Thrust Needle Rim | ||||
| 122 | 1600920000 | 4.58 | 5.54 | |
| Thrust Bearing Disc | ||||
| 123 | 1600102011 | 2.52 | 3.05 | |
| Ball DIN 5401-5,5MM-III-ST | ||||
| 124 | 1903230010 | 1.00 | 1.21 | |
| No longer available, no replacement | ||||
| 125 | 1605801022 | |||
| No longer available, no replacement | ||||
| 126 | 1900905102 | |||
| Shim washer 0,4 MM THICK | ||||
| 127 | 1600101600 | 1.32 | 1.60 | |
| Compression Spring | ||||
| 128 | 1604643002 | 0.83 | 1.00 | |
| Plain Washer | ||||
| 129 | 1600101017 | 0.83 | 1.00 | |
| Threaded Ring | ||||
| 130 | 1603343007 | 0.83 | 1.00 | |
| Compression Spring | ||||
| 131 | 1604610009 | 1.32 | 1.60 | |
| Ball | ||||
| 132 | 1903230308 | 0.83 | 1.00 | |